GM Service Manual Online
For 1990-2009 cars only
Makes
🢒
Chevrolet
🢒
2003
🢒
Monte Carlo
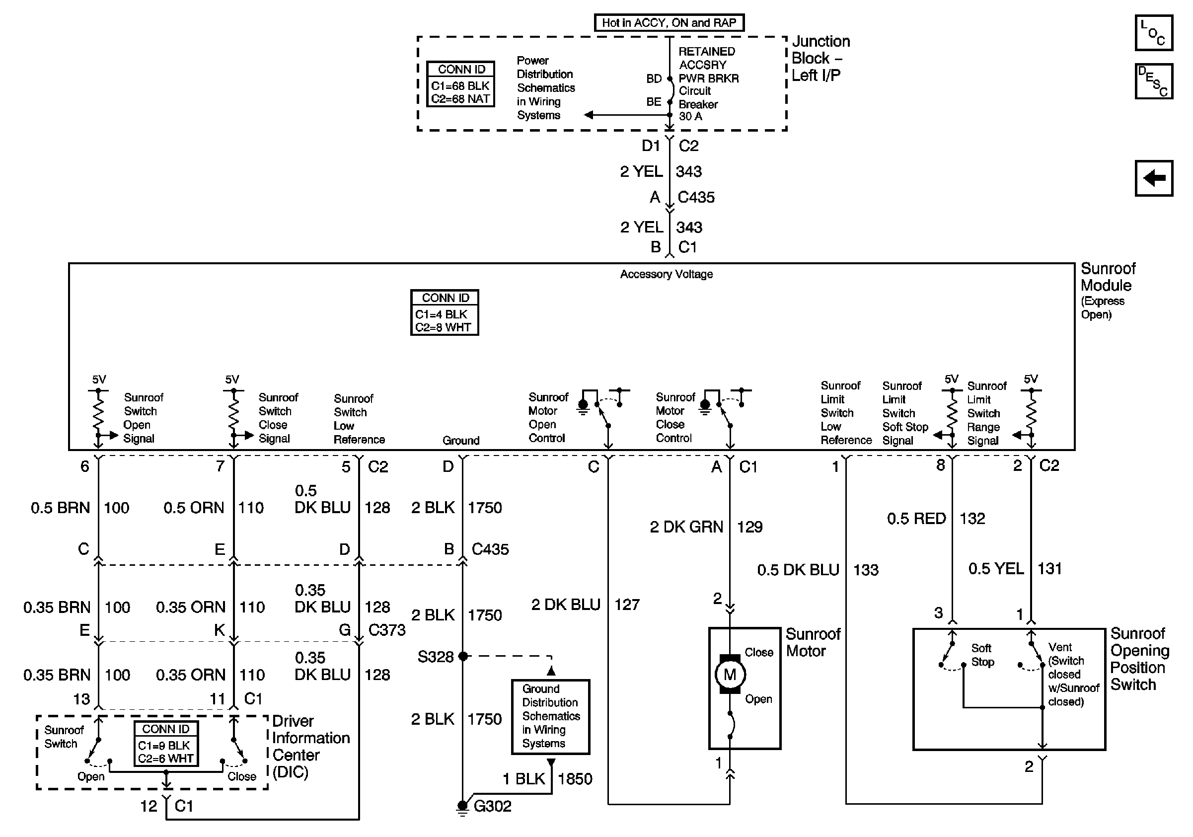
🢒 Sunroof [w/U68]
Sunroof [w/U68]
Sunroof (U68)
Master Electrical Component List
Sunroof Description and Operation
Sunroof [w/oU68]
CLSTR/BCM, DK LK, LEFT IP, LT HTD ST/BCM, and PWR MIR
G203 [1 of 2]