GM Service Manual Online
For 1990-2009 cars only
Makes
🢒
Chevrolet
🢒
2004
🢒
Monte Carlo
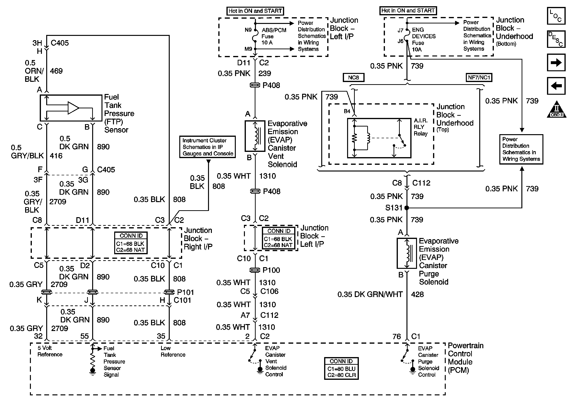
🢒 EVAP and FTP
EVAP and FTP
EVAP and FTP
Master Electrical Component List
Evaporative Emission Control System Description
AIR, EGR, and IAC
Fuel Injectors
Engine Controls Schematic Icons
ABS/PCM, SRS, STOP, and TURN SIGNAL Fuses
Junction Block - Underhood (Bottom) Bussing
DFI MDL, ENG DEVICES, and OXY SEN Fuses
Gages, Illumination, and Indicators