GM Service Manual Online
For 1990-2009 cars only
Makes
🢒
Chevrolet
🢒
2004
🢒
Monte Carlo
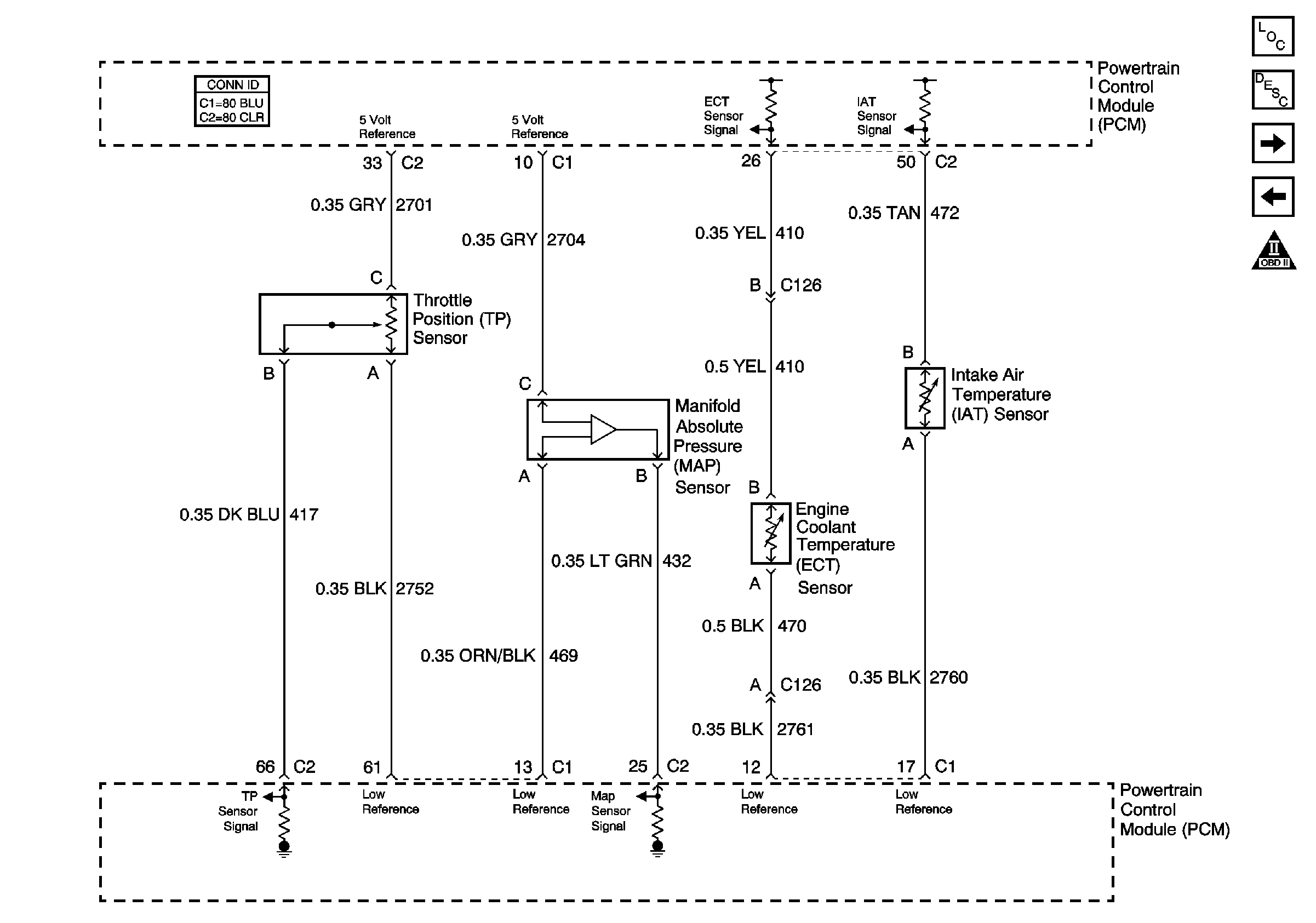
🢒 ECT, IAT, MAP,and TP Sensors
ECT, IAT, MAP,and TP Sensors
ECT, IAT, MAP, and TP Sensors
Master Electrical Component List
Electronic Ignition (EI) System Description
MAF, and VSS
5 Volt, and Low Reference Bussing
Engine Controls Schematic Icons