GM Service Manual Online
For 1990-2009 cars only
Makes
🢒
Chevrolet
🢒
2004
🢒
Monte Carlo
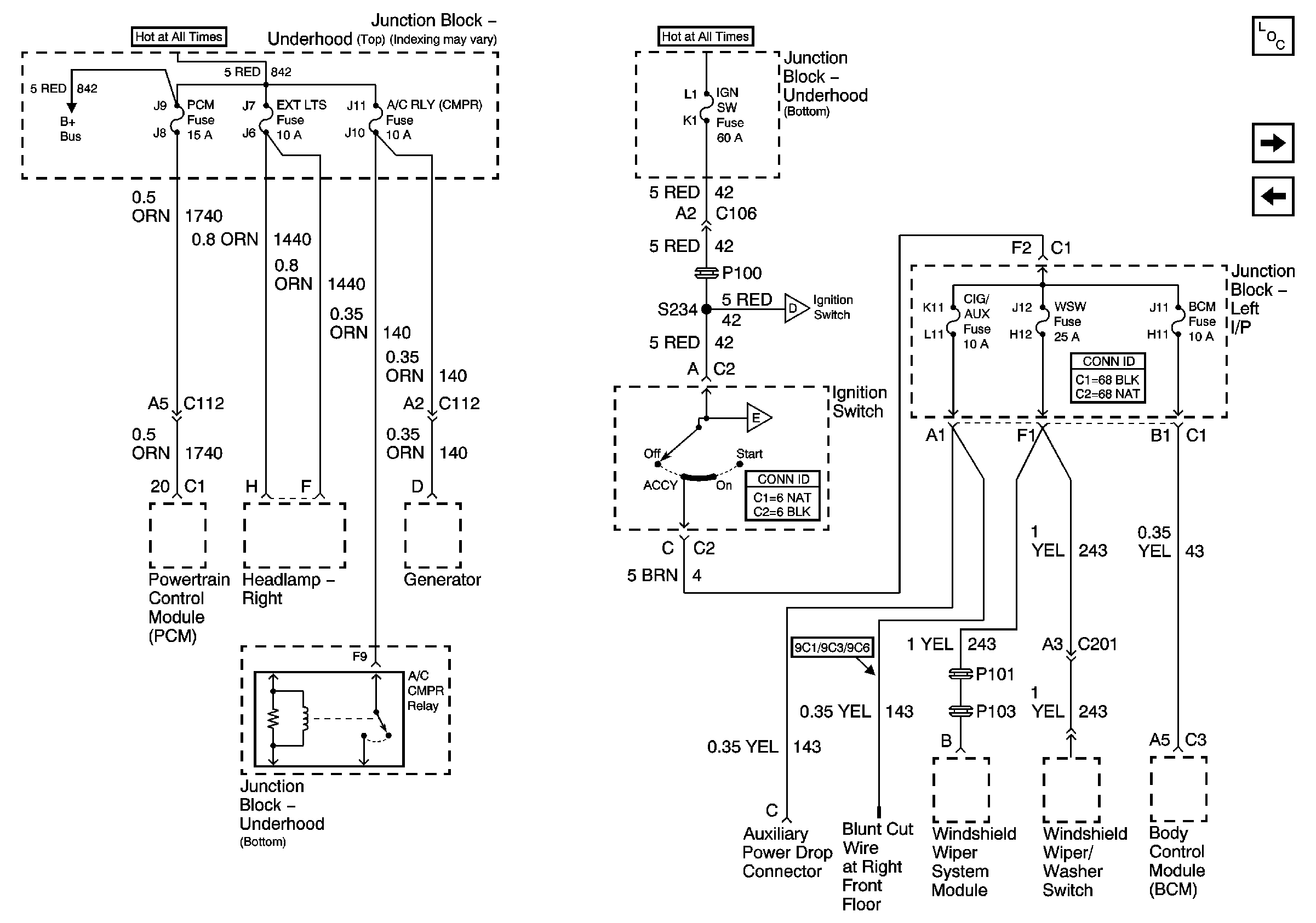
🢒 A/C RLY (CMPR), A.I.R PMP RLY, BCM, CIG/AUX, EXT LTS, IGN
A/C RLY (CMPR), A.I.R PMP RLY, BCM, CIG/AUX, EXT LTS, IGN
A/C RLY (CMPR), BCM, CIG/AUX, EXT LTS, IGN SW, PCM, and WSW Fuses
Master Electrical Component List
A/C Cruise, A/C Fan, CRUISE, PCM/BCM CLSTR, and PCM Fuses
AUX PWR, BRK SW, C/LTR, DRL/EXT LTS, HAZ SW, HVAC BLO
Junction Block-Underhood [Top View]
A/C Cruise, A/C Fan, CRUISE, PCM/BCM CLSTR, and PCM Fuses
ABS/PCM, SRS, STOP, and TURN SIGNAL Fuses