GM Service Manual Online
For 1990-2009 cars only
Makes
🢒
Chevrolet
🢒
2004
🢒
Monte Carlo
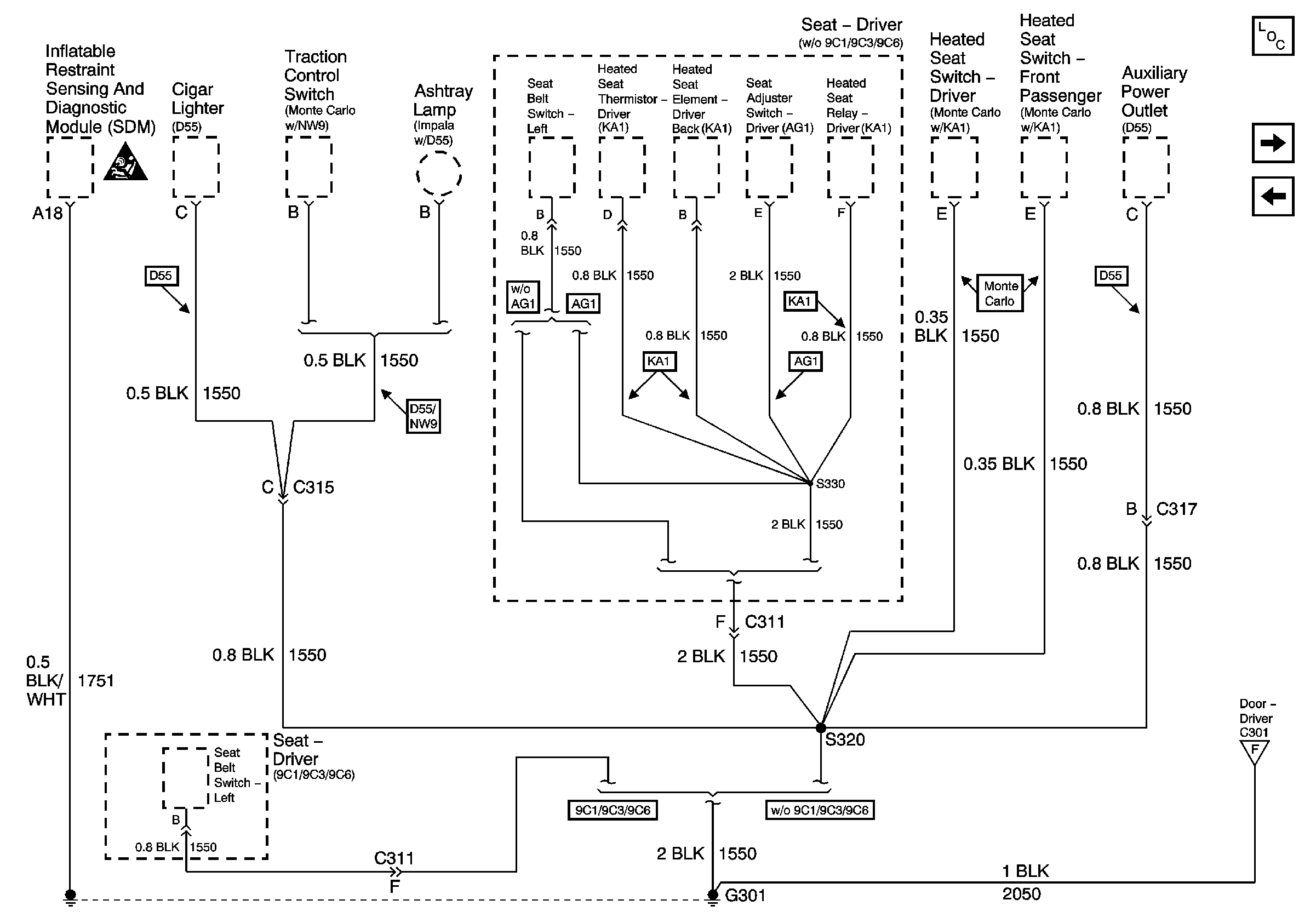
🢒 G301 [1 of 2]
G301 [1 of 2]
G301 (1 of 2)
Master Electrical Component List
G301 [2 of 2]
G203 [3 of 3]
SIR Caution for Zoning
G301 [2 of 2]