GM Service Manual Online
For 1990-2009 cars only
Makes
🢒
Chevrolet
🢒
2004
🢒
Monte Carlo
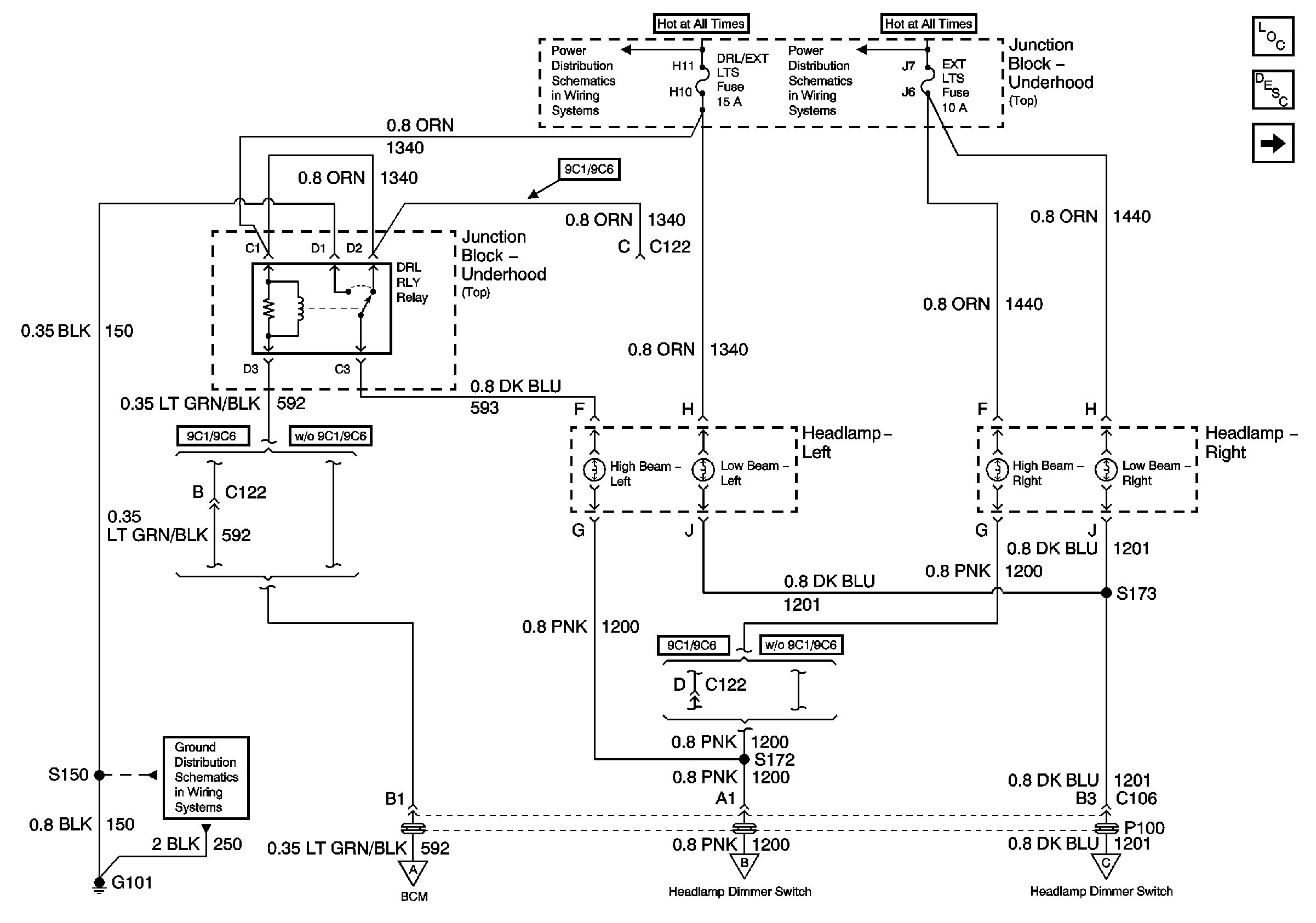
🢒 DRL Relay, Headlamps, and Power [w/o 6J7]
DRL Relay, Headlamps, and Power [w/o 6J7]
DRL Relay, Headlamps, and Power (w/o 6J7)
Master Electrical Component List
Exterior Lighting Systems Description and Operation
DRL Relay, Headlamps, and Power [w/6J7]
Junction Block-Underhood [Top View]
Junction Block-Underhood [Top View]
G101
Indicators, and Lamp Control
Indicators, and Lamp Control
Indicators, and Lamp Control