GM Service Manual Online
For 1990-2009 cars only
Makes
🢒
Chevrolet
🢒
2004
🢒
Monte Carlo
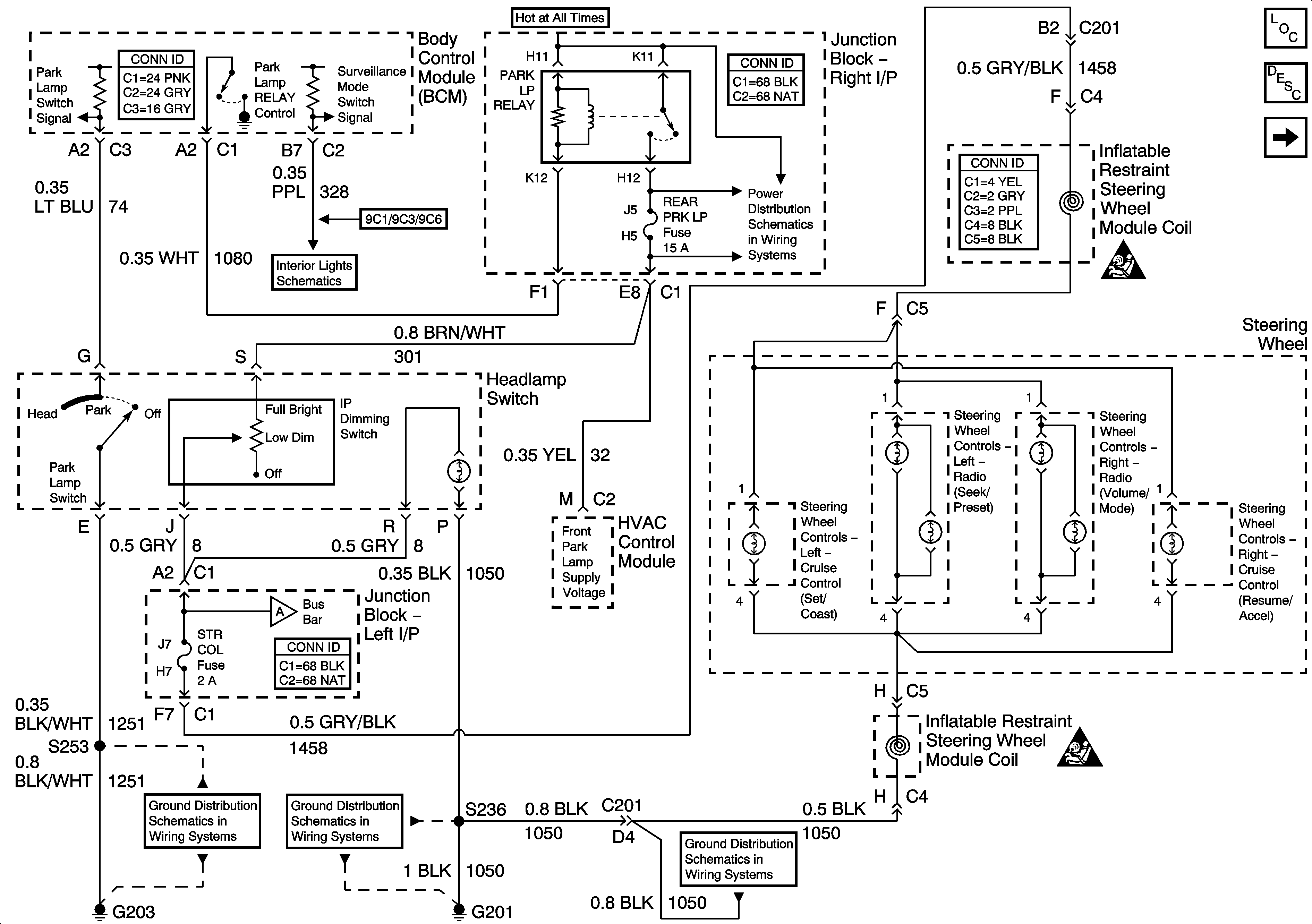
🢒 Dimming Control, and Steering Wheel Controls
Dimming Control, and Steering Wheel Controls
Dimming Control, and Steering Wheel Controls
Master Electrical Component List
Interior Lighting Systems Description and Operation
I/P
Courtesy Lamps Control, and I/P
FRT PARK LP, and REAR PK LP Fuses
SIR Caution for Zoning
SIR Caution for Zoning
G201 [1 of 2]
G201 [1 of 2]
G203 [1 of 3]
I/P