GM Service Manual Online
For 1990-2009 cars only
Makes
🢒
Chevrolet
🢒
2004
🢒
Monte Carlo
🢒 Horns
Horns
Master Electrical Component List
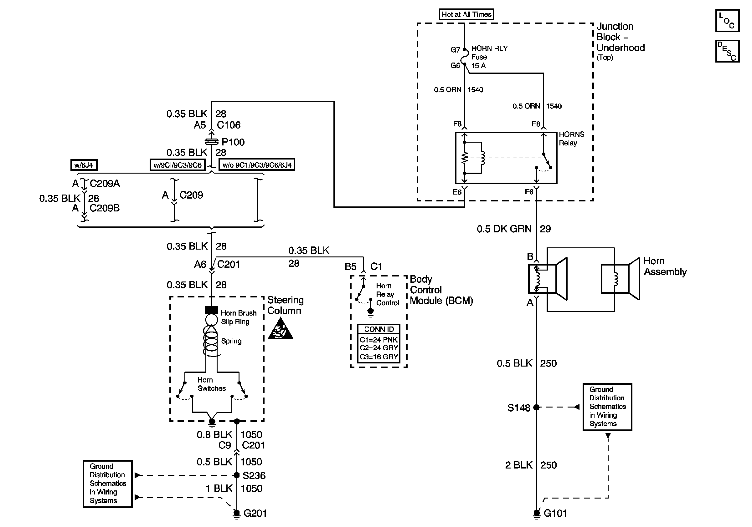
Horns System Description and Operation
G201 [1 of 2]
Title not found
G101