GM Service Manual Online
For 1990-2009 cars only
Makes
🢒
Chevrolet
🢒
2004
🢒
Monte Carlo
🢒 Lock Switches
Lock Switches
Lock Switches
Master Electrical Component List
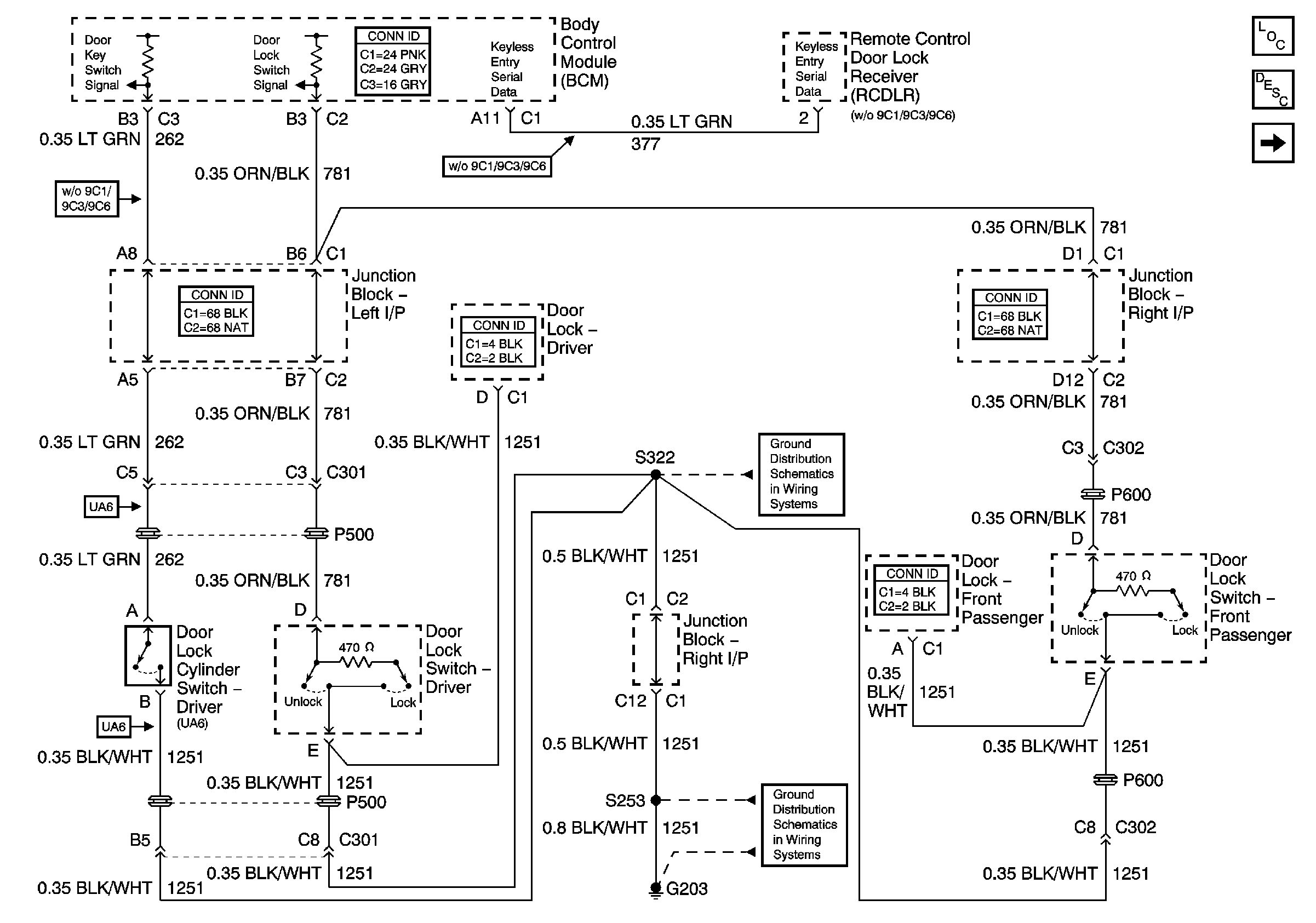
Power Door Locks Description and Operation
Door Lock Actuators
G203 [2 of 3]
G203 [1 of 3]