GM Service Manual Online
For 1990-2009 cars only
Makes
🢒
Chevrolet
🢒
2004
🢒
Monte Carlo
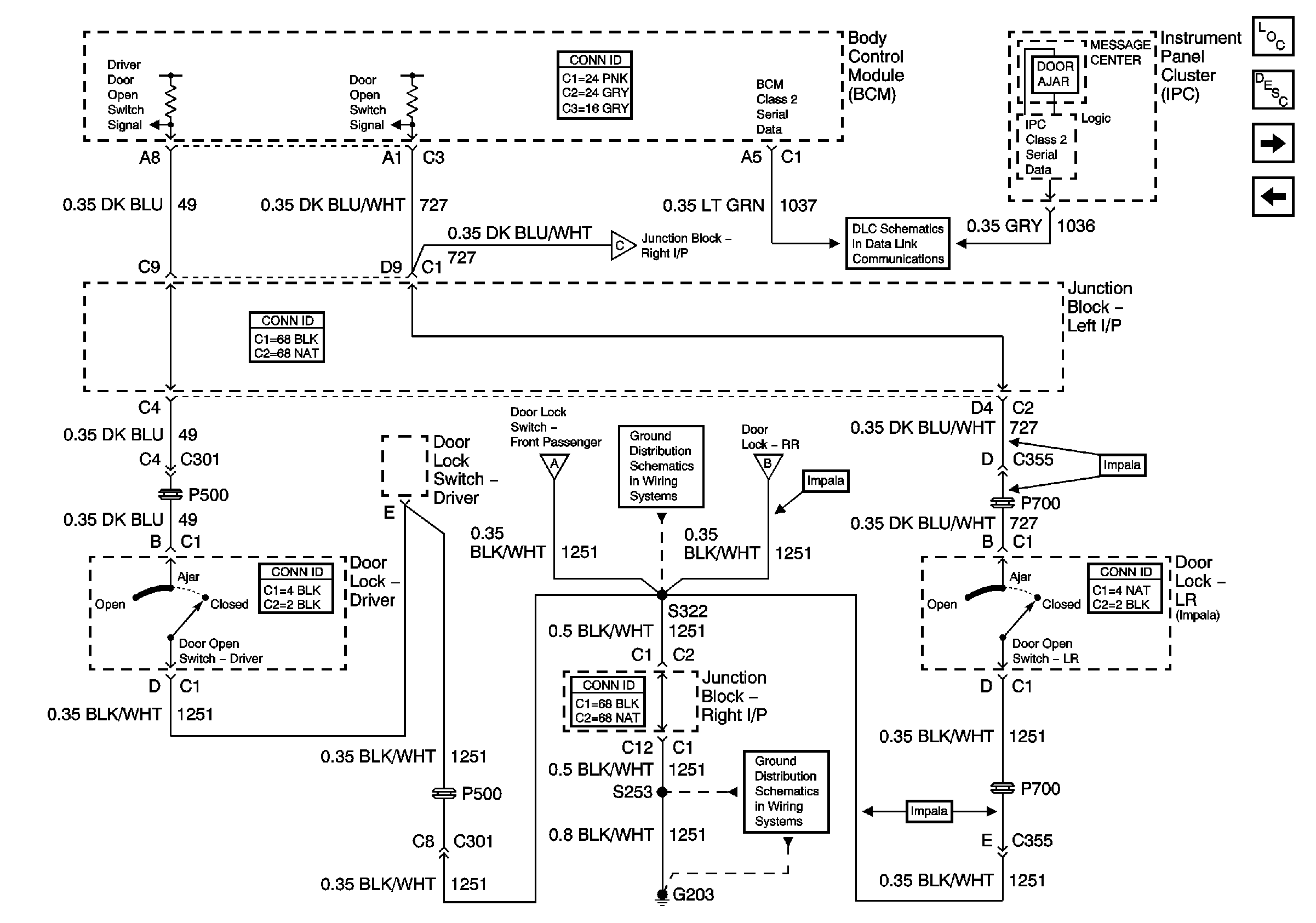
🢒 Door Open Switches [Left]
Door Open Switches [Left]
Door Open Switches (Left)
Master Electrical Component List
Power Door Locks Description and Operation
Door Open Switches [Right]
Door Lock Actuators
Door Open Switches [Right]
Door Open Switches [Right]
Door Open Switches [Right]
G203 [2 of 3]
G203 [1 of 3]