GM Service Manual Online
For 1990-2009 cars only
Makes
🢒
Chevrolet
🢒
2006
🢒
Monte Carlo
🢒
Vehicle Control Systems
🢒
Vehicle DTC Information
🢒 SIR Schematics
Figure
1:
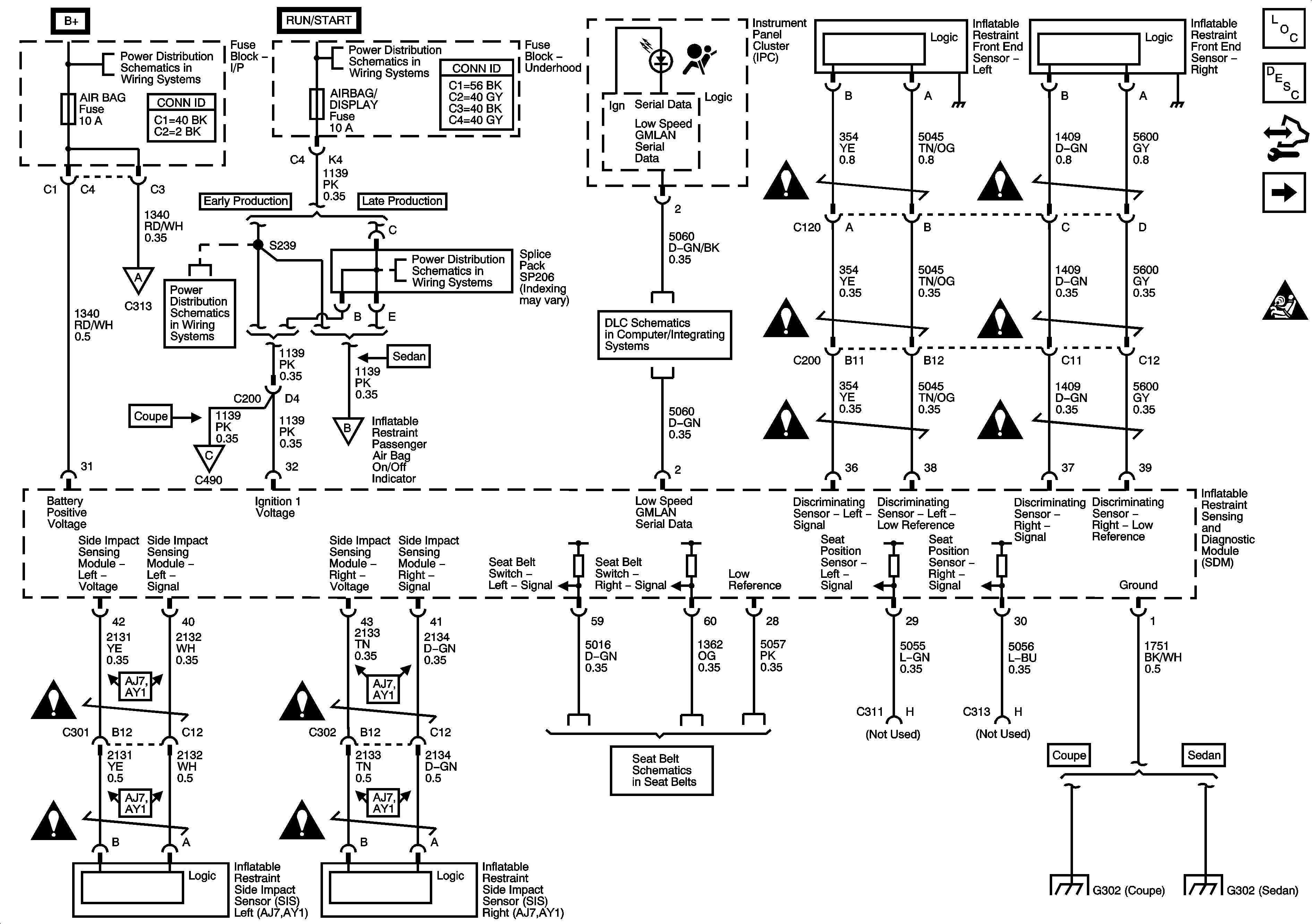
Power, Ground, DLC, Indicators, Sensors, and References
Master Electrical Component List
SIR System Description and Operation
Control Module References
Deployment Loops
SIR Schematic Icons
BATT 2, HTD/SEAT, AIRBAG, PWR/MIR Fuses, and PWR/SEAT Circuit Breaker
BATT 2, HTD/SEAT, AIRBAG, PWR/MIR Fuses, and PWR/SEAT Circuit Breaker
Fuse Block - Underhood Bussing
Fuse Block - Underhood Bussing
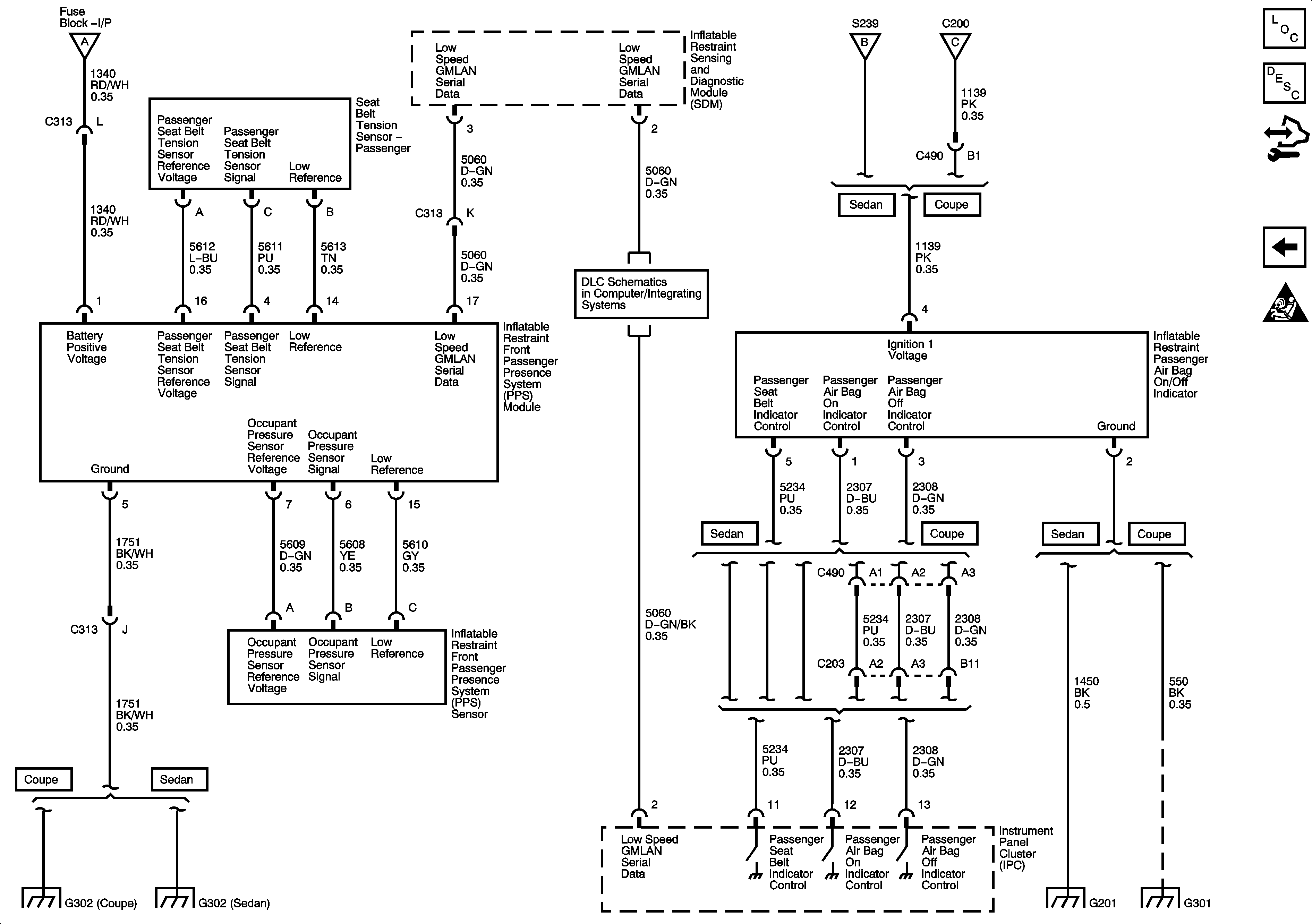
Passenger Presence System
ECM IGN, TRANS, PWR DROP/CRANK, AIRBAG/DISPLAY, STRTR, FUEL/PUMP, and HORN Fuses
ECM IGN, TRANS, PWR DROP/CRANK, AIRBAG/DISPLAY, STRTR, FUEL/PUMP, and HORN Fuses
Power, Ground, and Low Speed GMLAN Serial Data
Passenger Presence System
Passenger Presence System
Seat Belt Schematics
SIR Schematic Icons
SIR Schematic Icons
SIR Schematic Icons
SIR Schematic Icons
SIR Schematic Icons
SIR Schematic Icons
SIR Schematic Icons
SIR Schematic Icons
SIR Schematic Icons
SIR Schematic Icons
G302
G302 (Sedan)
Figure
2:
Deployment Loops
Master Electrical Component List
SIR System Description and Operation
Control Module References
Passenger Presence System
Power, Ground, DLC, Indicators, Sensors, and References
SIR Schematic Icons
Figure
3:
Passenger Presence System
Master Electrical Component List
SIR System Description and Operation
Control Module References
Deployment Loops
SIR Schematic Icons
Power, Ground, DLC, Indicators, Sensors, and References
Power, Ground, DLC, Indicators, Sensors, and References
Power, Ground, DLC, Indicators, Sensors, and References
Power, Ground, and Low Speed GMLAN Serial Data
G302
G302 (Sedan)
G201
G301