GM Service Manual Online
For 1990-2009 cars only
Makes
🢒
Chevrolet
🢒
2006
🢒
Monte Carlo
🢒
Vehicle Control Systems
🢒
Vehicle DTC Information
🢒 Antilock Brake System Schematics
Figure
1:
Power, Ground, and Brake Pressure Modulator Valves
Master Electrical Component List
ABS Description and Operation
Control Module References
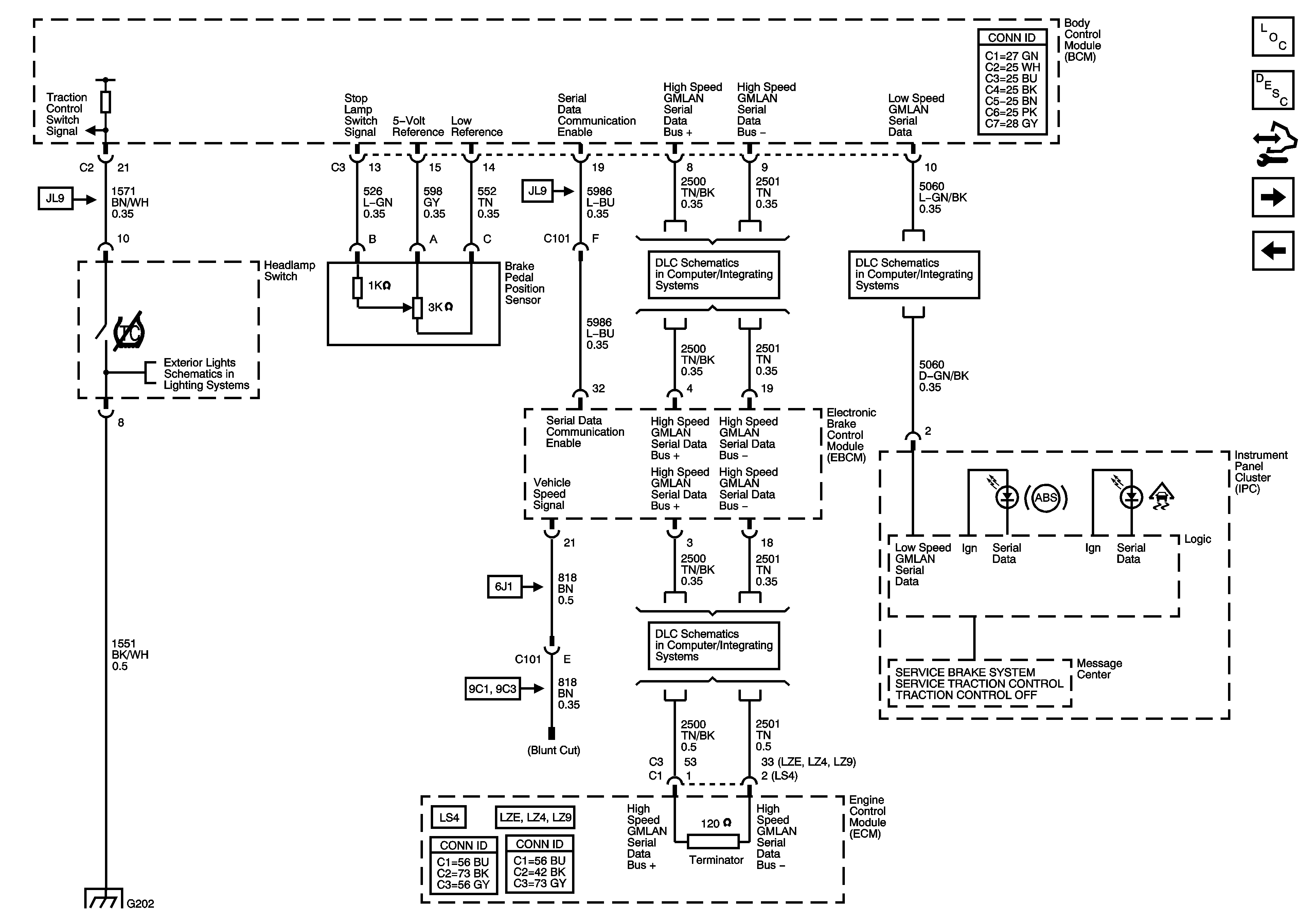
Indicators, ABS, and Traction Control
Fuse Block - Underhood Bussing
Fuse Block - Underhood Bussing
Figure
2:
Indicators, ABS, and Traction Control
Master Electrical Component List
ABS Description and Operation
Control Module References
Wheel Speed Sensors
Power, Ground, and Brake Pressure Modulater Valves
Park Lamps 1 of 2
High Speed GMLAN Serial Data
Power, Ground, and Low Speed GMLAN Serial Data
High Speed GMLAN Serial Data
G202, and G204
Figure
3:
Wheel Speed Sensors
Master Electrical Component List
ABS Description and Operation
Control Module References
Indicators, ABS, and Traction Control
Antilock Brake System Schematic Icons