GM Service Manual Online
For 1990-2009 cars only
Makes
🢒
Chevrolet
🢒
2006
🢒
Monte Carlo
🢒
Body
🢒
Wipers/Washer Systems
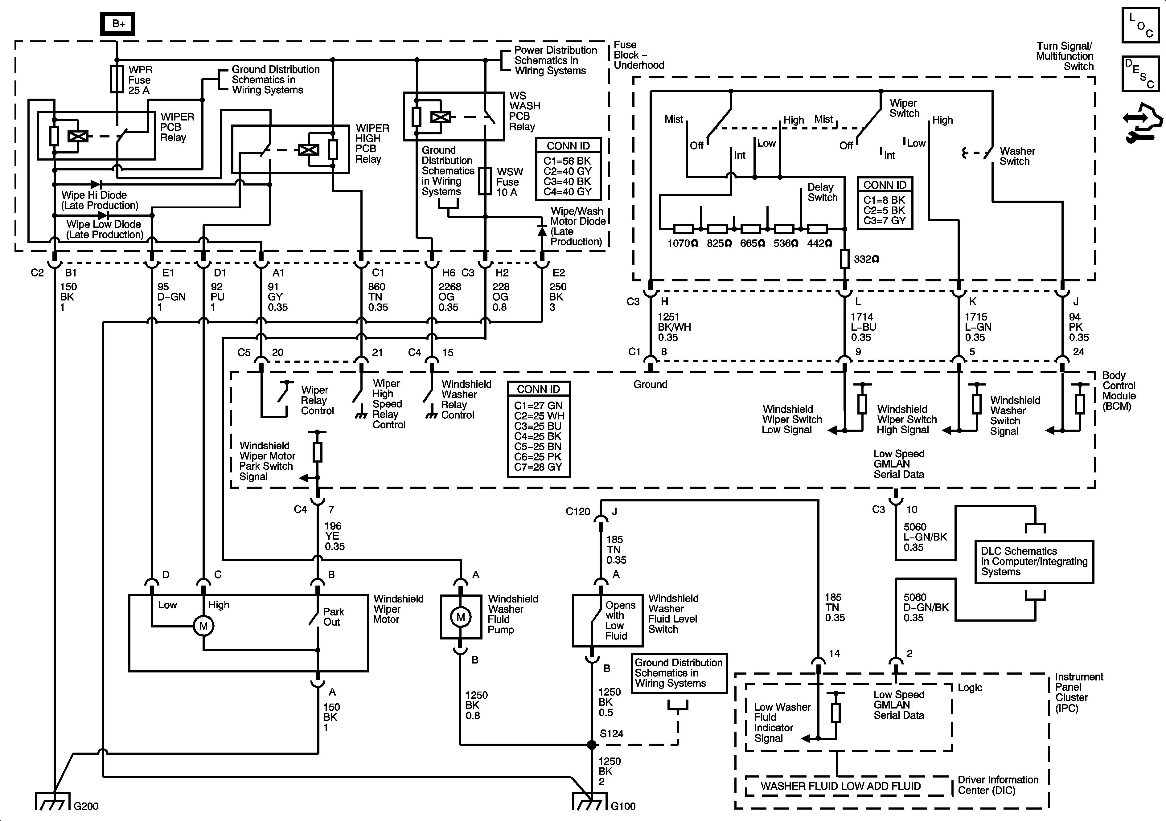
🢒 Wiper/Washer Schematics
Master Electrical Component List
Wiper/Washer System Description and Operation
Control Module References
Fuse Block - Underhood Bussing
Fuse Block - Underhood Bussing
G200
G100
Power, Ground, and Low Speed GMLAN Serial Data
G100
G200
G100