GM Service Manual Online
For 1990-2009 cars only
Figure 1:

G100


Object Number: 1648402  Size: FS
Master Electrical Component List
Control Module References
G101, G102, G111, and G112 (LS4)
Figure 2:

G101, G102, G111, and G112 (LS4)


Object Number: 1648406  Size: FS
Master Electrical Component List
Control Module References
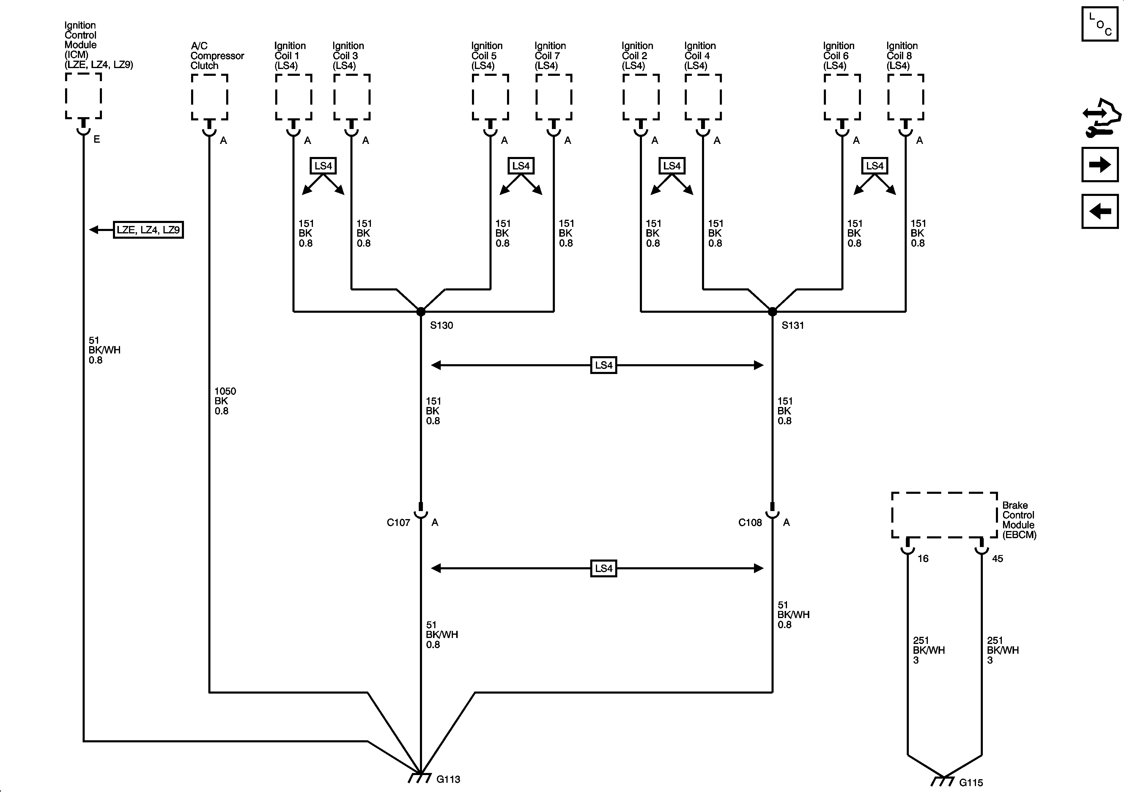
G113, and G115
G100
Figure 3:

G113, and G115


Object Number: 1648411  Size: FS
Master Electrical Component List
Control Module References
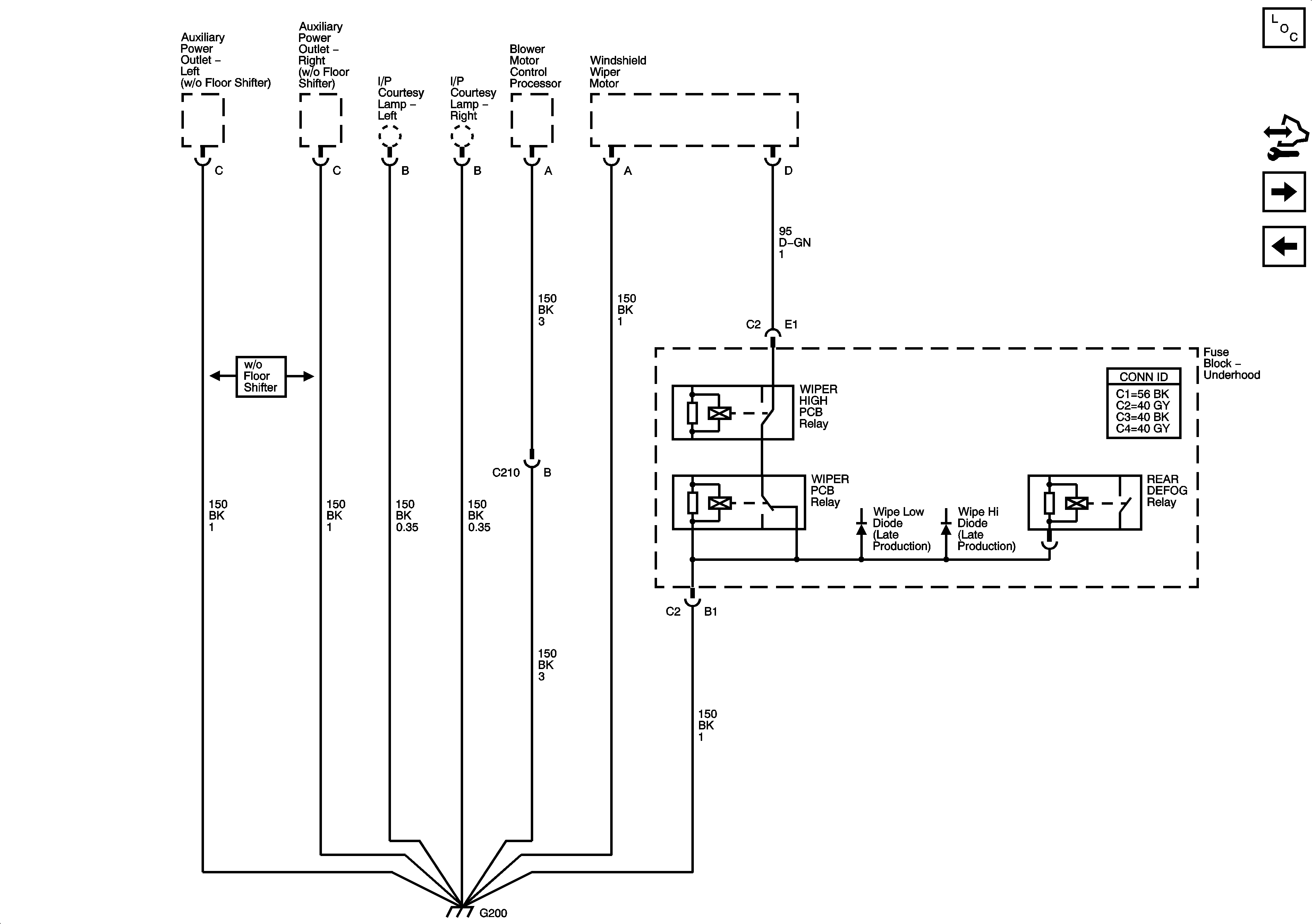
G200
G101, G102, G111, and G112 (LS4)
Figure 4:

G200


Object Number: 1648417  Size: FS
Master Electrical Component List
Control Module References
G201
G113, and G115
Figure 5:

G201


Object Number: 1648421  Size: FS
Master Electrical Component List
Control Module References
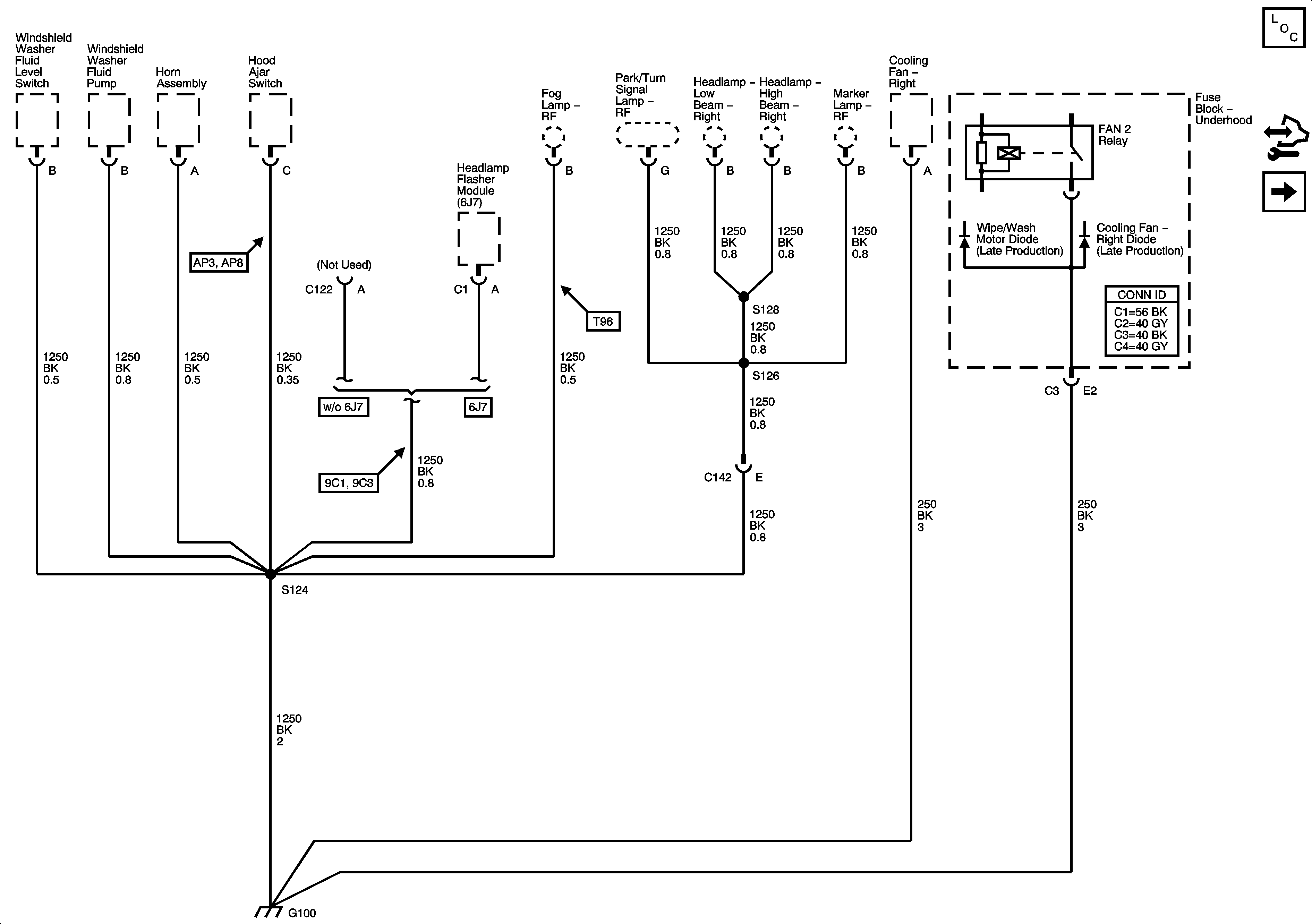
G202, and G204
G200
Power and Grounding Schematic Icons
Power and Grounding Schematic Icons
Figure 6:

G202, and G204


Object Number: 1648427  Size: FS
Master Electrical Component List
Control Module References
G301
G201
Figure 7:

G301


Object Number: 1648430  Size: FS
Master Electrical Component List
Control Module References
G302
G202, and G204
Power and Grounding Schematic Icons
Figure 8:

G302 (Coupe)


Object Number: 1648436  Size: FS
Master Electrical Component List
Control Module References
G302 (Sedan)
G301
Power and Grounding Schematic Icons
Power and Grounding Schematic Icons
Figure 9:

G302 (Sedan)


Object Number: 1711885  Size: FS
Master Electrical Component List
Control Module References
G403, and G404
G302
Power and Grounding Schematic Icons
Power and Grounding Schematic Icons
Figure 10:

G403, and G404


Object Number: 1648439  Size: FS
Master Electrical Component List
Control Module References
G302 (Sedan)