GM Service Manual Online
For 1990-2009 cars only
Makes
🢒
Chevrolet
🢒
2006
🢒
Monte Carlo
🢒
Body
🢒
Wiring Systems
🢒 Upfitter Provision Schematics
Figure
1:
6J1
Master Electrical Component List
Control Module References
6J3, 6J6, 6F5, and 6C8
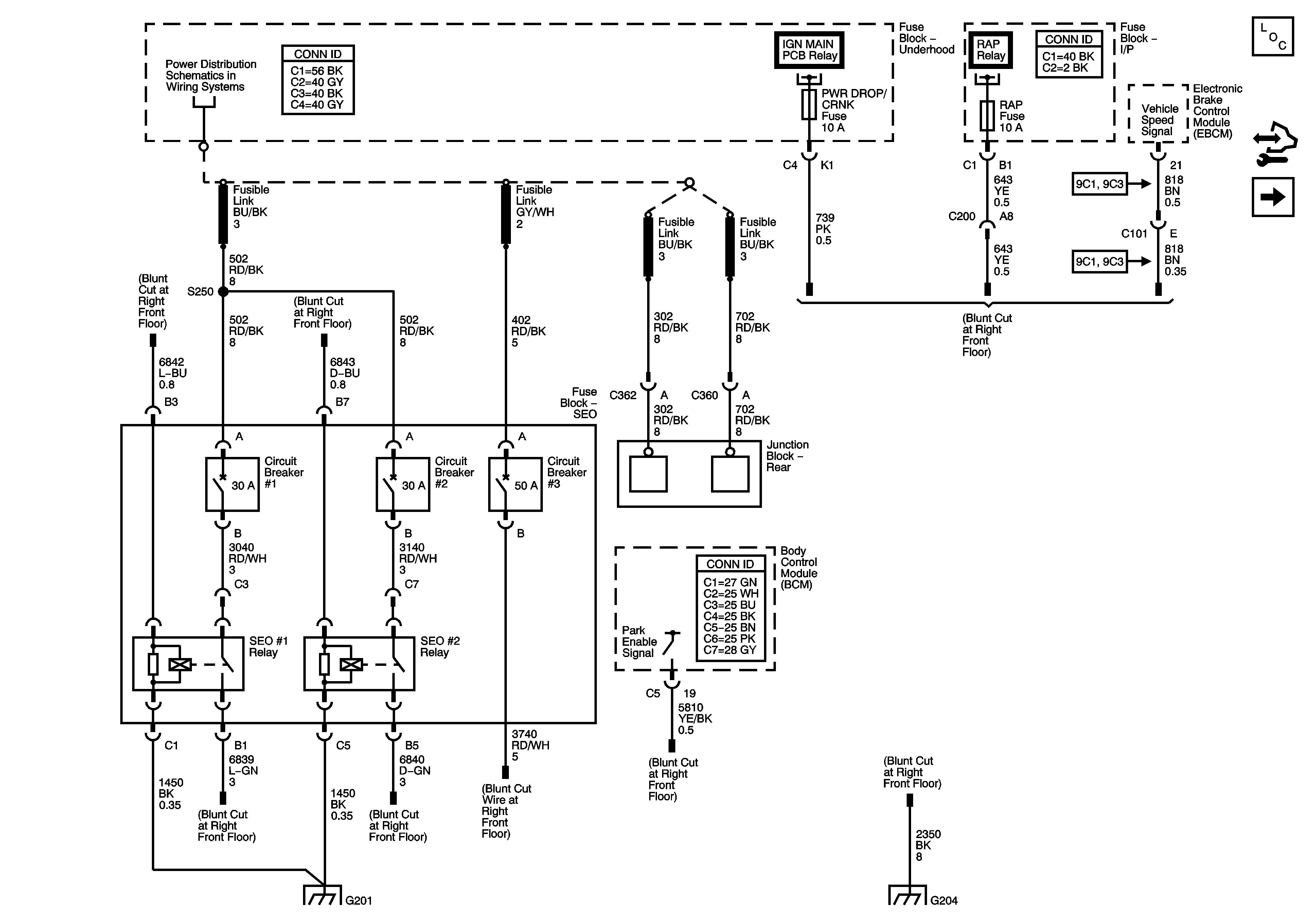
Fuse Block - Underhood Bussing
Fuse Block - Underhood Bussing
S/ROOF, DR/LCK, RAP MISC Fuses, RAP Relay, DOOR UNLOCK PCB Relay - Driver, DOOR UNLOCK PCB Relay, and DOOR LOCK PCB Relay
G201
G202, and G204
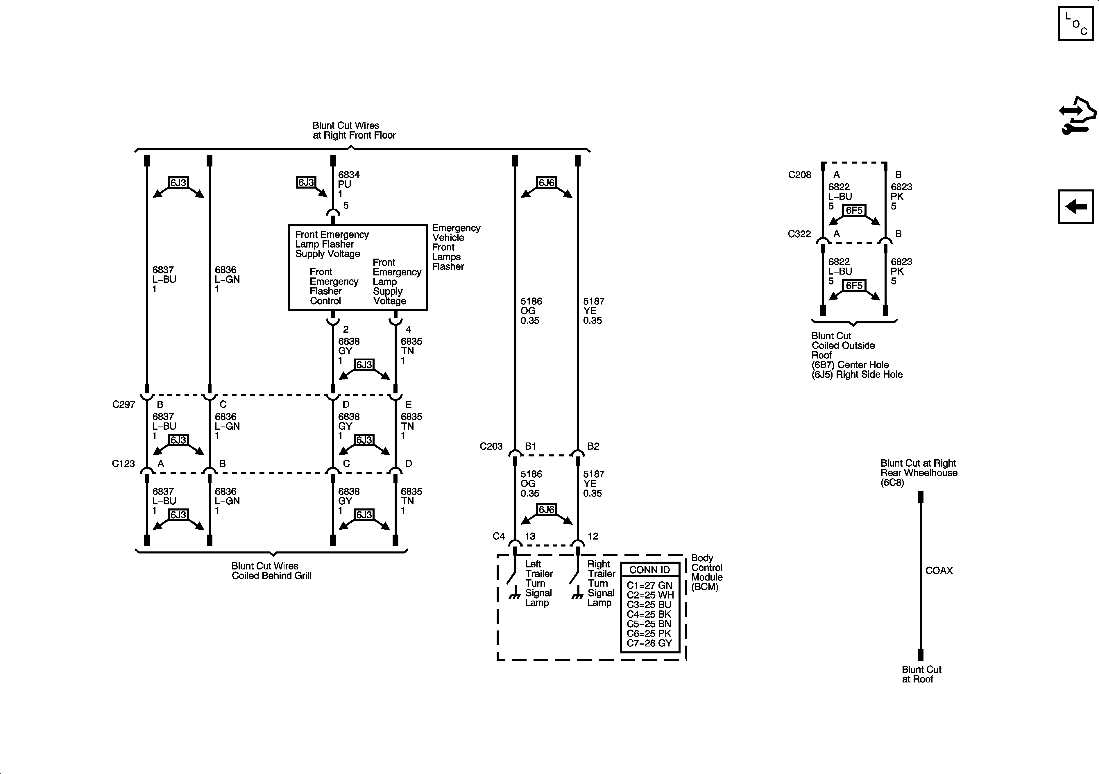
Figure
2:
6J3, 6J6, 6F5, and 6C8
Master Electrical Component List
Control Module References
6J1