GM Service Manual Online
For 1990-2009 cars only
Makes
🢒
Chevrolet
🢒
2006
🢒
Monte Carlo
🢒
Accessories
🢒
Cruise Control
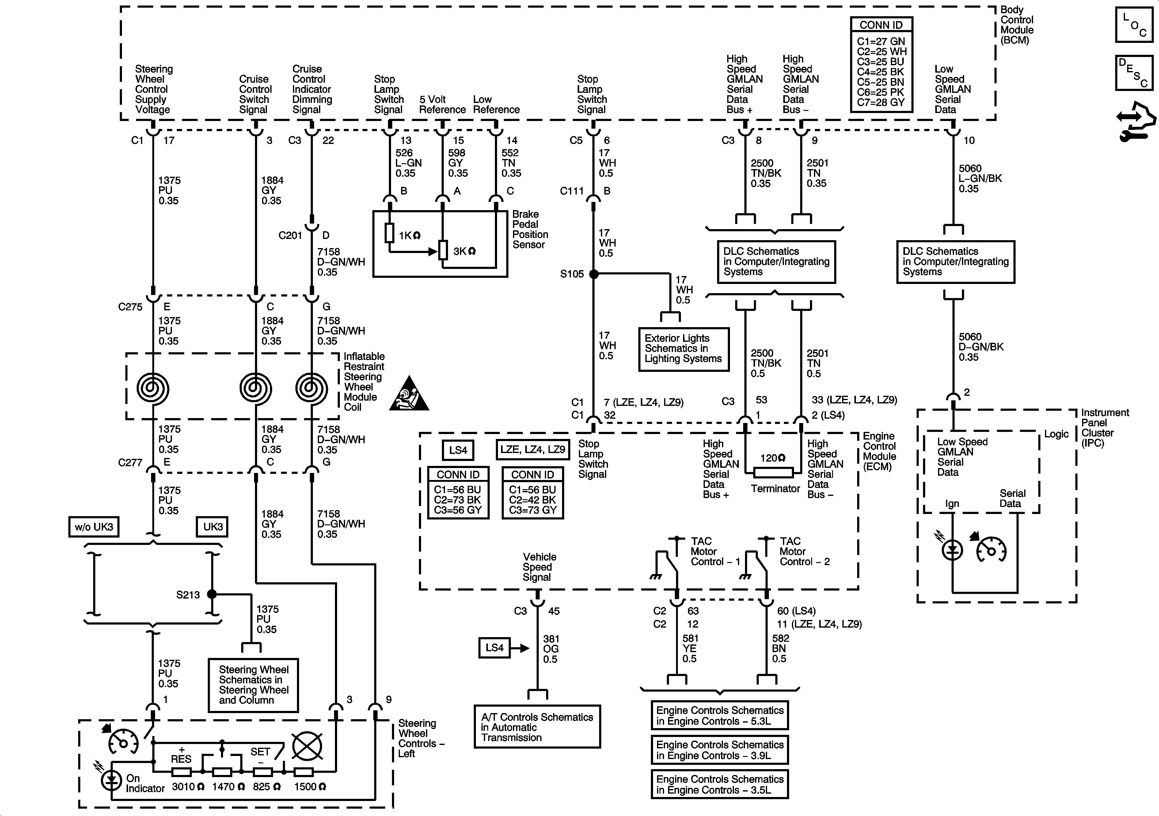
🢒 Cruise Control Schematics
Master Electrical Component List
Cruise Control Description and Operation
Control Module References
High Speed GMLAN Serial Data
Power, Ground, and Low Speed GMLAN Serial Data
Cruise Control Schematic Icons
Turn Signal, Hazard, and Stoplamps Outputs
Steering Wheel Controls Schematics
VSS, AT ISS Sensors, Pressure Control Solenoid Valve, and TCC Release Switch
Electronic Throttle Controls
Electronic Throttle Controls
Electronic Throttle Controls