GM Service Manual Online
For 1990-2009 cars only
Makes
🢒
Chevrolet
🢒
2006
🢒
Monte Carlo
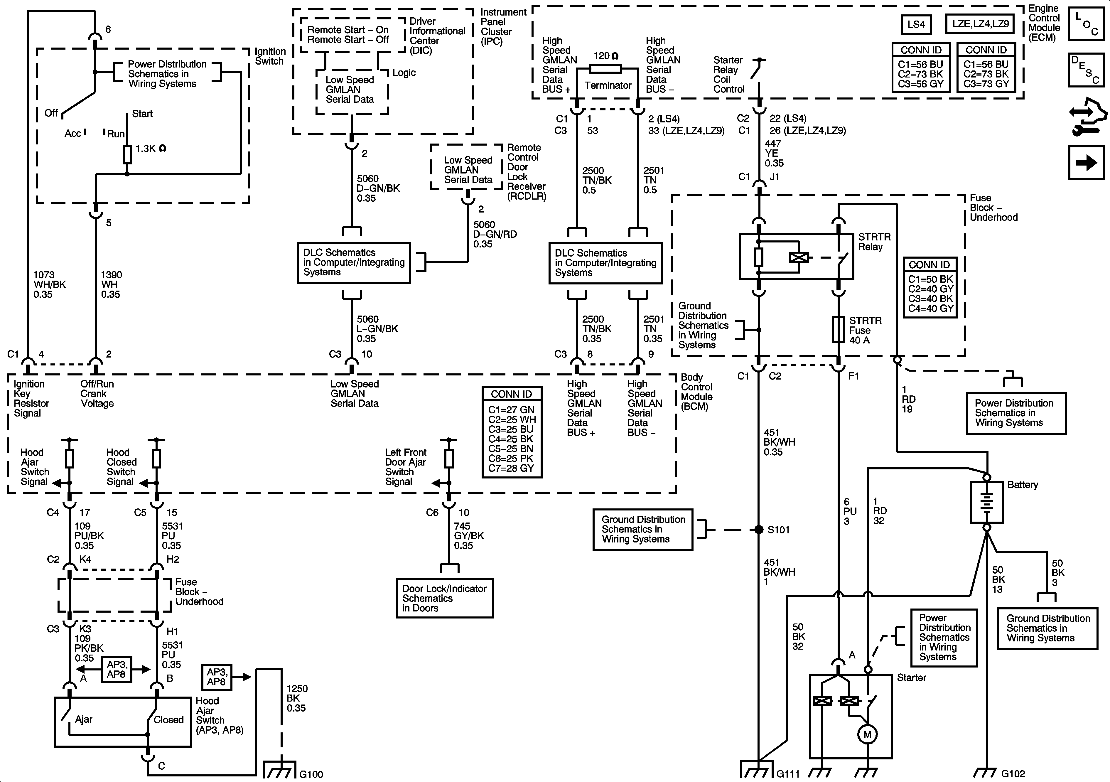
🢒 Starter
Starter
Starter
Master Electrical Component List
Starting System Description and Operation
Control Module References
Generator
Ignition Switch
Power, Ground, and Low Speed GMLAN Serial Data
High Speed GMLAN Serial Data
G101, G102, G111, and G112 (LS4)
Fuse Block - Underhood Bussing
Door Ajar Indicators
G101, G102, G111, and G112 (LS4)
Fuse Block - Underhood Bussing
G101, G102, G111, and G112 (LS4)
G100
G101, G102, G111, and G112 (LS4)
G101, G102, G111, and G112 (LS4)