GM Service Manual Online
For 1990-2009 cars only
Makes
🢒
Chevrolet
🢒
2006
🢒
Monte Carlo
🢒 Coupe
Coupe
Coupe
Master Electrical Component List
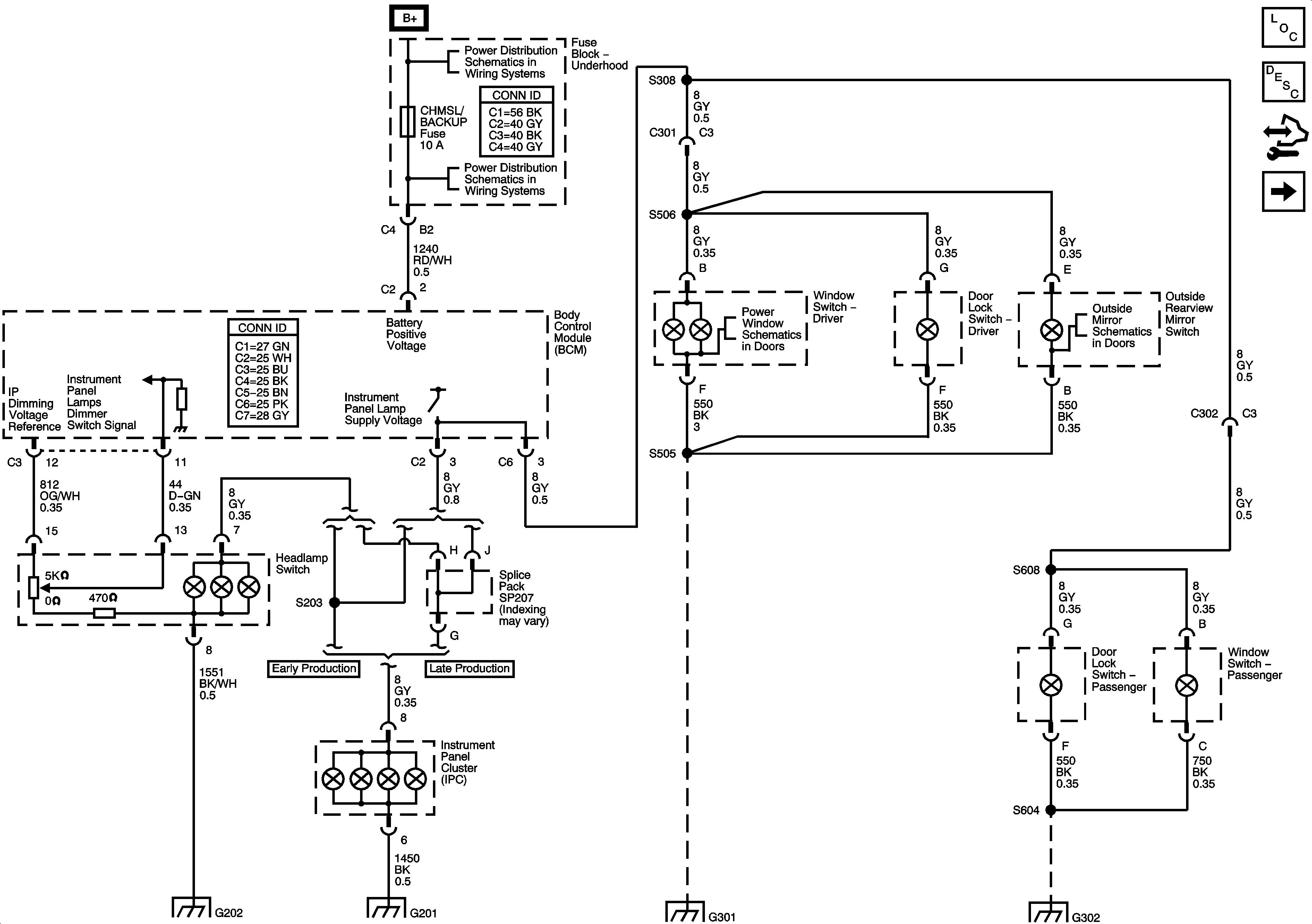
Interior Lighting Systems Description and Operation
Control Module References
Sedan
Fuse Block - Underhood Bussing
Fuse Block - Underhood Bussing
INT LTS/PNL DIM, LT T/SIG RT T/SIG, CHMSL/BACKUP, INT LIGHTS, RVC SEN, and ECM/TCM Fuses
Coupe
Coupe
G202, and G204
G201
G301
G302