GM Service Manual Online
For 1990-2009 cars only
Makes
🢒
Chevrolet
🢒
2006
🢒
Monte Carlo
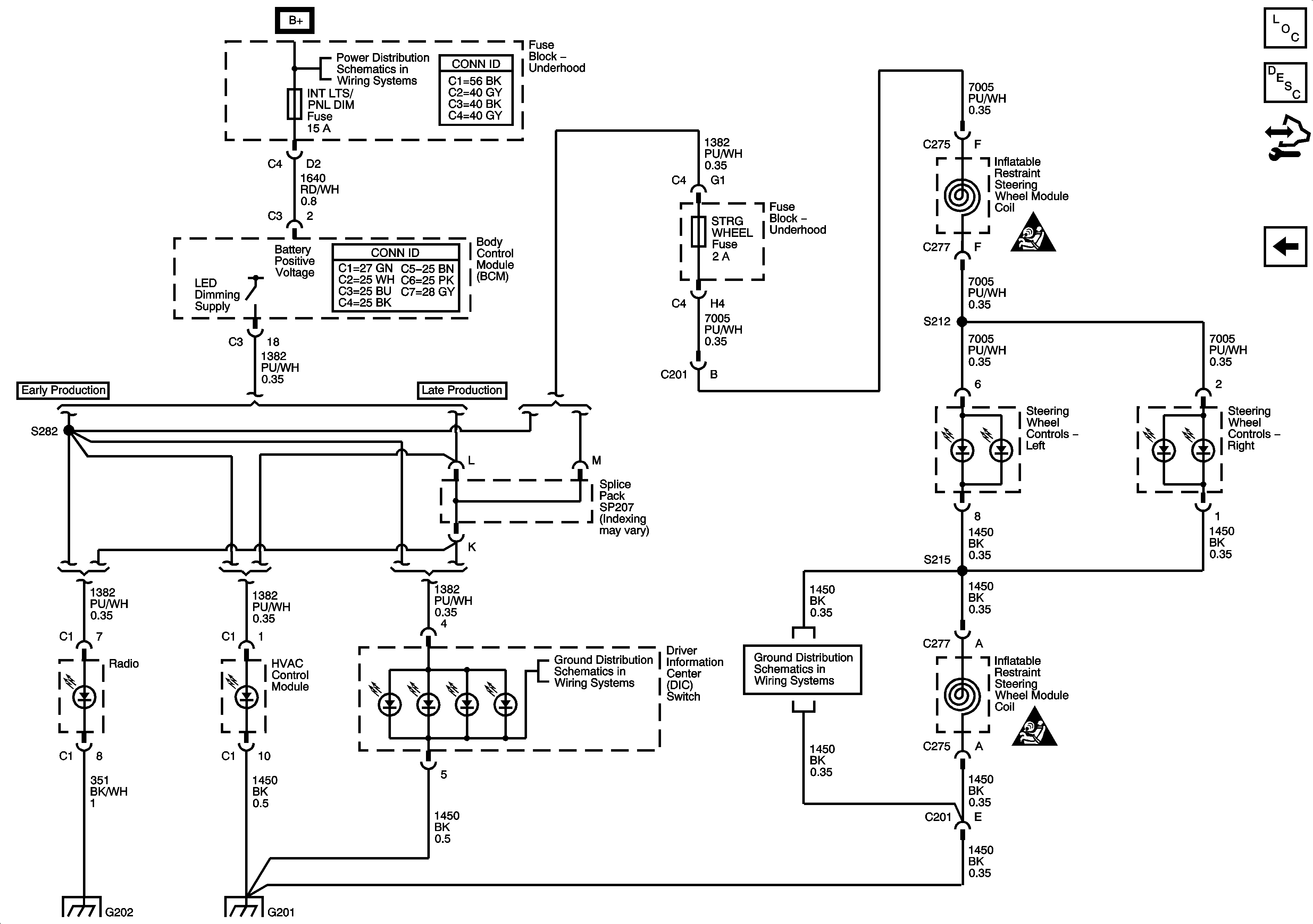
🢒 Radio, HVAC Control Module, Driver Information Center (DIC) Switch, and Steering Wheel Controls
Radio, HVAC Control Module, Driver Information Center (DIC) Switch, and Steering Wheel Controls
Radio, HVAC Control Module, Driver Information Center (DIC) Switch, and Steering Wheel Controls
Master Electrical Component List
Interior Lighting Systems Description and Operation
Control Module References
Sedan
Fuse Block - Underhood Bussing
INT LTS/PNL DIM, LT T/SIG RT T/SIG, CHMSL/BACKUP, INT LIGHTS, RVC SEN, and ECM/TCM Fuses
Lighting Systems Schematic Icons
Lighting Systems Schematic Icons
G201
G201
G202, and G204
G201