GM Service Manual Online
For 1990-2009 cars only
Makes
🢒
Chevrolet
🢒
2006
🢒
Monte Carlo
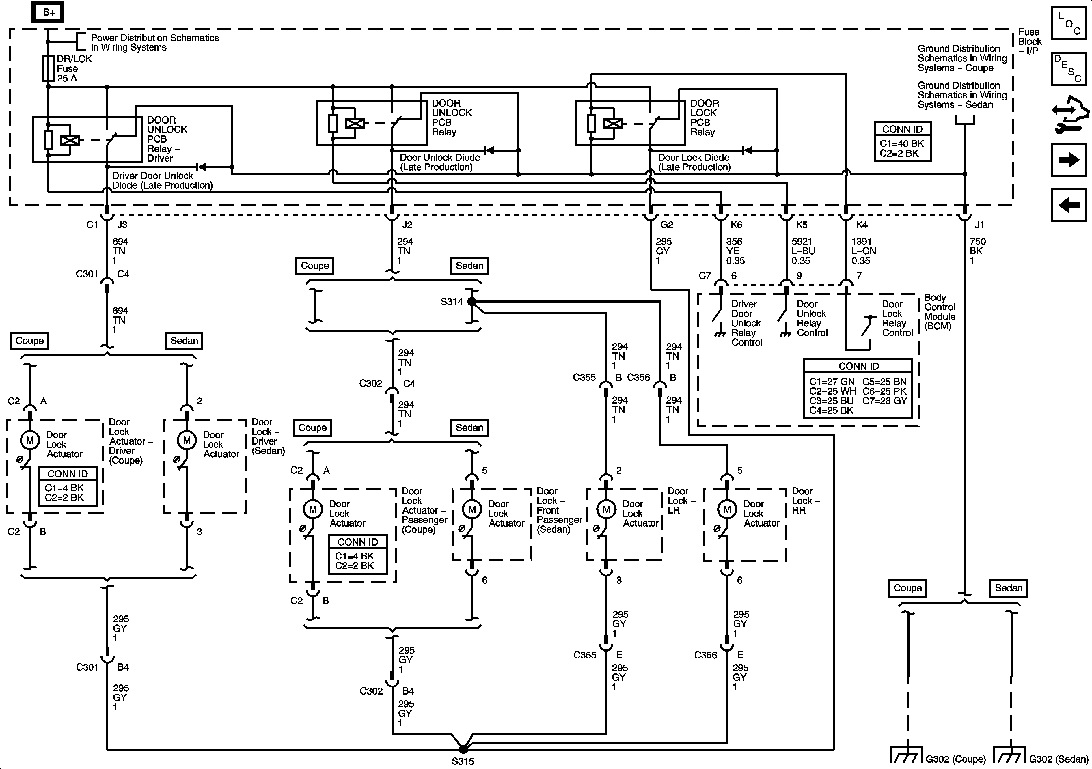
🢒 Door Lock Actuators
Door Lock Actuators
Door Lock Actuators
Master Electrical Component List
Power Door Locks Description and Operation
Control Module References
Door Ajar Indicators
Door Lock Switches
S/ROOF, DR/LCK, RAP MISC Fuses, RAP Relay, DOOR UNLOCK PCB Relay - Driver, DOOR UNLOCK PCB Relay, and DOOR LOCK PCB Relay
S/ROOF, DR/LCK, RAP MISC Fuses, RAP Relay, DOOR UNLOCK PCB Relay - Driver, DOOR UNLOCK PCB Relay, and DOOR LOCK PCB Relay
G302
G302 (Sedan)
G302
G302 (Sedan)