GM Service Manual Online
For 1990-2009 cars only
Figure 1:

Fuse Block - Underhood Bussing


Object Number: 1759825  Size: FS
Master Electrical Component List
Control Module References
SEO 9C1, 9C3
SEO 9C1, 9C3
Figure 2:

SEO 9C1, 9C3


Object Number: 1759828  Size: FS
Master Electrical Component List
Control Module References
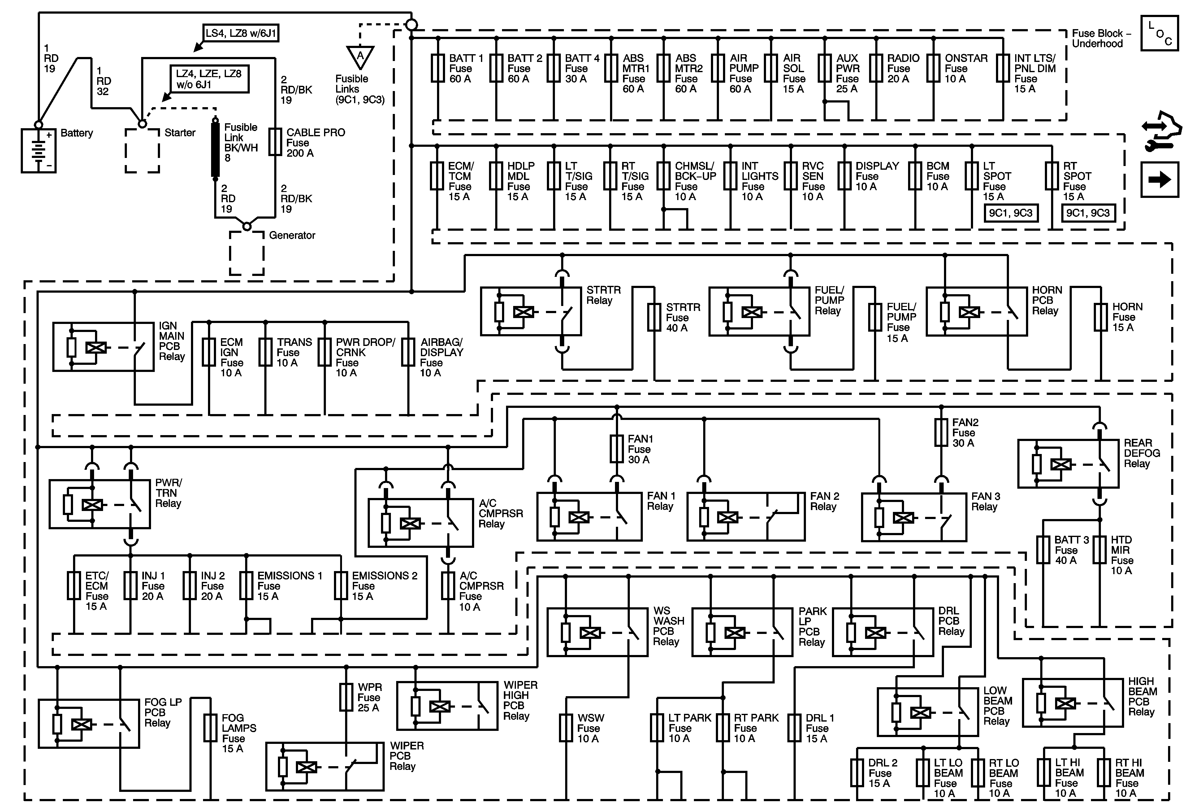
Ignition Switch
Fuse Block - Underhood Bussing
Fuse Block - Underhood Bussing
Figure 3:

Ignition Switch


Object Number: 1759829  Size: FS
Master Electrical Component List
Control Module References
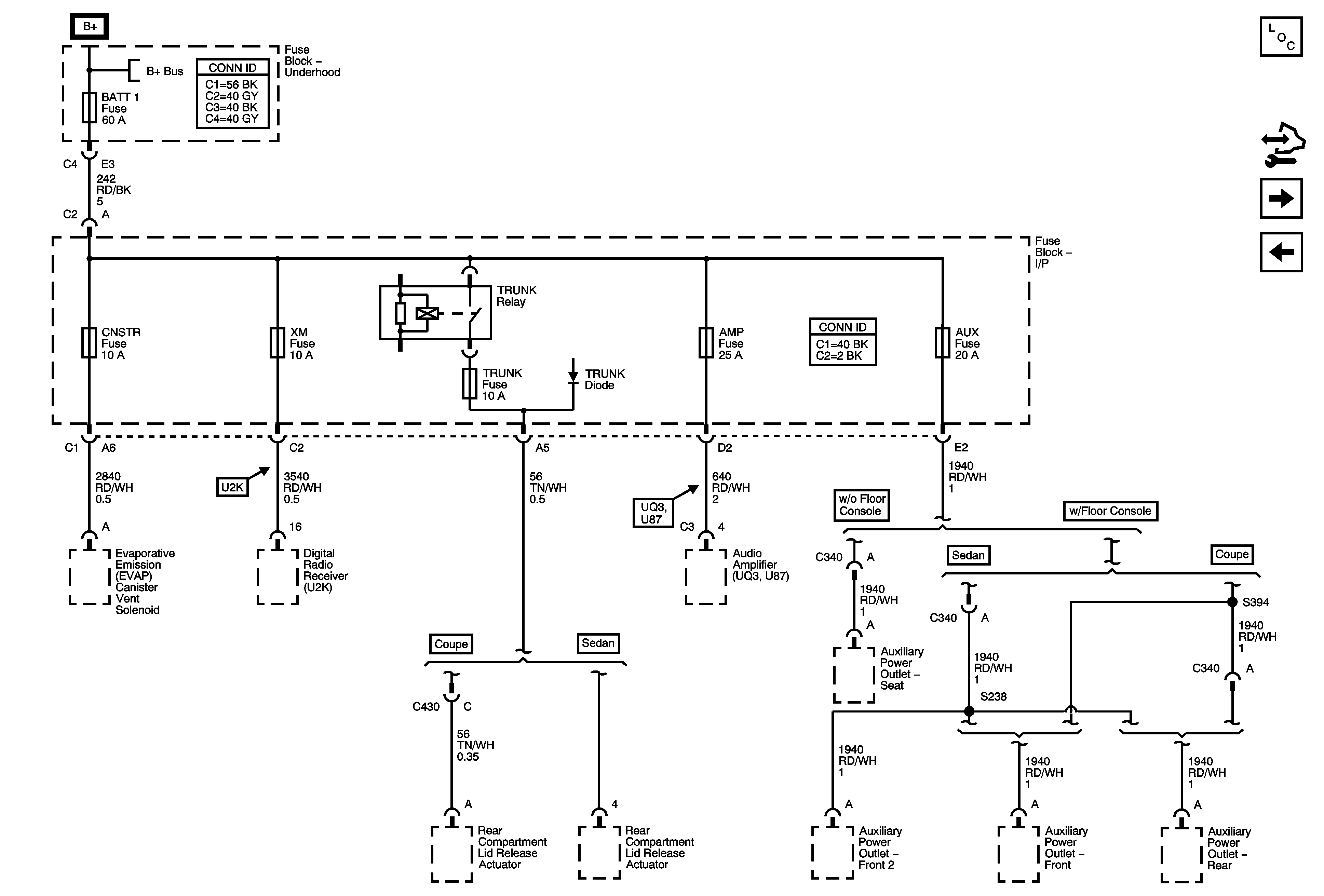
BATT 1, CNSTR, ONSTAR, TRUNK, AMP, AUX Fuses, and TRUNK Relay
SEO 9C1, 9C3
Fuse Block - Underhood Bussing
Fuse Block - Underhood Bussing
Figure 4:

BATT 1, CNSTR, XM, TRUNK, AMP, AUX Fuses, and TRUNK Relay


Object Number: 1759831  Size: FS
Master Electrical Component List
Control Module References
BATT 2, HTD/SEAT, AIRBAG, PWR/MIR Fuses, and PWR/SEAT Circuit Breaker
Ignition Switch
Fuse Block - Underhood Bussing
Fuse Block - Underhood Bussing
Figure 5:

BATT 2, HTD/SEAT, AIRBAG, PWR/MIR Fuses, and PWR/SEAT Circuit Breaker


Object Number: 1759833  Size: FS
Master Electrical Component List
Control Module References
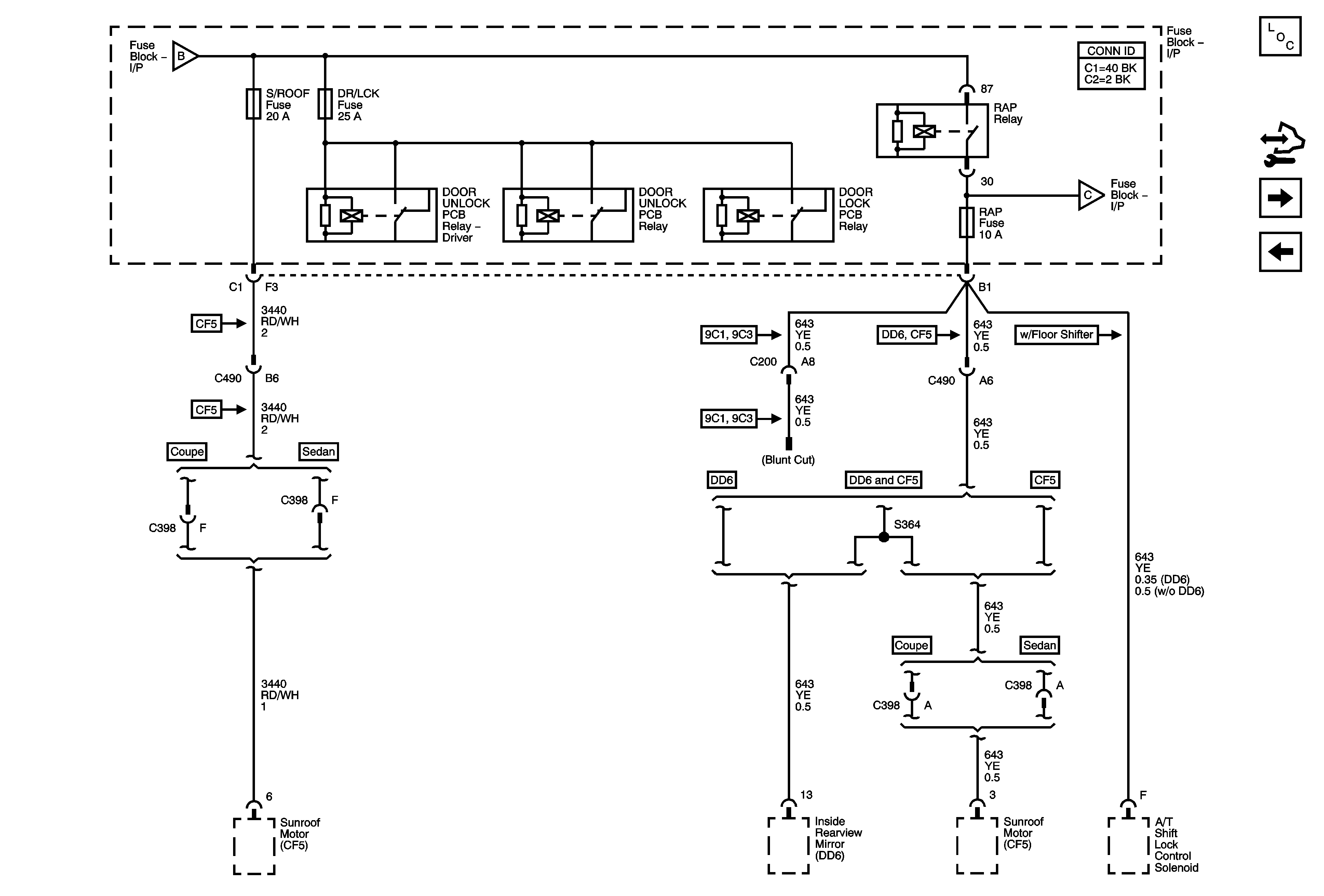
S/ROOF, DR/LCK, RAP Fuses, and RAP Relay, DOOR UNLOCK PCB Relay-Driver, DOOR UNLOCK PCB Relay, and DOOR LOCK PCB Relay
BATT 1, CNSTR, ONSTAR, TRUNK, AMP, AUX Fuses, and TRUNK Relay
Fuse Block - Underhood Bussing
Fuse Block - Underhood Bussing
S/ROOF, DR/LCK, RAP Fuses, and RAP Relay, DOOR UNLOCK PCB Relay-Driver, DOOR UNLOCK PCB Relay, and DOOR LOCK PCB Relay
Power and Grounding Schematic Icons
Power and Grounding Schematic Icons
Figure 6:

S/ROOF, DR/LCK, RAP Fuses and RAP Relay, DOOR UNLOCK PCB Relay - Driver, DOOR UNLOCK PCB Relay, and DOOR LOCK PCB Relay


Object Number: 1759834  Size: FS
Master Electrical Component List
Control Module References
BATT 4, ABS MTR1, ABS MTR2, AUX PWR, RADIO Fuses, and PWR/WNDW Circuit Breaker
BATT 2, HTD/SEAT, AIRBAG, PWR/MIR Fuses, and PWR/SEAT Circuit Breaker
BATT 2, HTD/SEAT, AIRBAG, PWR/MIR Fuses, and PWR/SEAT Circuit Breaker
BATT 4, ABS MTR1, ABS MTR2, AUX PWR, RADIO Fuses, and PWR/WNDW Circuit Breaker
Figure 7:

BATT 4, ABS MTR1, ABS MTR2, AUX PWR, Radio Fuses, and PWR/WNDW Circuit Breaker


Object Number: 1759835  Size: FS
Master Electrical Component List
Control Module References
INT LTS/PNL DIM, LT T/SIG, RT T/SIG, CHMSL/BACKUP, INT LIGHTS, RVC SEN, and ECM/TCM Fuses
S/ROOF, DR/LCK, RAP Fuses, and RAP Relay, DOOR UNLOCK PCB Relay-Driver, DOOR UNLOCK PCB Relay, and DOOR LOCK PCB Relay
S/ROOF, DR/LCK, RAP Fuses, and RAP Relay, DOOR UNLOCK PCB Relay-Driver, DOOR UNLOCK PCB Relay, and DOOR LOCK PCB Relay
Fuse Block - Underhood Bussing
Fuse Block - Underhood Bussing
Sedan
Figure 8:

ONSTAR, INT LTS/PNL DIM, LT T/SIG, RT T/SIG, CHMSL/BCK-UP, INT LIGHTS, RVC SEN, and ECM/TCM Fuses


Object Number: 1759836  Size: FS
Master Electrical Component List
Control Module References
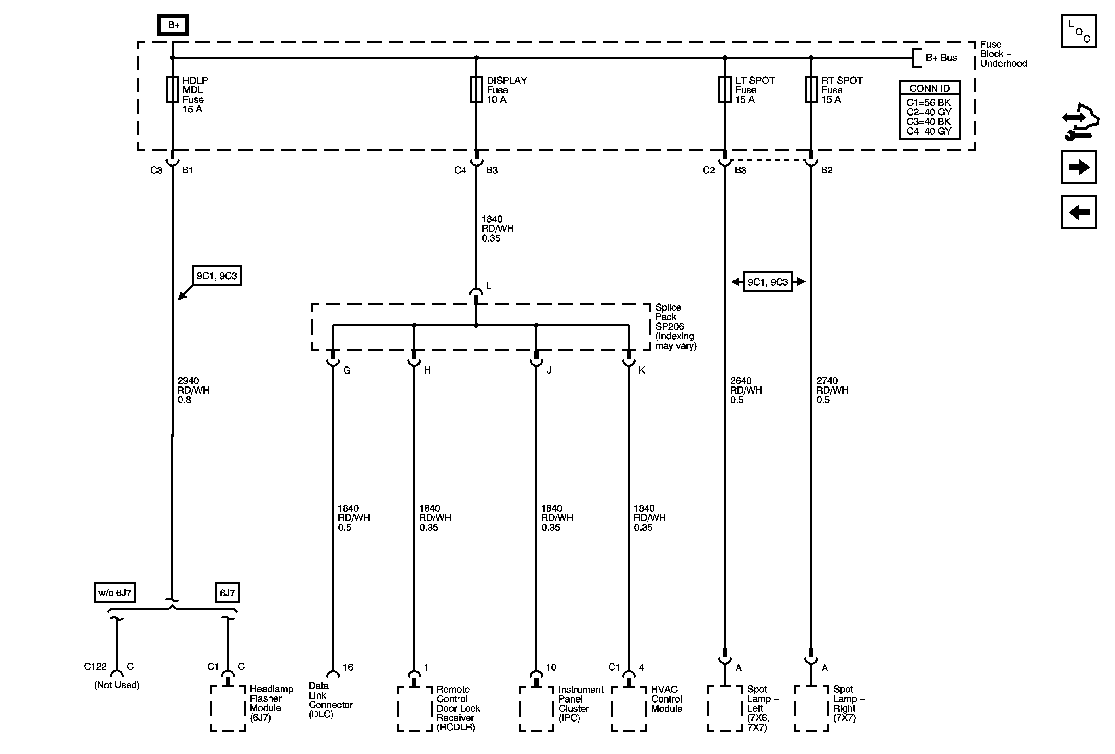
HDLP MDL, DISPLAY, LT SPOT, and RT SPOT Fuses
BATT 4, ABS MTR1, ABS MTR2, AUX PWR, RADIO Fuses, and PWR/WNDW Circuit Breaker
Fuse Block - Underhood Bussing
Fuse Block - Underhood Bussing
Figure 9:

HDLP MDL, DISPLAY, LT SPOT, and RT SPOT Fuses


Object Number: 1759845  Size: FS
Master Electrical Component List
Control Module References
ECM IGN, TRANS, PWR DROP/CRANK, AIRBAG/DISPLAY, STRTR, FUEL/PUMP, and HORN Fuses
INT LTS/PNL DIM, LT T/SIG, RT T/SIG, CHMSL/BACKUP, INT LIGHTS, RVC SEN, and ECM/TCM Fuses
Fuse Block - Underhood Bussing
Fuse Block - Underhood Bussing
Figure 10:

ECM IGN, TRANS, PWR DROP/CRNK, AIRBAG/DISPLAY, STRTR, FUEL/PUMP, and HORN Fuses


Object Number: 1759850  Size: FS
Master Electrical Component List
Control Module References
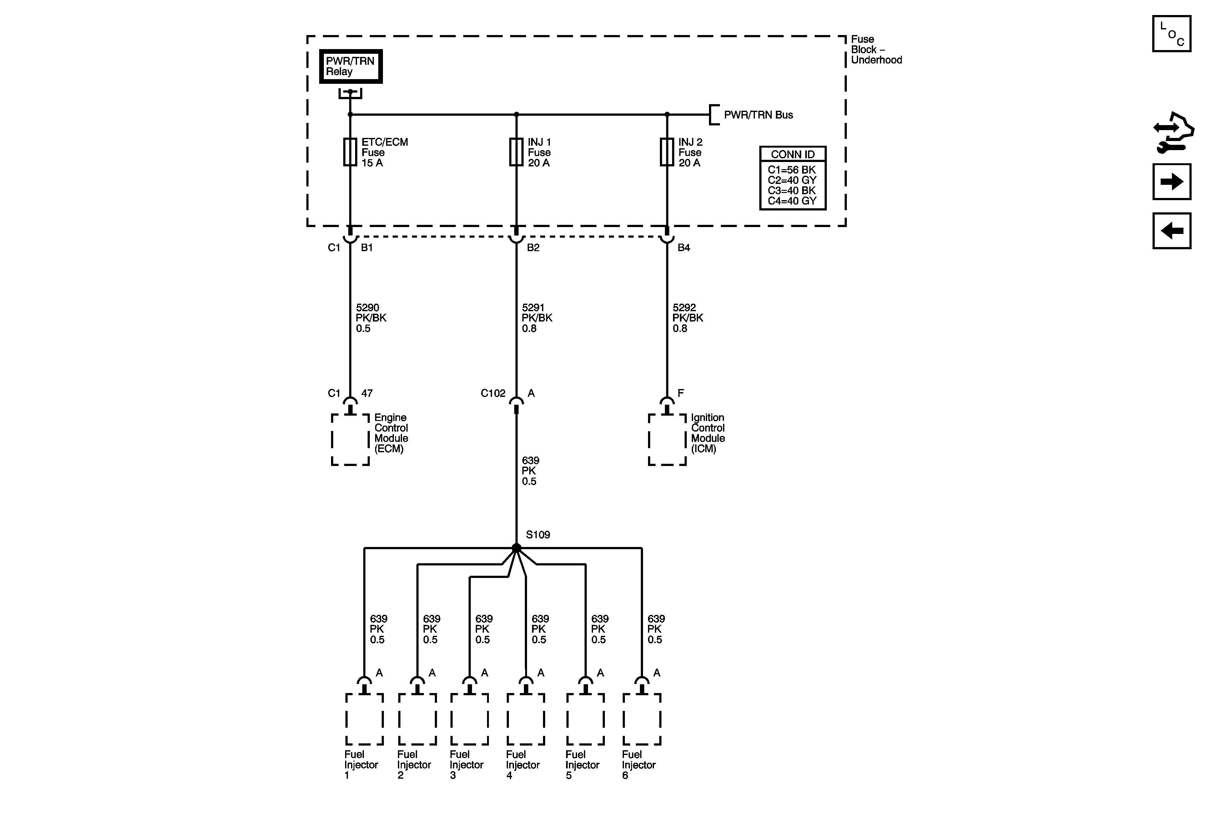
ETC/ECM, INJ 1, INJ 2 Fuses (LZE, LZ4, LZ8)
HDLP MDL, DISPLAY, LT SPOT, and RT SPOT Fuses
Fuse Block - Underhood Bussing
Fuse Block - Underhood Bussing
Fuse Block - Underhood Bussing
Fuse Block - Underhood Bussing
Power and Grounding Schematic Icons
Power and Grounding Schematic Icons
Power and Grounding Schematic Icons
Figure 11:

ETC/ECM, INJ 1, and INJ 2 Fuses (LZE, LZ4, LZ8)


Object Number: 1759859  Size: FS
Master Electrical Component List
Control Module References
ETC/ECM, INJ 1, INJ 2 Fuses (LS4)
ECM IGN, TRANS, PWR DROP/CRANK, AIRBAG/DISPLAY, STRTR, FUEL/PUMP, and HORN Fuses
Fuse Block - Underhood Bussing
Fuse Block - Underhood Bussing
Figure 12:

ETC/ECM, INJ 1, and INJ 2 Fuses (LS4)


Object Number: 1759863  Size: FS
Master Electrical Component List
Control Module References
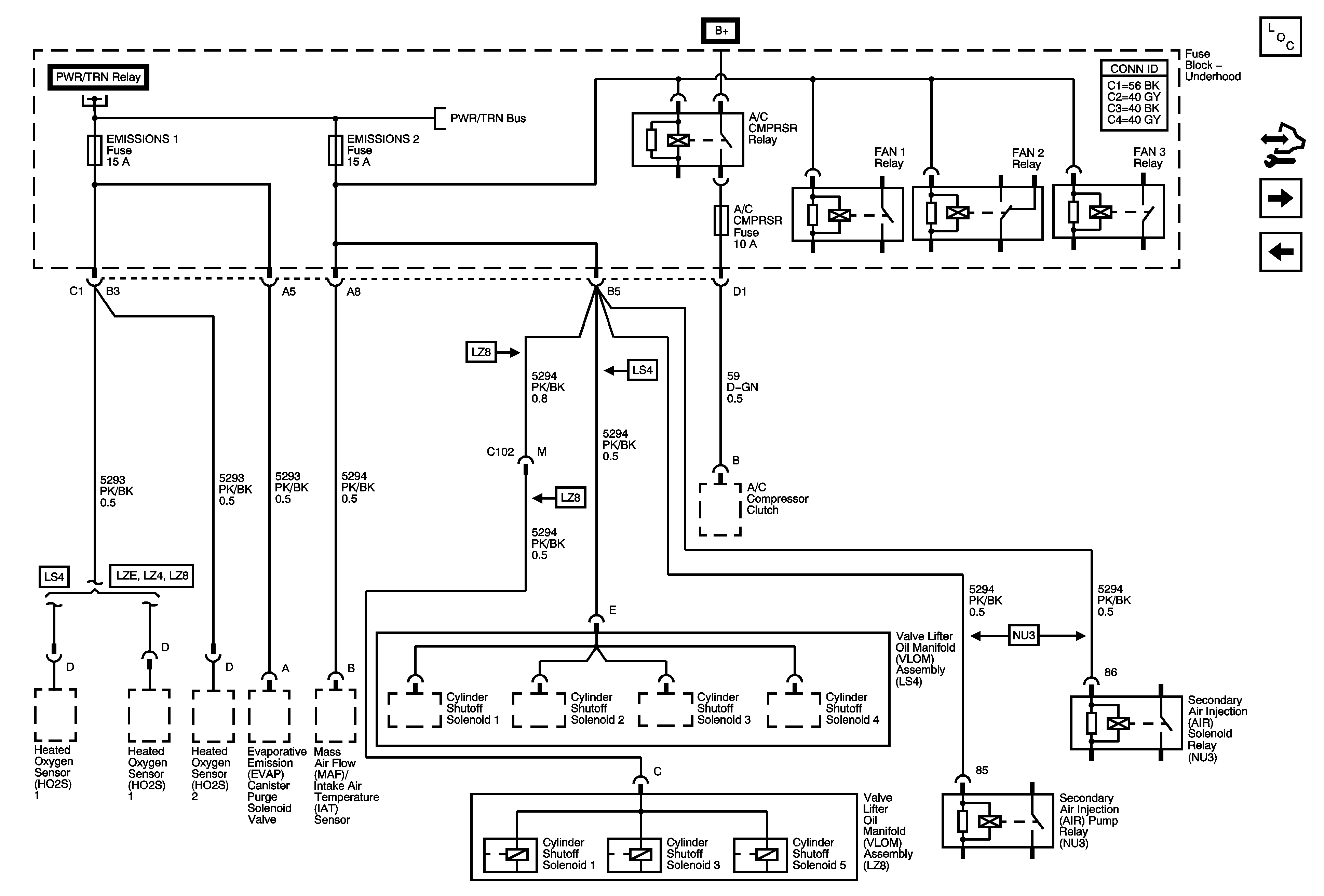
EMISSIONS 1, EMISSIONS 2, A/C CMPRSR Fuses, A/C CMPRSR, FAN 1, FAN 2, and FAN 3 Relays
ETC/ECM, INJ 1, INJ 2 Fuses (LZE, LZ4, LZ8)
Fuse Block - Underhood Bussing
Fuse Block - Underhood Bussing
Figure 13:

EMISSIONS 1, EMISSIONS 2, A/C CMPRSR Fuses, A/C CMPRSR, FAN 1, FAN 2, and FAN 3 Relays


Object Number: 1759869  Size: FS
Master Electrical Component List
Control Module References
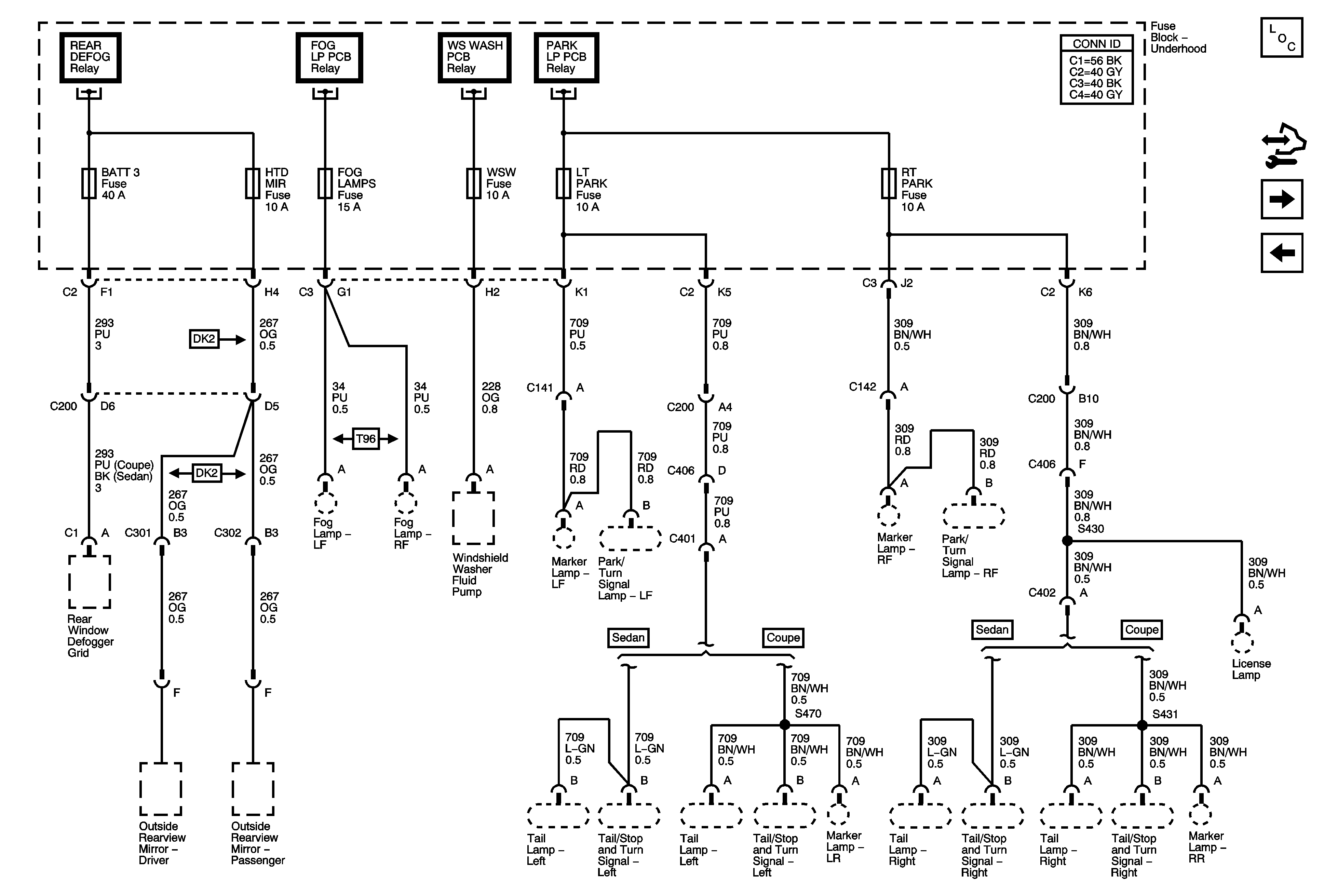
BATT 3, HTD MIR, FOG LAMPS, WSW, LT PARK, and RT PARK Fuses
ETC/ECM, INJ 1, INJ 2 Fuses (LS4)
Fuse Block - Underhood Bussing
Fuse Block - Underhood Bussing
Fuse Block - Underhood Bussing
Figure 14:

BATT 3, HTD MIR, FOG LAMPS, WSW, LT PARK, and RT PARK Fuses


Object Number: 1759879  Size: FS
Master Electrical Component List
Control Module References
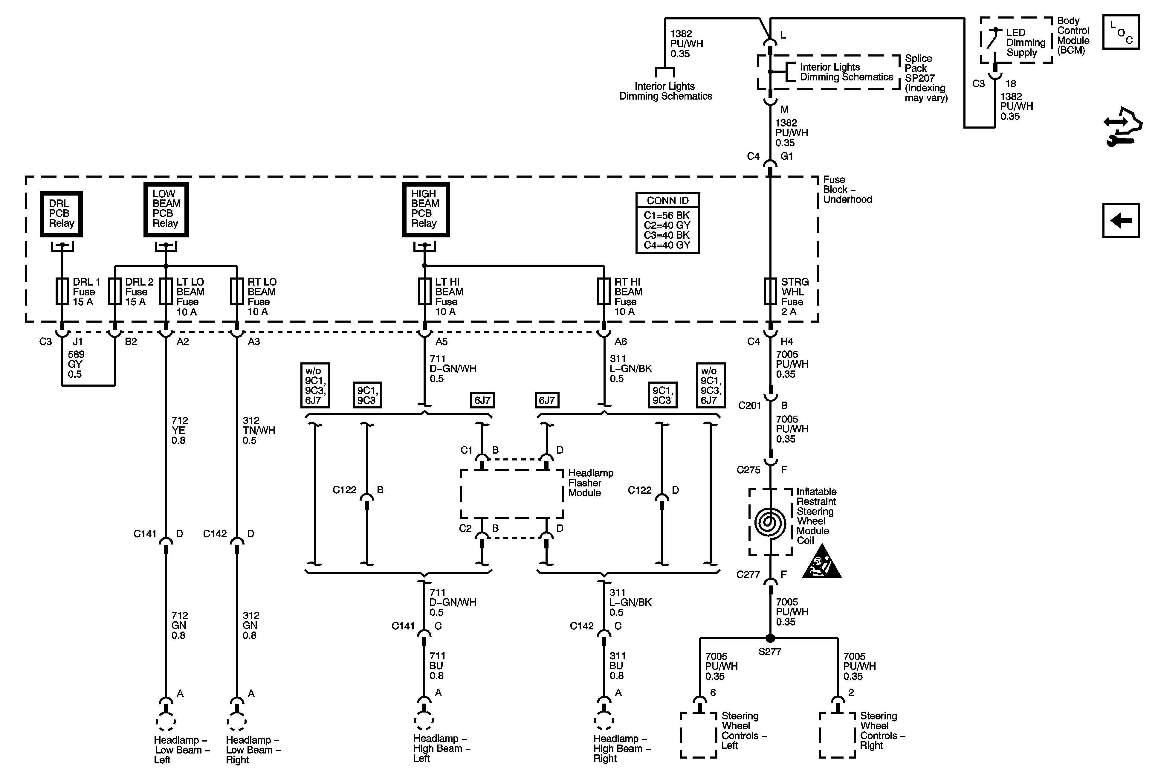
DRL 1, DRL 2, LT LO BEAM, RT LO BEAM, LT HI BEAM, RT HI BEAM, and STRG WHL Fuses
EMISSIONS 1, EMISSIONS 2, A/C CMPRSR Fuses, A/C CMPRSR, FAN 1, FAN 2, and FAN 3 Relays
Fuse Block - Underhood Bussing
Fuse Block - Underhood Bussing
Fuse Block - Underhood Bussing
Fuse Block - Underhood Bussing
Figure 15:

DRL 1, DRL 2, LT LO BEAM, RT LO BEAM, LT HI BEAM, RT HI BEAM, and STRG WHL Fuses


Object Number: 1759886  Size: FS
Master Electrical Component List
Control Module References
BATT 3, HTD MIR, FOG LAMPS, WSW, LT PARK, and RT PARK Fuses
Radio, HVAC Control Module, Driver Information Center (DIC) Switch, and Steering Wheel Controls
Radio, HVAC Control Module, Driver Information Center (DIC) Switch, and Steering Wheel Controls
Fuse Block - Underhood Bussing
Fuse Block - Underhood Bussing
Fuse Block - Underhood Bussing
Power and Grounding Schematic Icons