GM Service Manual Online
For 1990-2009 cars only

Tools Required

J 39505 Torque Wrench Adapter

Removal Procedure


    Object Number: 1556785  Size: SH
  1. Disconnect the negative battery cable. Refer to Battery Negative Cable Disconnection and Connection .
  2. Remove the engine mount struts. Refer to Engine Mount Strut Replacement .
  3. Install the engine support fixture. Refer to Engine Support Fixture .
  4. Remove the catalytic converter. Refer to Catalytic Converter Replacement .
  5. Remove the oil pan drain plug.
  6. Drain the crankcase.
  7. Reinstall the oil pan drain plug.
  8. Remove the oil filter adapter. Refer to Oil Filter Adapter and Bypass Valve Assembly Replacement .
  9. Remove the starter. Refer to Starter Motor Replacement .

  10. Object Number: 1608216  Size: SH
  11. Remove the air conditioning (A/C) compressor nut and bolt.

  12. Object Number: 1608220  Size: SH
  13. Remove the A/C compressor rear bolt and position the compressor aside.

  14. Object Number: 1609295  Size: SH
  15. Disconnect the oil level sensor electrical connector.
  16. Remove the engine harness clips from the oil pan and the transaxle brace.

  17. Object Number: 1609662  Size: SH
  18. Remove the front transaxle brace to engine bolts and the brace.

  19. Object Number: 1607922  Size: SH
  20. Remove the engine mount lower nuts.
  21. Loosen the transaxle mount lower nuts. Refer to Transmission Mount Replacement - Left Side .

  22. Object Number: 1609665  Size: SH
  23. Remove the rear transaxle brace to engine/oil pan bolts.
  24. Lower the vehicle.
  25. Using the engine support fixture, raise the engine.
  26. Raise the engine.
  27. Remove the steering shaft intermediate pinch bolt. Refer to Intermediate Steering Shaft Replacement .

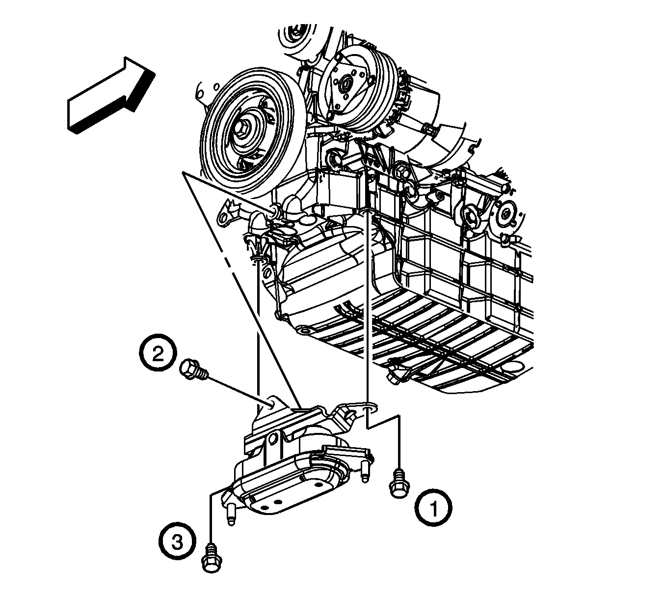
  28. Object Number: 1607926  Size: SH
  29. Remove the engine mount bracket bolts.
  30. Remove the engine mount and bracket.
  31. Remove the right side lower ball joint from the steering knuckle. Refer to Lower Control Arm Ball Joint Replacement .
  32. Remove the right side outer tie rod from the steering knuckle. Refer to Rack and Pinion Outer Tie Rod End Replacement .
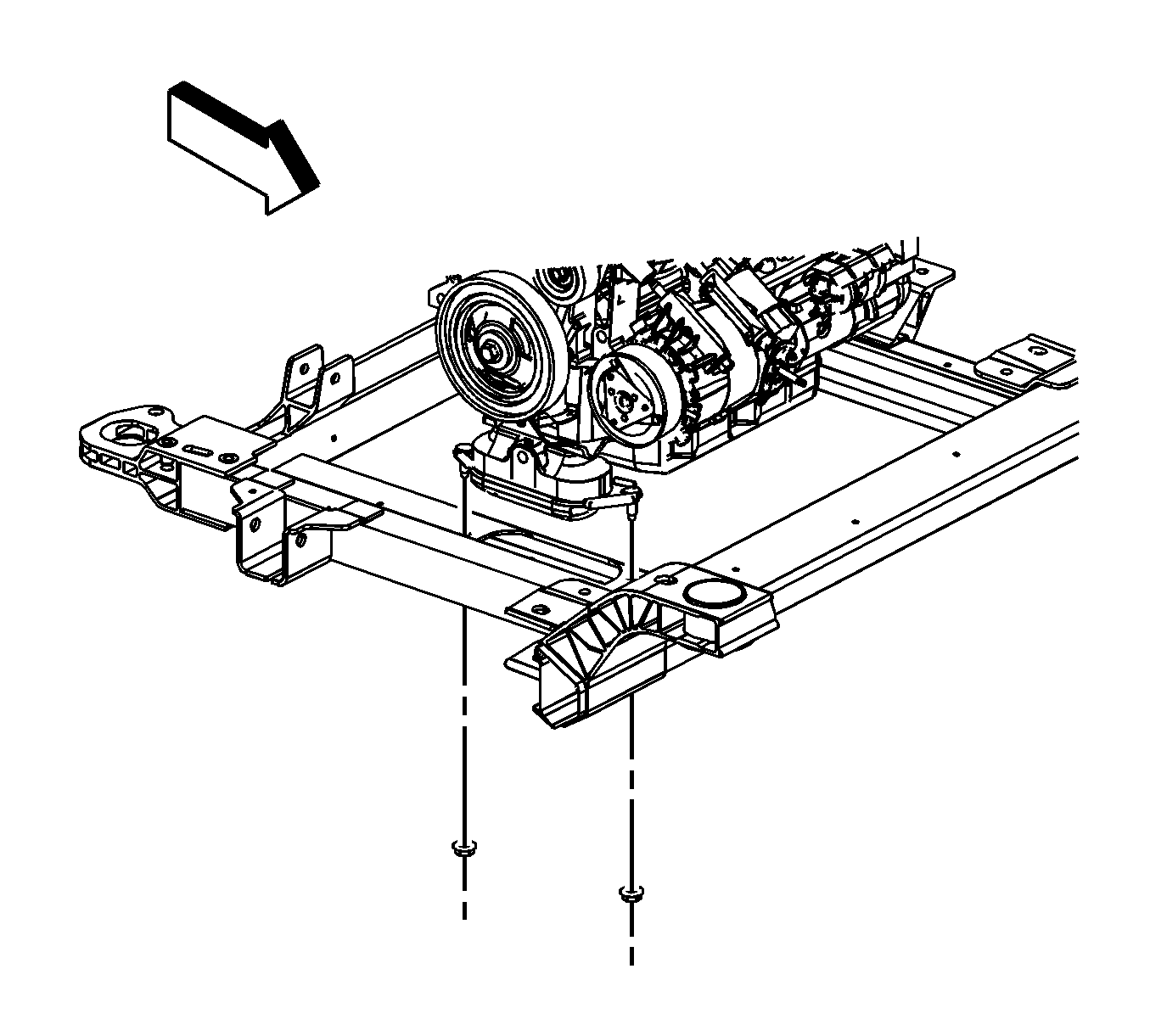
  33. Remove the right side stabilizer link. Refer to Stabilizer Shaft Link Replacement .
  34. Install the jackstands to the frame.
  35. Remove the right side frame bolts and loosen the left side frame bolts. Refer to Frame Replacement .
  36. Using the jackstands lower the right side of the frame.

  37. Object Number: 1583199  Size: SH
  38. Using the J 39505 , remove the right side oil pan side bolts.
  39. Remove the left side oil pan side bolts (1).
  40. Remove the oil pan bolts (2).
  41. Remove the oil pan.
  42. Remove the oil pan gasket.
  43. Clean the following items:
  44. • The oil pan flanges
    • The oil pan rail
    • The front cover
    • The rear main bearing cap
    • The threaded holes

Installation Procedure


    Object Number: 61840  Size: SH
  1. Apply sealer to both sides of the crankshaft rear main bearing cap (1). Refer to Adhesives, Fluids, Lubricants, and Sealers . Press the sealer into the gap using a putty knife.

  2. Object Number: 1583199  Size: SH
  3. Install a NEW oil pan gasket.
  4. Position the oil pan to the engine.
  5. Notice: Refer to Fastener Notice in the Preface section.

  6. Install the oil pan bolts (2).
  7. Tighten
    Tighten the bolts to 25 N·m (18 lb ft).

  8. Install the left side oil pan side bolts (1).
  9. Using the J 39505 , install the right side oil pan side bolts.
  10. Tighten
    Tighten the bolts to 50 N·m (37 lb ft).


    Object Number: 1607926  Size: SH
  11. Using the jackstands raise the right side of the frame to the original position.
  12. Install the right side frame bolts and tighten the left and right side frame bolts. Refer to Frame Replacement .
  13. Remove the jackstands from under the frame.
  14. Install the right side stabilizer link. Refer to Stabilizer Shaft Link Replacement .
  15. Install the right side outer tie rod to the steering knuckle. Refer to Rack and Pinion Outer Tie Rod End Replacement .
  16. Install the right side lower ball joint to the steering knuckle. Refer to Lower Control Arm Ball Joint Replacement .
  17. Position the engine mount and bracket to the oil pan.
  18. Install the engine mount bracket bolts.
  19. Tighten
    Tighten the bolts to 50 N·m (37 lb ft).


    Object Number: 1609665  Size: SH
  20. Install the steering shaft intermediate pinch bolt. Refer to Intermediate Steering Shaft Replacement .
  21. Lower the vehicle.
  22. Using the engine support fixture, lower the engine.
  23. Raise the vehicle.
  24. Install the rear transaxle brace to engine/oil pan bolts.
  25. Tighten
    Tighten the bolts to 63 N·m (46 lb ft).


    Object Number: 1607922  Size: SH
  26. Install the engine mount lower nuts.
  27. Tighten
    Tighten the nuts to 50 N·m (37 lb ft).

  28. Tighten the transaxle mount lower nuts. Refer to Transmission Mount Replacement - Left Side .

  29. Object Number: 1609662  Size: SH
  30. Install the front transaxle brace and the brace to engine bolts.
  31. Tighten
    Tighten the bolts to 63 N·m (46 lb ft).


    Object Number: 1609295  Size: SH
  32. Connect the oil level sensor electrical connector.
  33. Install the engine harness clips to the oil pan and the transaxle brace.

  34. Object Number: 1608216  Size: SH
  35. Position the A/C compressor, and install the A/C compressor nut and bolt.
  36. Tighten
    Tighten the bolt/nut to 50 N·m (37 lb ft).


    Object Number: 1608220  Size: SH
  37. Install the A/C compressor rear bolt.
  38. Tighten
    Tighten the bolt to 50 N·m (37 lb ft).

  39. Install the starter. Refer to Starter Motor Replacement .
  40. Install the oil filter adapter. Refer to Oil Filter Adapter and Bypass Valve Assembly Replacement .
  41. Install the catalytic converter. Refer to Catalytic Converter Replacement .
  42. Lower the vehicle.
  43. Remove the engine support fixture.
  44. Install the engine mount struts. Refer to Engine Mount Strut Replacement .
  45. Fill the crankcase with new engine oil.
  46. Connect the negative battery cable. Refer to Battery Negative Cable Disconnection and Connection .