GM Service Manual Online
For 1990-2009 cars only
Makes
🢒
Chevrolet
🢒
2007
🢒
Monte Carlo
🢒
Power and Signal Distribution
🢒
Power Outlets
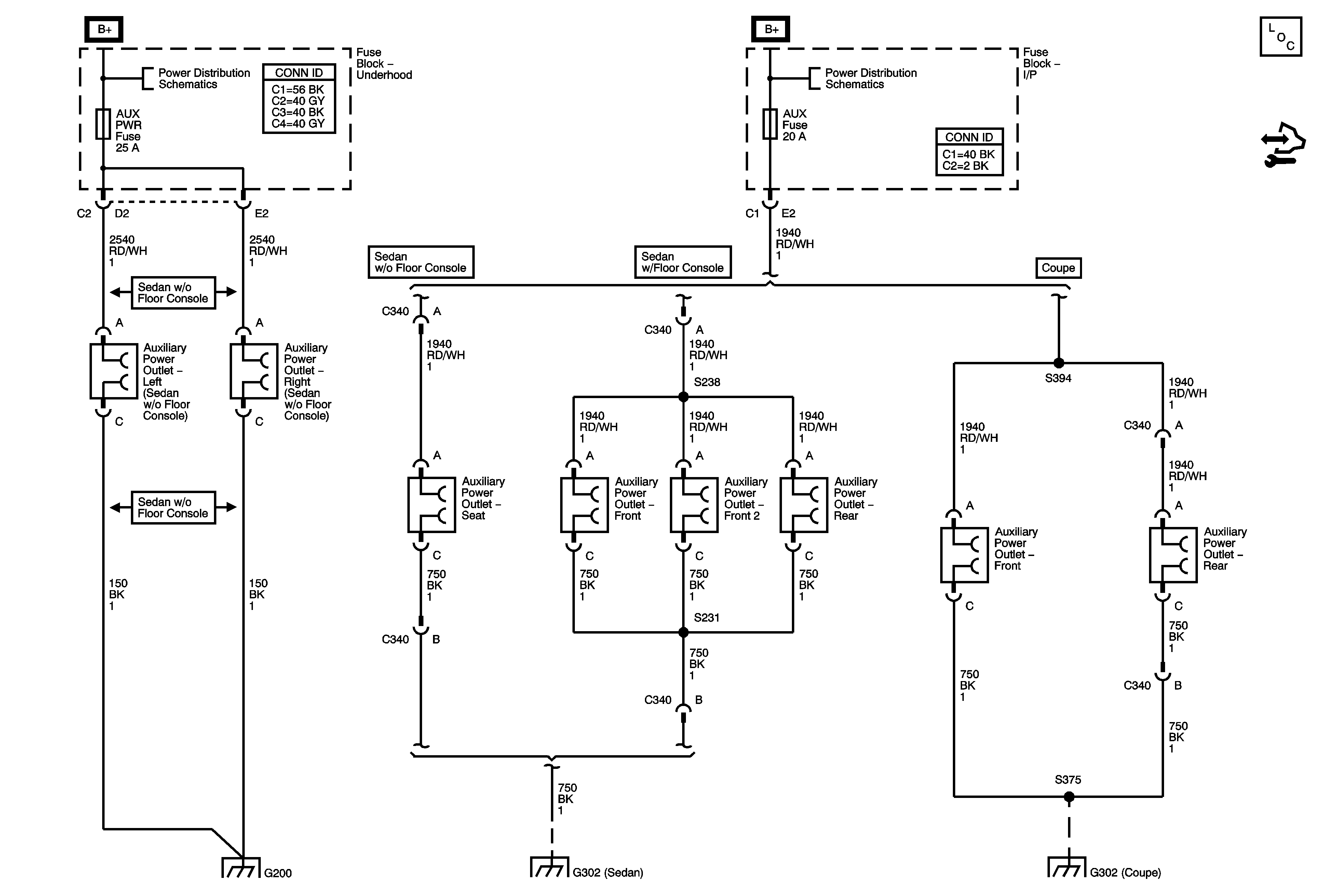
🢒 Cigar Lighter/Power Outlet Schematics
Master Electrical Component List
Control Module References
Fuse Block - Underhood Bussing
BATT 4, ABS MTR1, ABS MTR2, AUX PWR, RADIO Fuses, and PWR/WNDW Circuit Breaker
BATT 1, CNSTR, ONSTAR, TRUNK, AMP, AUX Fuses, and TRUNK Relay
BATT 1, CNSTR, ONSTAR, TRUNK, AMP, AUX Fuses, and TRUNK Relay
G200
G302 (Sedan)
G302 (Coupe)