GM Service Manual Online
For 1990-2009 cars only
Makes
🢒
Chevrolet
🢒
2007
🢒
Monte Carlo
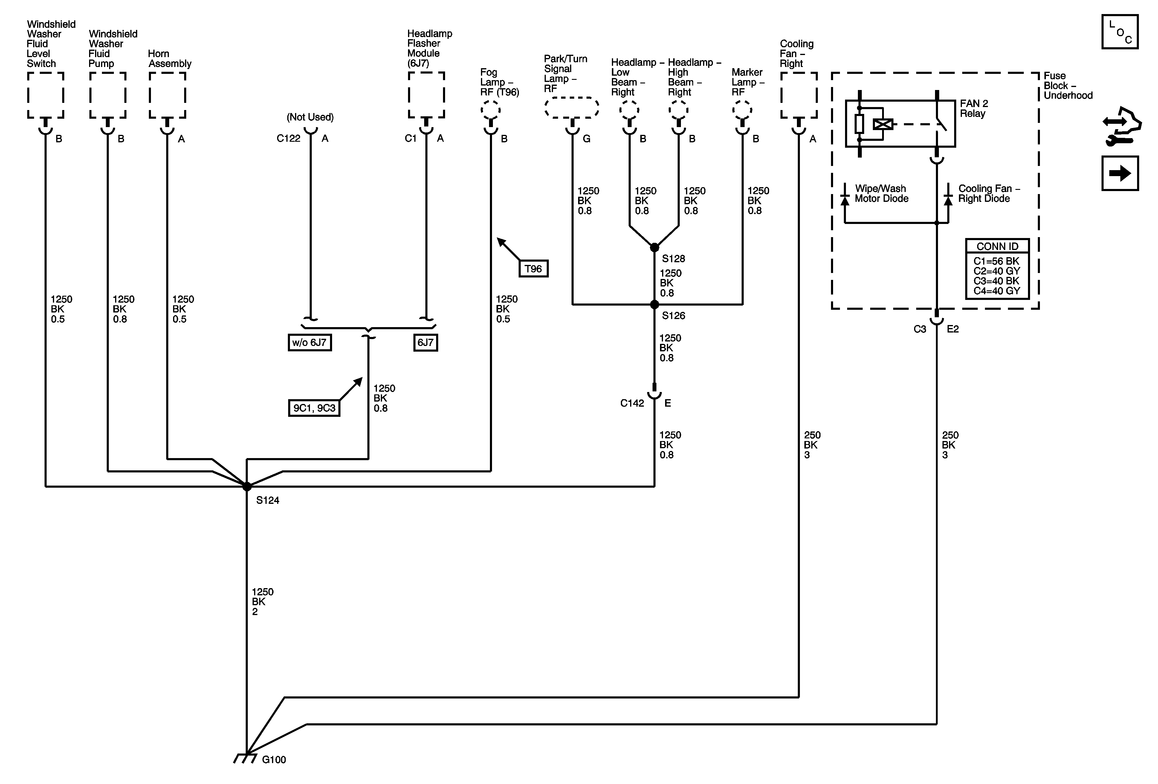
🢒 G100
G100
G100
Master Electrical Component List
Control Module References
G101, G102, and G111