GM Service Manual Online
For 1990-2009 cars only
Makes
🢒
Chevrolet
🢒
2007
🢒
Monte Carlo
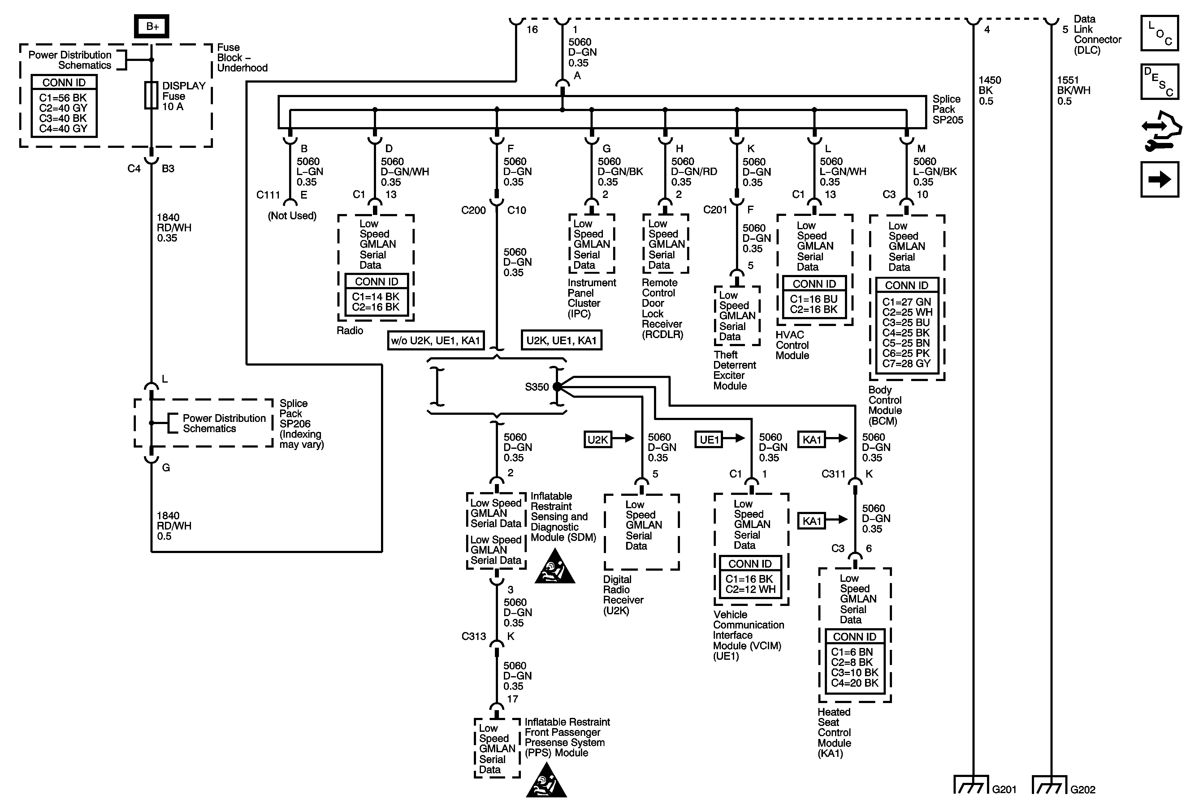
🢒 Power, Ground, and Low Speed GMLAN Serial Data
Power, Ground, and Low Speed GMLAN Serial Data
Power, Ground, and Low Speed GMLAN Serial Data
Master Electrical Component List
Data Link Communications Description and Operation
Control Module References
High Speed GMLAN Serial Data
Fuse Block - Underhood Bussing
Fuse Block - Underhood Bussing
HDLP MDL, DISPLAY, LT SPOT, and RT SPOT Fuses
Data Communication Schematic Icons
Data Communication Schematic Icons
G201
G202 and G204