GM Service Manual Online
For 1990-2009 cars only
Makes
🢒
Chevrolet
🢒
2007
🢒
Monte Carlo
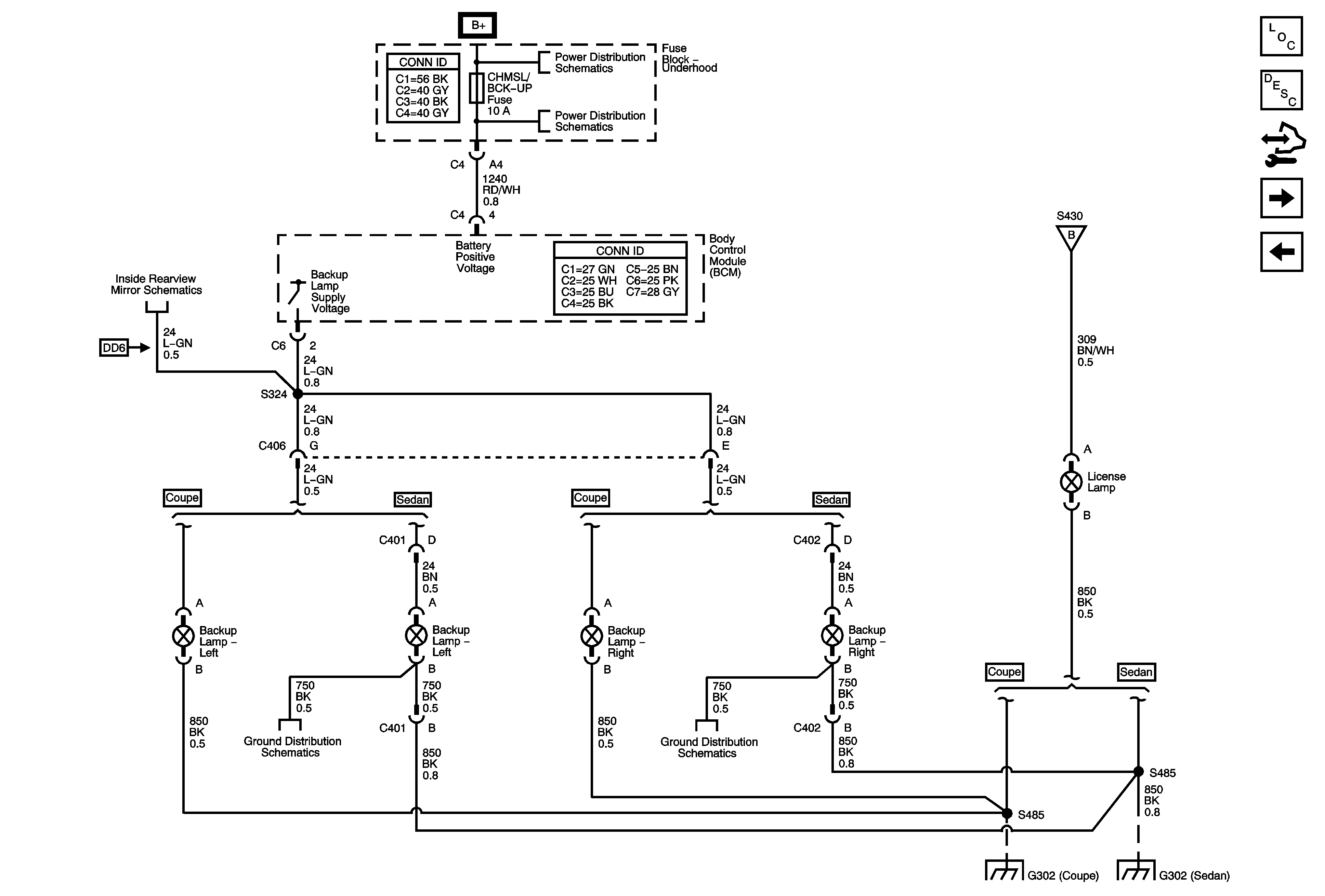
🢒 Backup and License Lamps
Backup and License Lamps
Backup and License Lamps
Master Electrical Component List
Exterior Lighting Systems Description and Operation
Control Module References
Emergency Vehicle Rear Compartment Lid Lamps and Spot Lamps - T53, 7X6, 7X7
Park Lamps (2 of 2)
Fuse Block - Underhood Bussing
Fuse Block - Underhood Bussing
INT LTS/PNL DIM, LT T/SIG, RT T/SIG, CHMSL/BACKUP, INT LIGHTS, RVC SEN, and ECM/TCM Fuses
Inside Rearview Mirror Schematics
Park Lamps (2 of 2)
G302 (Sedan)
G302 (Sedan)
G302 (Coupe)
G302 (Sedan)