GM Service Manual Online
For 1990-2009 cars only
Makes
🢒
Chevrolet
🢒
2007
🢒
Monte Carlo
🢒 Sedan
Sedan
Sedan
Master Electrical Component List
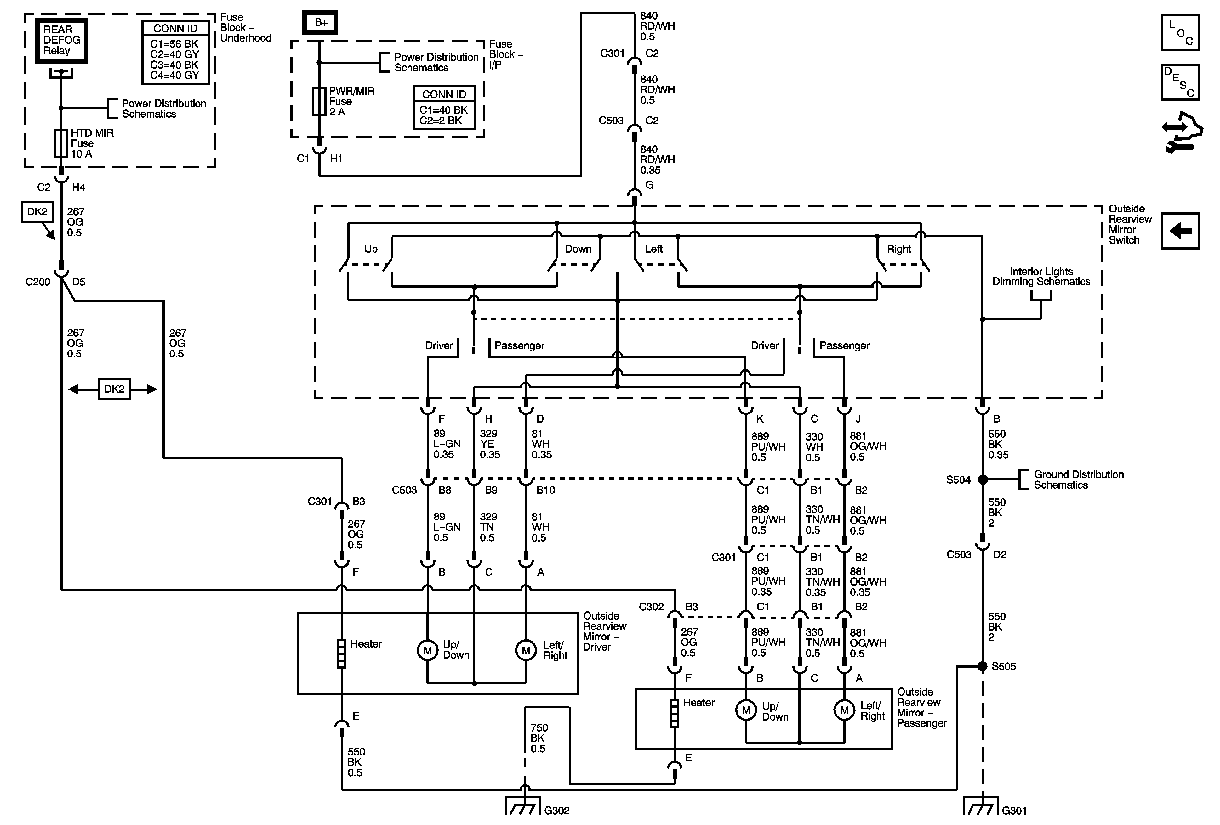
Outside Mirror Description and Operation
Control Module References
Coupe
Defogger Schematics
Fuse Block - Underhood Bussing
BATT 2, HTD/SEAT, AIRBAG, PWR/MIR Fuses, and PWR/SEAT Circuit Breaker
BATT 2, HTD/SEAT, AIRBAG, PWR/MIR Fuses, and PWR/SEAT Circuit Breaker
Sedan
G301
G302 (Sedan)
G301