GM Service Manual Online
For 1990-2009 cars only
Makes
🢒
Chevrolet
🢒
2004
🢒
Optra
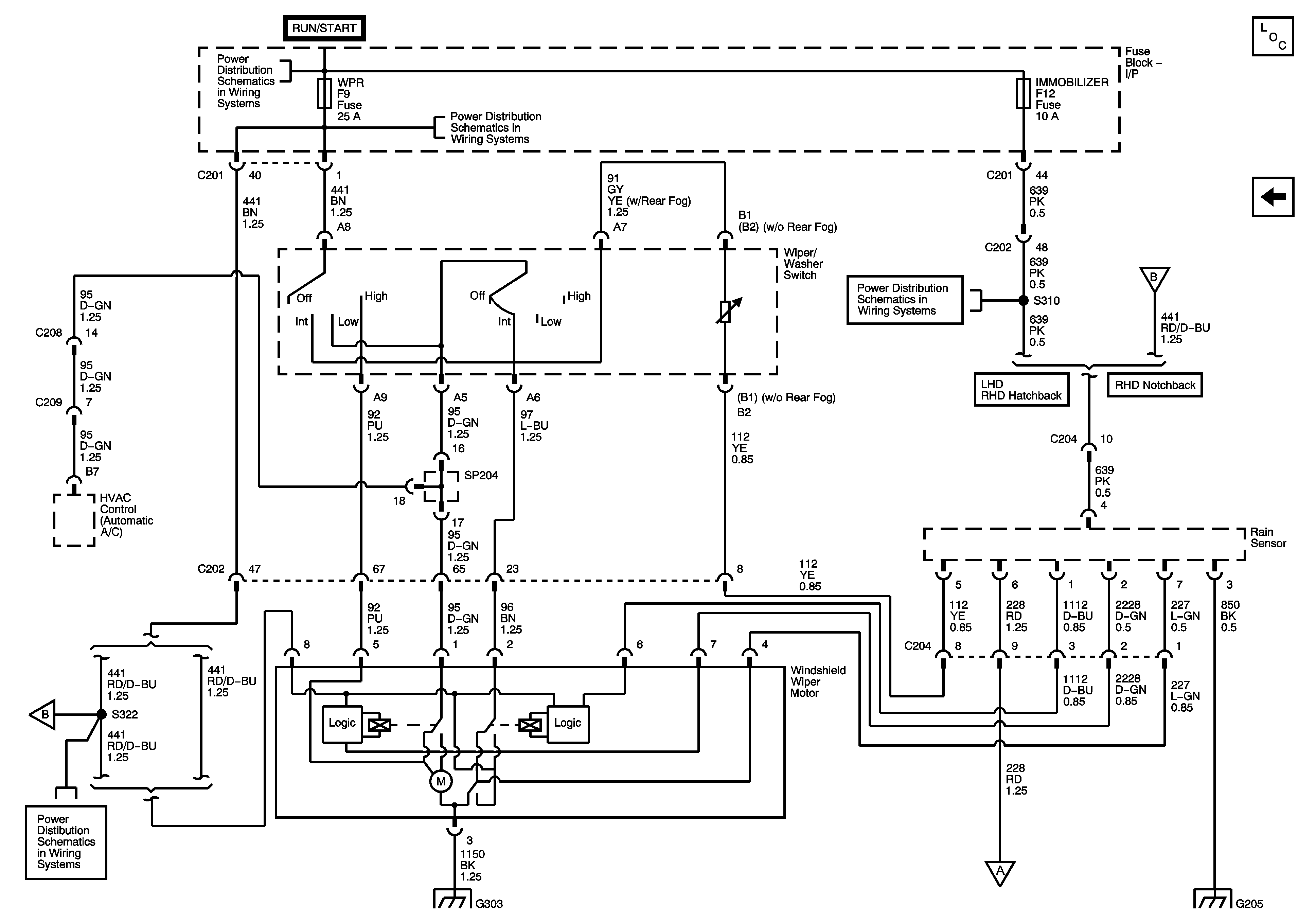
🢒 Front Wipers (w/ Rain Sensor)
Front Wipers (w/ Rain Sensor)
Front Wipers (w/ Rain Sensor)
Master Electrical Component List
Front and Rear Washers/Rear Wiper
I/P Fuse Block - CLSTR, AIR BAG, BCK/UP, and ENG FUSE BOX DRL Fuses
I/P Fuse Block - CLSTR, AIR BAG, BCK/UP, and ENG FUSE BOX DRL Fuses
I/P Fuse Block - CLSTR, AIR BAG, BCK/UP, and ENG FUSE BOX DRL Fuses
Front and Rear Washers/Rear Wiper