GM Service Manual Online
For 1990-2009 cars only
Makes
🢒
Chevrolet
🢒
2008
🢒
Optra
🢒
Body Systems
🢒
Fixed and Moveable Windows
🢒 Moveable Window Schematics
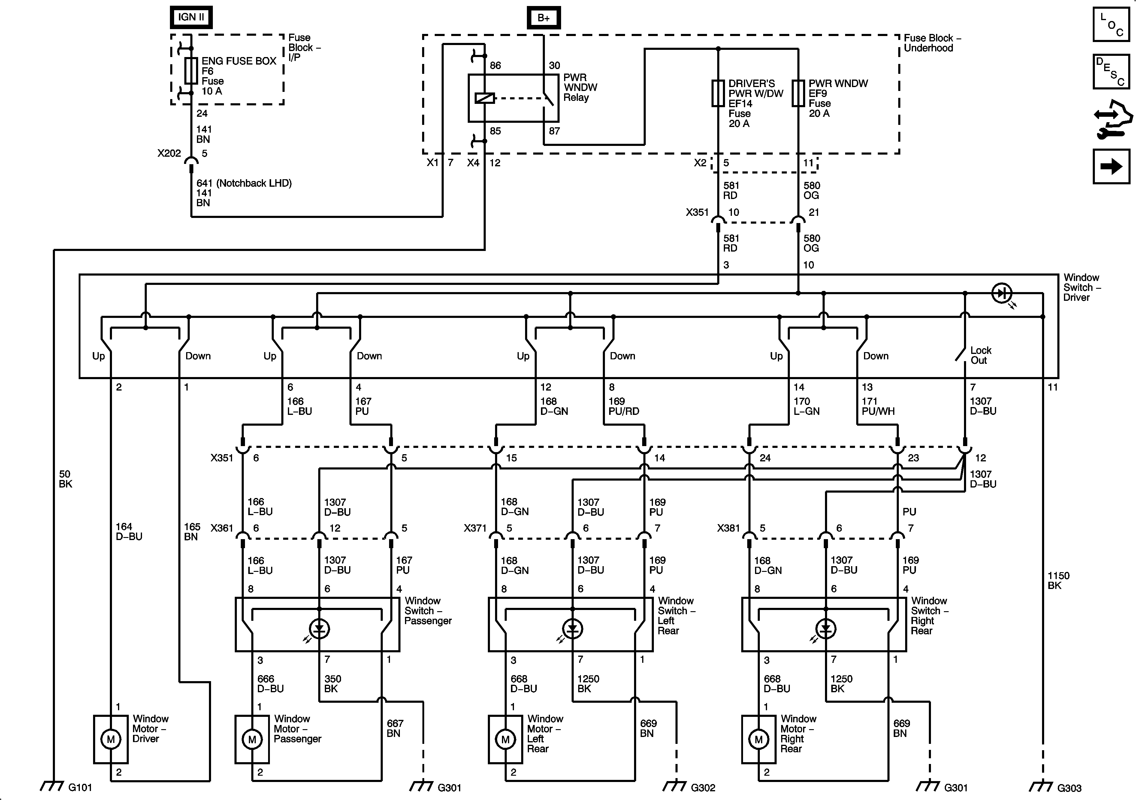
Figure
1:
Front/Rear Power Windows
Master Electrical Component List
Control Module References
Front Power Windows
Fuse Block - Underhood B+ Bus, 1 of 3
G101
G101
G204, G301
G203
G204, G301
G204, G301
G101
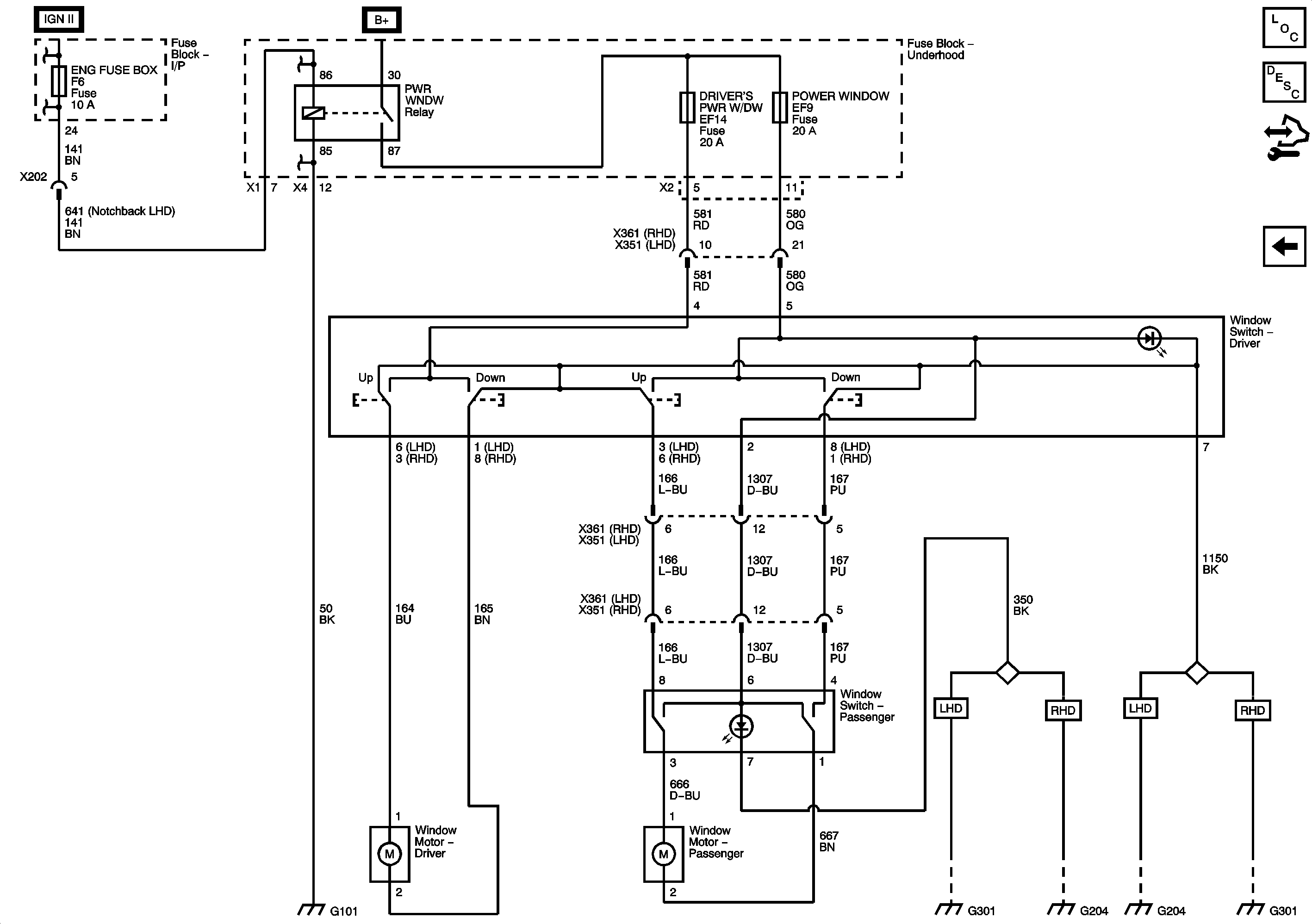
Figure
2:
Front Power Windows
Master Electrical Component List
Control Module References
Front/Rear Power Windows
Fuse Block - Underhood B+ Bus, 1 of 3
G101
G204, G301
G204, G301
G101
G101