GM Service Manual Online
For 1990-2009 cars only
Makes
🢒
Chevrolet
🢒
2008
🢒
Optra
🢒
Transmission/Transaxle
🢒
Shift Lock Control
🢒 Shift Lock Control Schematics
Figure
1:
Automatic Transmission Shift Lock Control w/o Ignition Lock Cylinder Control Actuator
Master Electrical Component List
Fuse Block - Underhood B+ Bus, 1 of 3
G101
G203
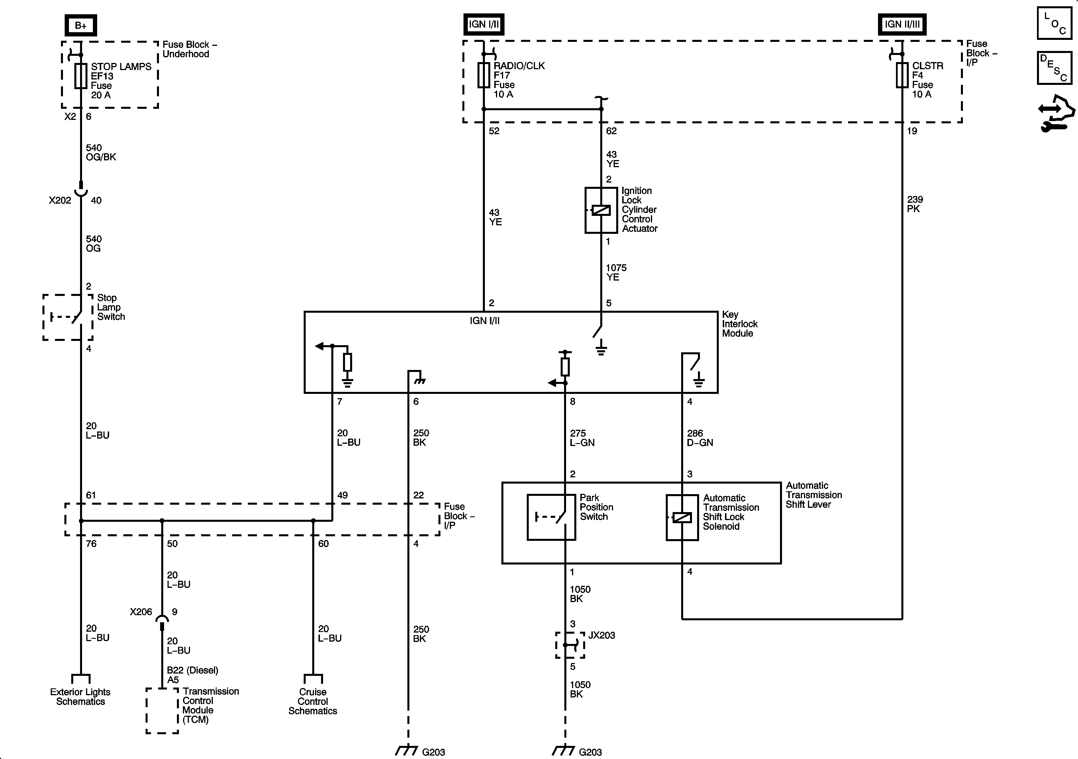
Figure
2:
Automatic Transmission Shift Lock Control with Ignition Lock Cylinder Control Actuator
Master Electrical Component List
Control Module References
Fuse Block - Underhood B+ Bus, 1 of 3
Fuse Block - Underhood B+ Bus, 1 of 3
Park Lamps and License Plate Lamps
with Throttle Actuator Control
G201 - 1 of 2
G203
G101