GM Service Manual Online
For 1990-2009 cars only
Makes
🢒
Chevrolet
🢒
2008
🢒
Optra
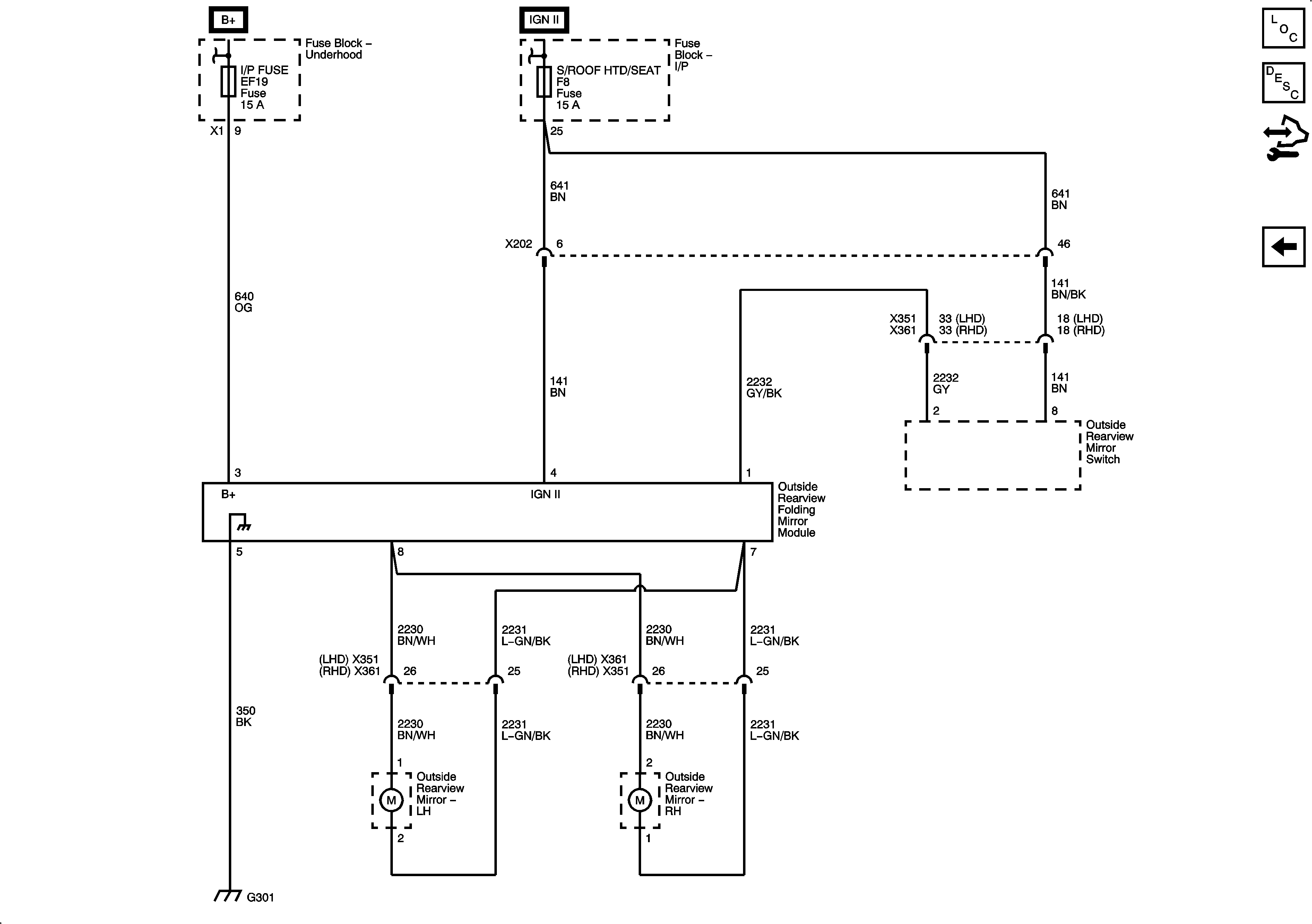
🢒 Power Folding Mirrors
Power Folding Mirrors
Power Folding Mirrors
Master Electrical Component List
Control Module References
Power Mirrors
Fuse Block - Underhood B+ Bus, 1 of 3
Fuse Block - Underhood B+ Bus, 1 of 3
G204, G301