GM Service Manual Online
For 1990-2009 cars only
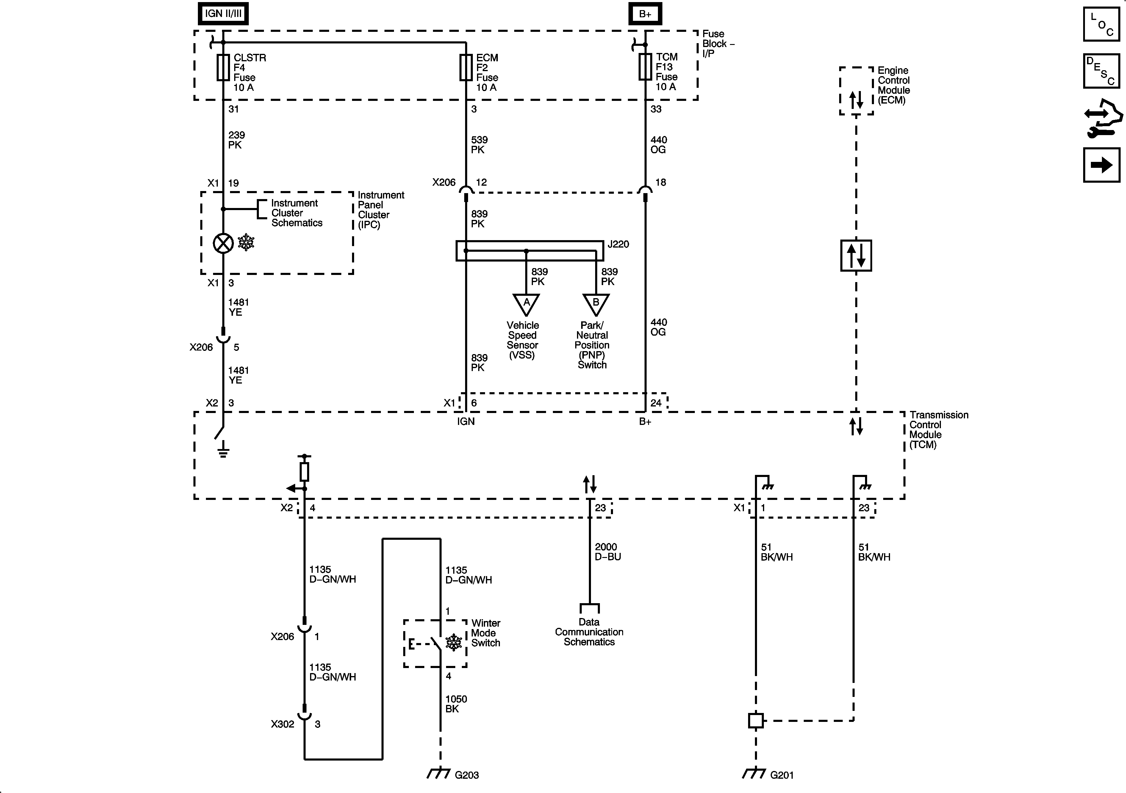
Figure 1:

Module Power, Ground, Malfunction Indicator Lamp (MIL), Hold Lamp, and Serial Data


Object Number: 2158735  Size: FS
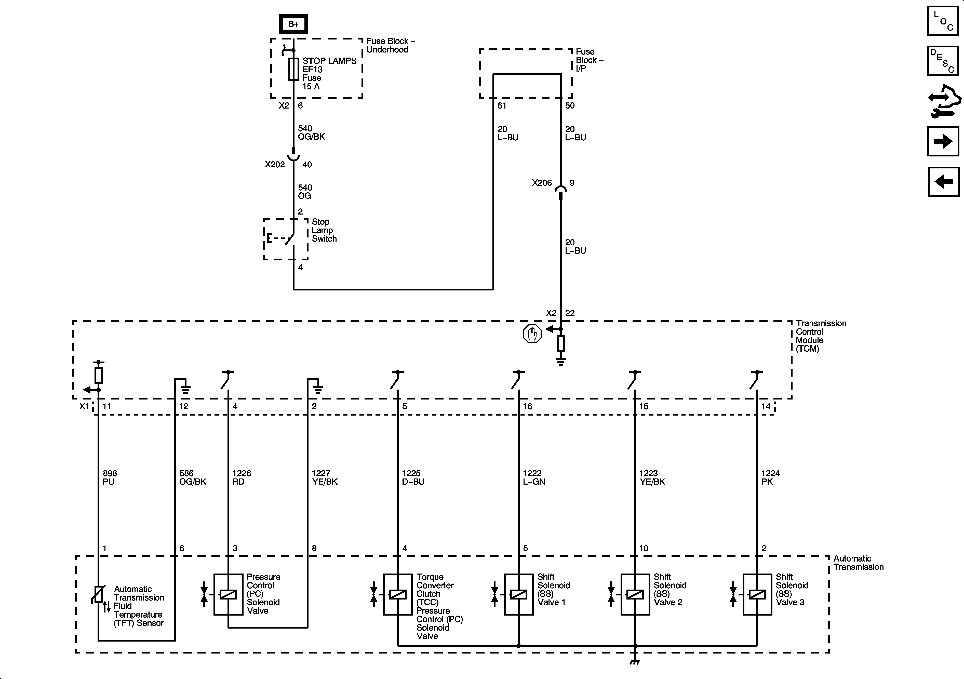
Figure 2:

Stop Lamp Switch and Transmission Solenoids


Object Number: 2158736  Size: FS
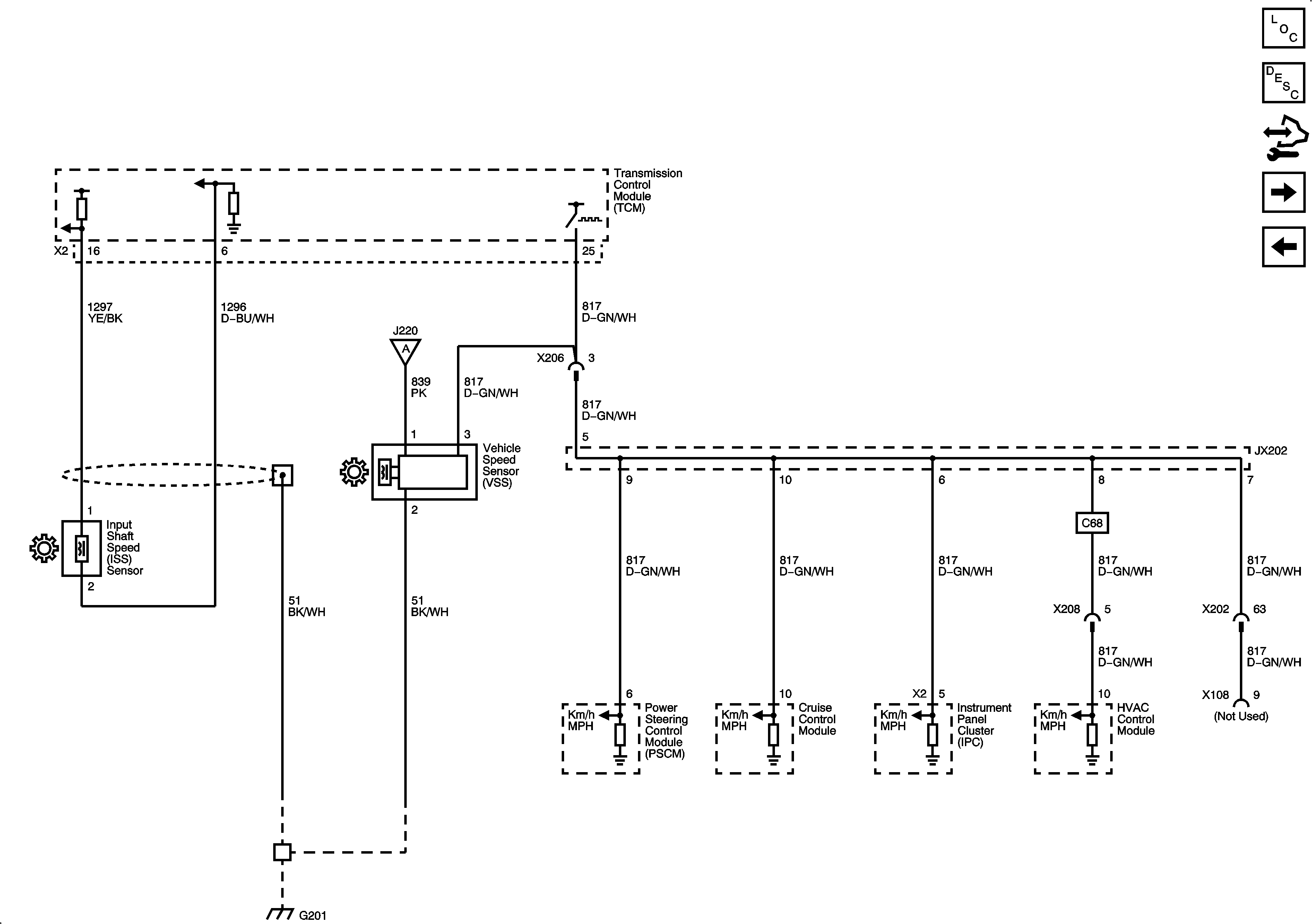
Figure 3:

Vehicle Speed and Input Speed Sensors


Object Number: 2158737  Size: FS
Figure 4:

Park/Neutral Position (PNP) Switch


Object Number: 2158739  Size: FS