GM Service Manual Online
For 1990-2009 cars only
Makes
🢒
Chevrolet
🢒
2009
🢒
Optra
🢒
Transmission
🢒
Shift Lock Control
🢒 Shift Lock Control Schematics
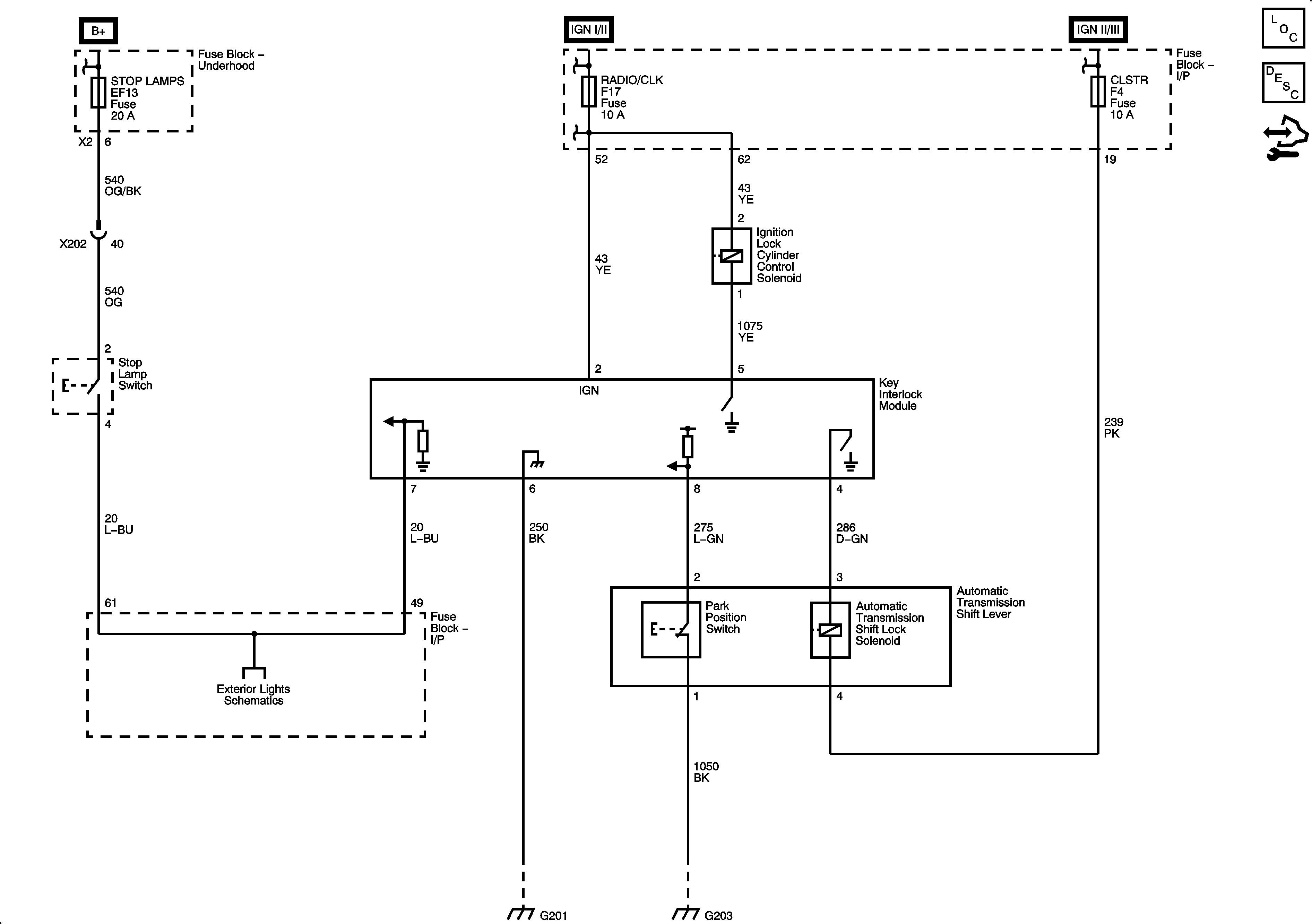
Figure
1:
Automatic Transmission Shift Lock Control with Ignition Lock Cylinder Control Actuator
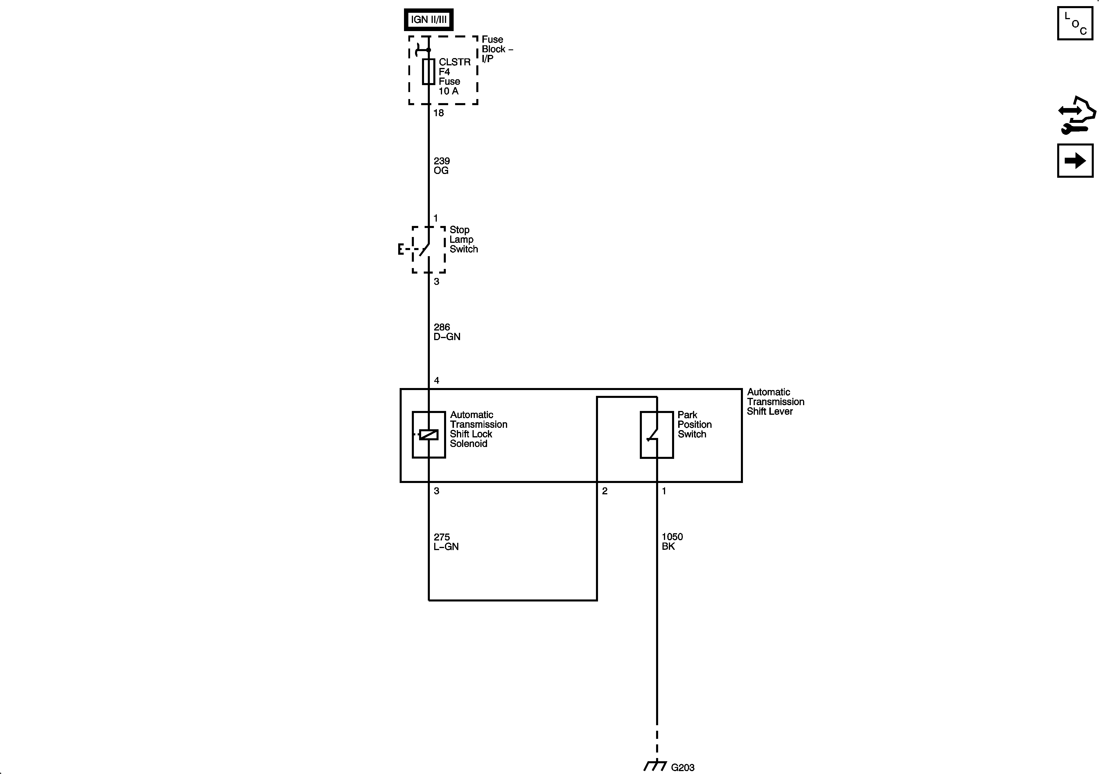
Figure
2:
Automatic Transmission Shift Lock Control w/o Ignition Lock Cylinder Control Actuator