GM Service Manual Online
For 1990-2009 cars only
Figure 1:

Cluster - Odometer, Speedometer, Tachometer, Temp and Fuel Gage - 1.6L


Object Number: 1371944  Size: FS
Master Electrical Component List
Cluster - Odometer, Speedometer, Tachometer, Temp and Fuel Gage 1.8L and 2.0L
Figure 2:

Cluster - Odometer, Speedometer, Tachometer, Temp and Fuel Gage - 1.8L and 2.0L


Object Number: 1371943  Size: FS
Master Electrical Component List
Cluster - SSPS, Hold, Mode, Air Bag, Oil Pressure, MIl, ABS, Parking Brake, Charging Warning Lamps
Cluster - Odometer, Speedometer, Tachometer, Temp and Fuel Gage (1.8L)
Figure 3:

Cluster - SSPS, Hold Mode, Air Bag, Oil Pressure, MIL, ABS, Parking Brake, Charging Warning Lamps


Object Number: 1371947  Size: FS
Master Electrical Component List
Cluster - Door Opening Lamp, Fog Lamp Indicator, and Cluster Illumination
Cluster - Odometer, Speedometer, Tachometer, Temp and Fuel Gage 1.8L and 2.0L
Figure 4:

Cluster - Door Opening Lamp, Fog Lamp Indicator, and Cluster Illumination


Object Number: 1372165  Size: FS
Master Electrical Component List
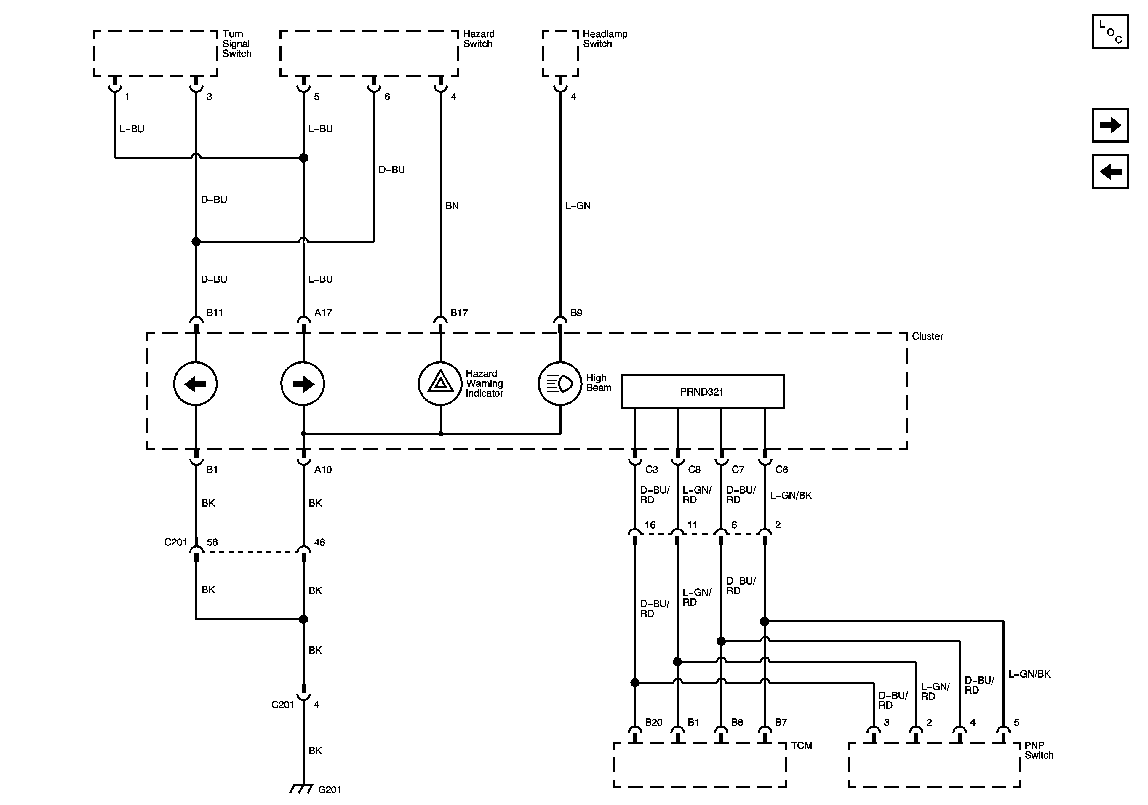
Cluster - PRNDL, Turn Signal, Hazard, and High Beam Indicators (1.6L)
Cluster - SSPS, Hold, Mode, Air Bag, Oil Pressure, MIl, ABS, Parking Brake, Charging Warning Lamps
Figure 5:

Cluster - PRNDL, Turn Signal, Hazard, and High Beam Indicators - 1.6L


Object Number: 1372167  Size: FS
Master Electrical Component List
Cluster - PRNDL, Turn Signal, Hazard, and High Beam Indicators (1.8L/2.0L)
Cluster - Door Opening Lamp, Fog Lamp Indicator, and Cluster Illumination
Figure 6:

Cluster - PRNDL, Turn Signal, Hazard, and Hight Beam Indicators - 1.8L and 2.0L


Object Number: 1376558  Size: FS
Master Electrical Component List
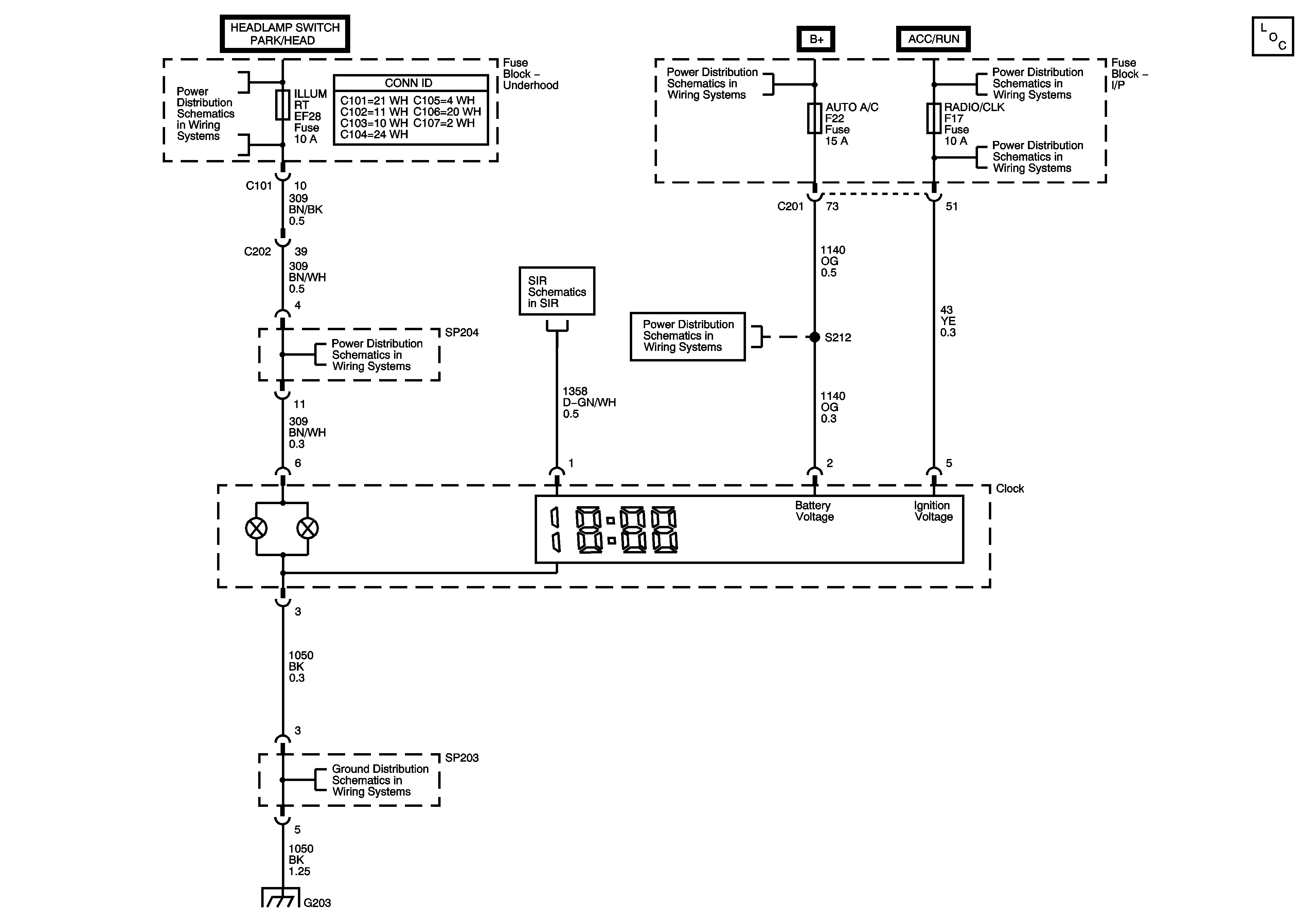
Clock, Cigar Lighter, and Extra Power Jack
Cluster - PRNDL, Turn Signal, Hazard, and High Beam Indicators (1.6L)
Figure 7:

Clock, Cigar Lighter, and Extra Power Jack


Object Number: 1360853  Size: FS
Master Electrical Component List
Cluster - PRNDL, Turn Signal, Hazard, and High Beam Indicators (1.8L/2.0L)
Figure 8:

Chime Module


Object Number: 1360854  Size: FS
Master Electrical Component List