GM Service Manual Online
For 1990-2009 cars only

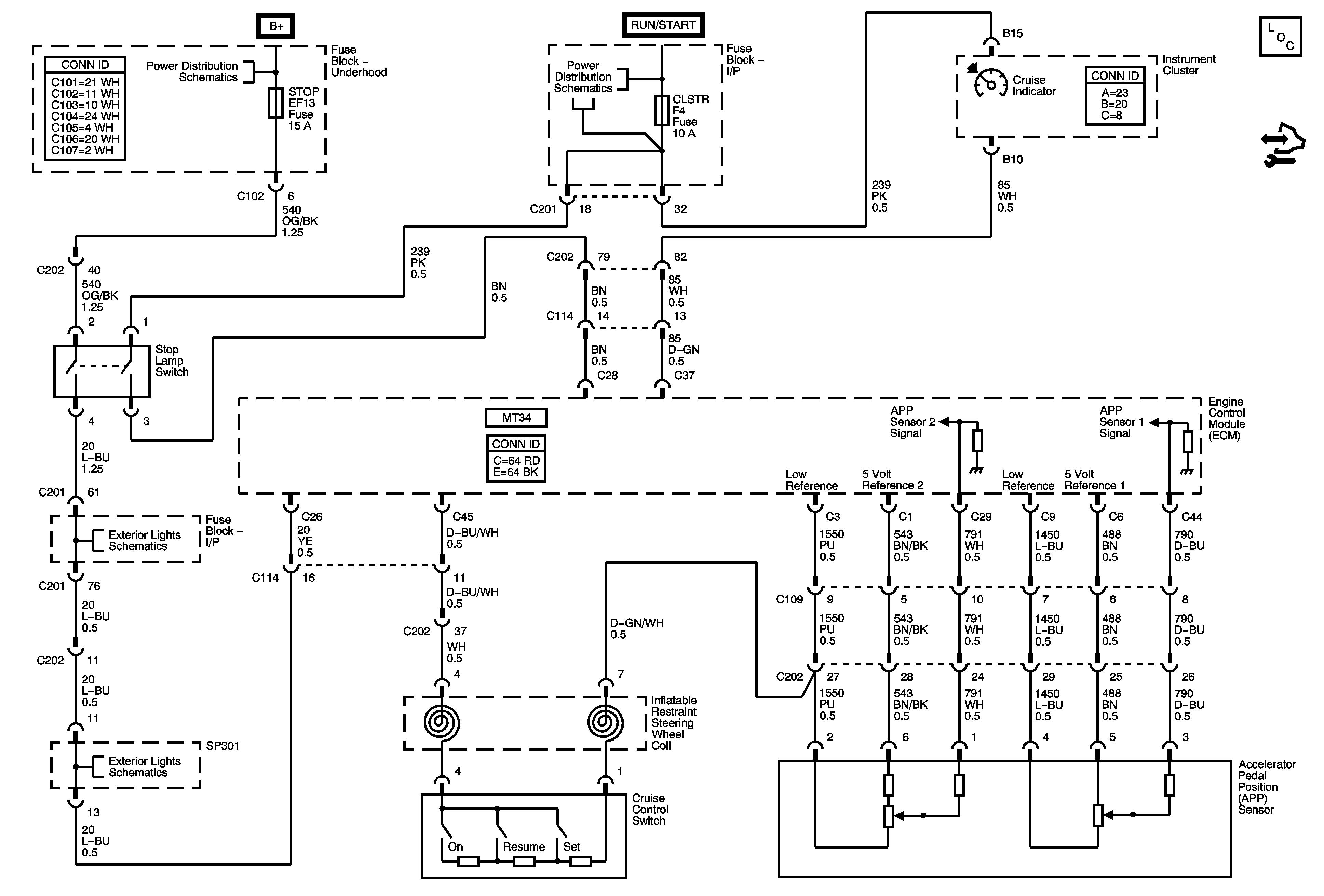
Cruise Control Schematics w/o Throttle Actuator Control

Figure 1:

Manual Transmission


Object Number: 1650885  Size: FS
Master Electrical Component List
Automatic Transmission
I/P Fuse Block ABS IMMOBILIZER, WRP, and TRN SIG LAMPS Fuses
Underhood Fuse Block BATT PWR, IGN 1 and IGN 2 Fuses, Ignition Switch, I/P Fuse Block - RADIO, IMMOBILIZER, DLC, AUTO A/C, HAZARD LAMPS, RKE, TCM, REAR
Underhood Fuse Block IP FUSE, DR/LOCK and STOP LAMP Fuses
I/P Fuse Block ABS IMMOBILIZER, WRP, and TRN SIG LAMPS Fuses
Manual Transmission Schematics - D20
Stop Lamps Notchback
Stop Lamps Hatchback
G201 (2 of 2)
Ignition System
Figure 2:

Automatic Transmission


Object Number: 1650886  Size: FS
Master Electrical Component List
Manual Transmission
I/P Fuse Block ABS IMMOBILIZER, WRP, and TRN SIG LAMPS Fuses
Underhood Fuse Block BATT PWR, IGN 1 and IGN 2 Fuses, Ignition Switch, I/P Fuse Block - RADIO, IMMOBILIZER, DLC, AUTO A/C, HAZARD LAMPS, RKE, TCM, REAR
Starting and Charging Schematics
Underhood Fuse Block IP FUSE, DR/LOCK and STOP LAMP Fuses
I/P Fuse Block ABS IMMOBILIZER, WRP, and TRN SIG LAMPS Fuses
G201 (2 of 2)
Vehicle Speed Signal
Stop Lamps Notchback
Stop Lamps Hatchback
w/Ignition Lock Cylinder Control Actuator
Ignition System
Vehicle Speed Signal
G201 (2 of 2)

Cruise Control Schematics w/ Throttle Actuator Control


Object Number: 1708735  Size: FS
Master Electrical Component List
I/P Fuse Block CLSTR, AIR BAG, BCK/UP and ENG FUSE BOX DRL Fuses
Underhood Fuse Block IP FUSE, DR/LOCK and STOP LAMP Fuses
Stop Lamps Notchback
Stop Lamps Notchback