GM Service Manual Online
For 1990-2009 cars only
Makes
🢒
Chevrolet
🢒
2006
🢒
Optra - Mexico
🢒
Transmission/Transaxle
🢒
Automatic Transaxle - ZF 4HP 16
🢒 Automatic Transmission Controls Schematics
Figure
1:
Power, Ground, Hold Switch and DLC
Master Electrical Component List
Shift and Pressure Control Solenoids
Underhood Fuse Block BATT PWR, IGN 1 and IGN 2 Fuses, Ignition Switch, I/P Fuse Block - RADIO, IMMOBILIZER, DLC, AUTO A/C, HAZARD LAMPS, RKE, TCM, REAR
I/P Fuse Block ECM Fuse
I/P Fuse Block ECM Fuse
Data Link Connector Schematics
G201 (2 of 2)
G201 (2 of 2)
G203
Figure
2:
Shift and Pressure Control Solenoids
Master Electrical Component List
Vehicle Speed Signal
Power, Ground, Hold Switch and DLC
Underhood Fuse Block IP FUSE, DR/LOCK and STOP LAMP Fuses
Underhood Fuse Block IP FUSE, DR/LOCK and STOP LAMP Fuses
Figure
3:
Vehicle Speed Signal
Master Electrical Component List
Park/Neutral Position Switch
Shift and Pressure Control Solenoids
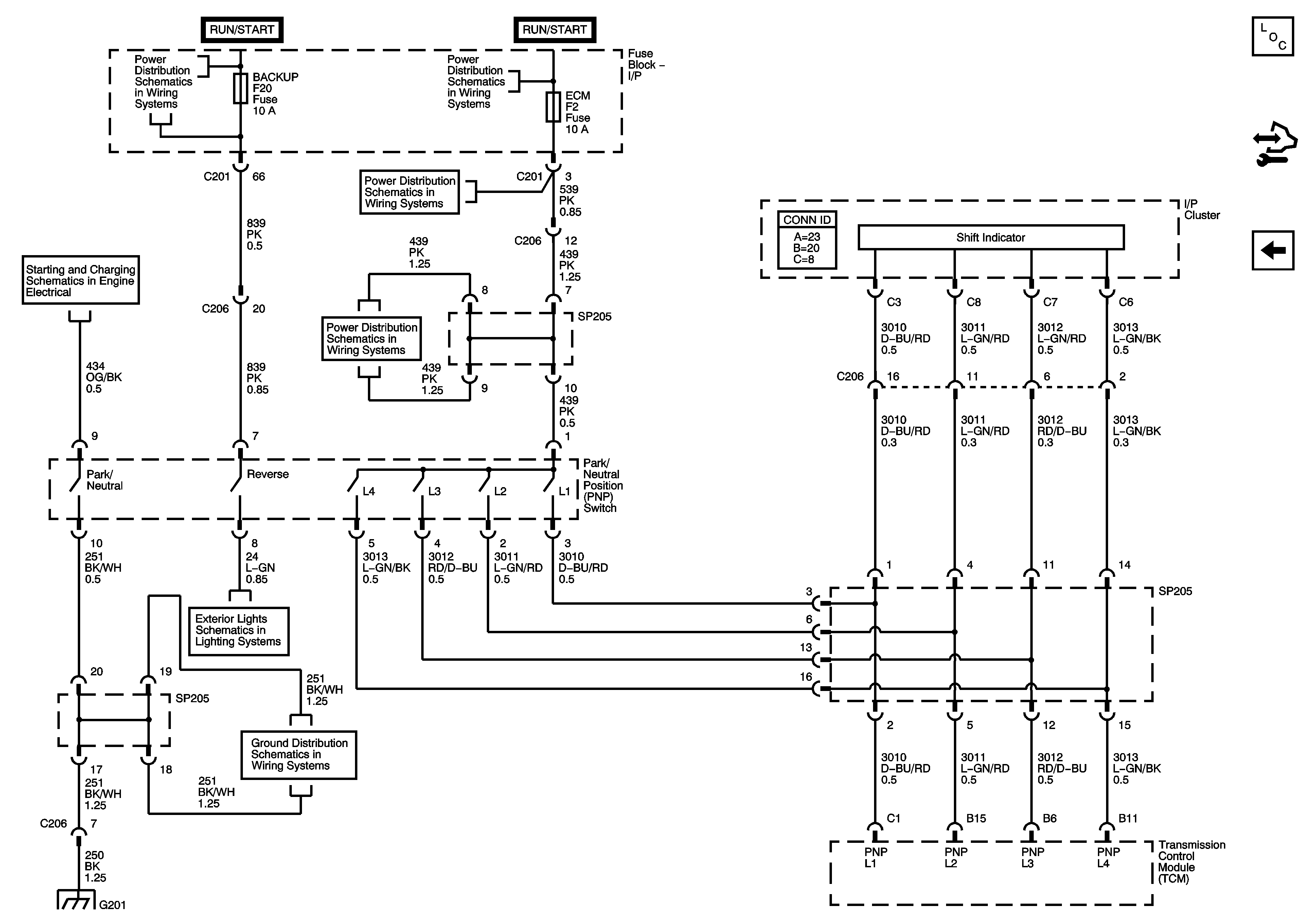
Figure
4:
Park/Neutral Position (PNP) Switch
Master Electrical Component List
Vehicle Speed Signal
I/P Fuse Block CLSTR, AIR BAG, BCK/UP and ENG FUSE BOX DRL Fuses
I/P Fuse Block ECM Fuse
I/P Fuse Block ECM Fuse
Starting and Charging Schematics
G201 (2 of 2)
Battery Saver
G201 (2 of 2)
G201 (2 of 2)