GM Service Manual Online
For 1990-2009 cars only
Figure 1:

Blower Controls


Object Number: 1360837  Size: FS
Master Electrical Component List
Underhood Fuse Block - Battery Feeds 1 of 3
Underhood Fuse Block HVAC FLWR, ABS and Horn Fuses
G201 (2 of 2)
G201 (2 of 2)
G203
Figure 2:

Compressor Controls - Sirius D4


Object Number: 1360839  Size: FS
Master Electrical Component List
Underhood Fuse Block A/C, DEFOG, and MIR HTD Fuses
I/P Fuse Block CLSTR, AIR BAG, BCK/UP and ENG FUSE BOX DRL Fuses
Controlled/Monitored Subsystem References
Controlled/Monitored Subsystem References
G102
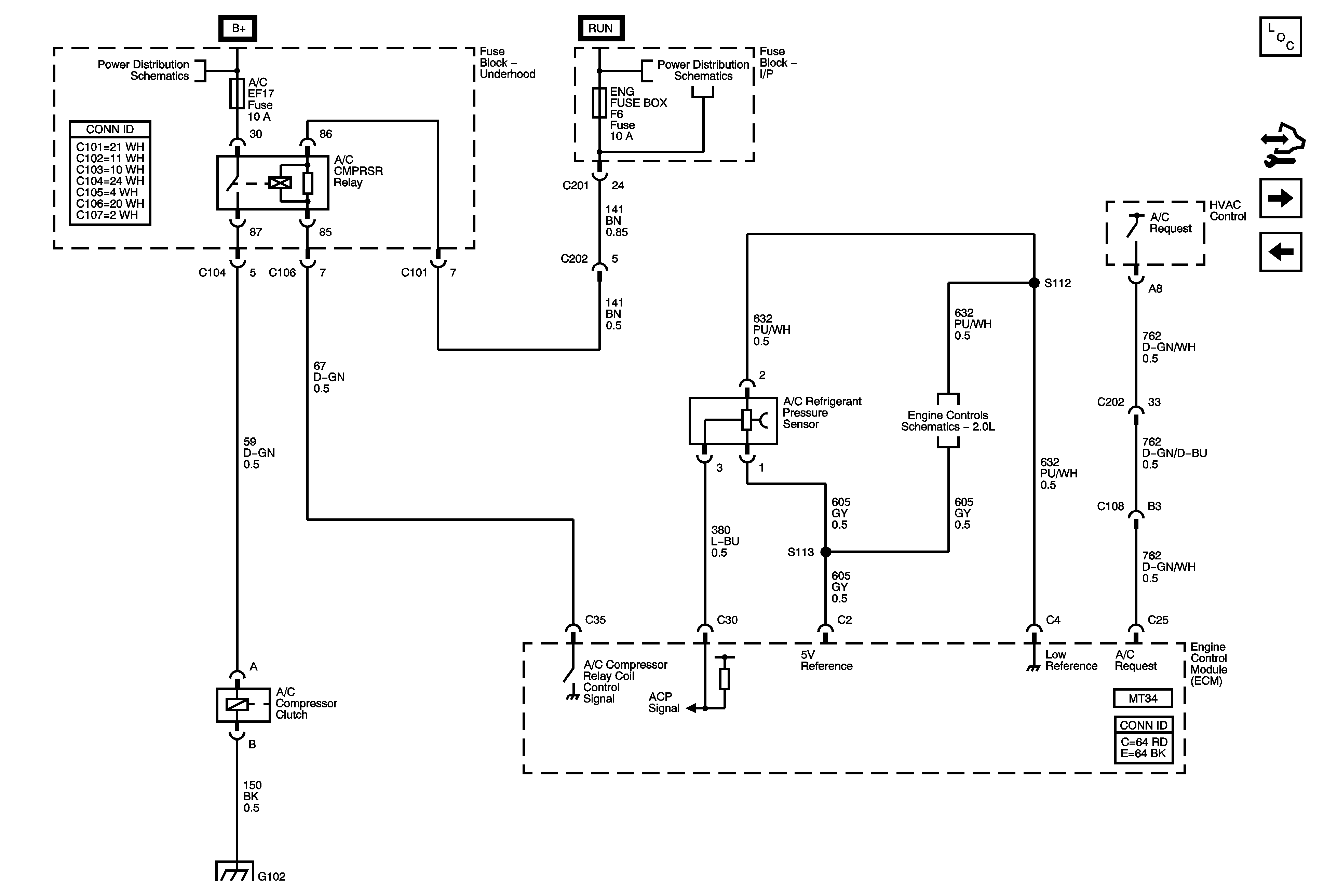
Figure 3:

Compressor Controls - MR-140


Object Number: 1455073  Size: FS
Master Electrical Component List
Underhood Fuse Block A/C, DEFOG, and MIR HTD Fuses
I/P Fuse Block CLSTR, AIR BAG, BCK/UP and ENG FUSE BOX DRL Fuses
Controlled/Monitored Subsystem References
Controlled/Monitored Subsystem References
Controlled/Monitored Subsystem References
G102
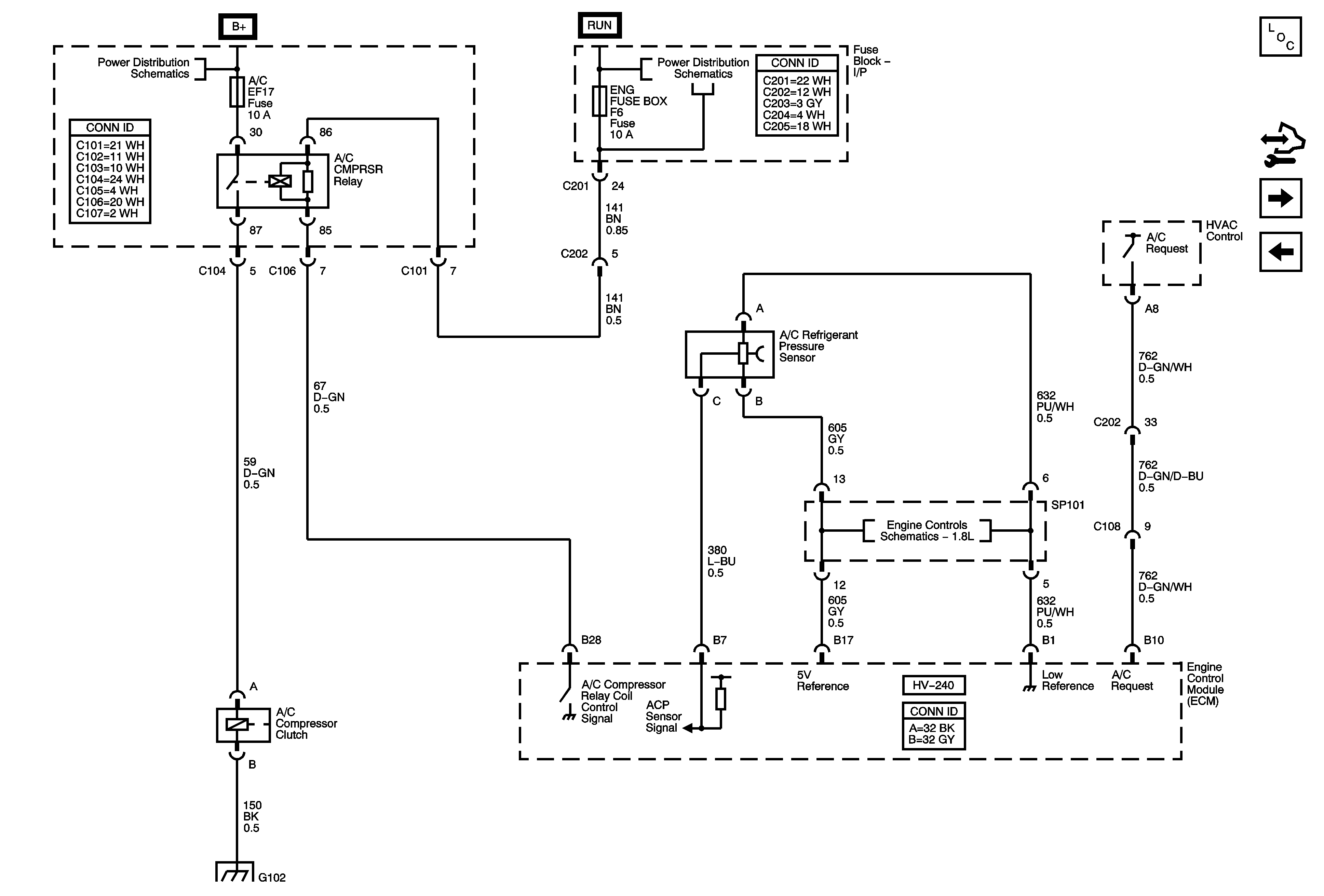
Figure 4:

Compressor Controls - HV-240


Object Number: 1455074  Size: FS
Master Electrical Component List
Underhood Fuse Block A/C, DEFOG, and MIR HTD Fuses
I/P Fuse Block CLSTR, AIR BAG, BCK/UP and ENG FUSE BOX DRL Fuses
Controlled/Monitored Subsystem References
Controlled/Monitored Subsystem References
G102
Figure 5:

Compressor Controls - MT34


Object Number: 1708720  Size: FS
Master Electrical Component List
Underhood Fuse Block A/C, DEFOG, and MIR HTD Fuses
I/P Fuse Block CLSTR, AIR BAG, BCK/UP and ENG FUSE BOX DRL Fuses
CKP, CMP, Knock Sensors, Rough Road Sensor
G102
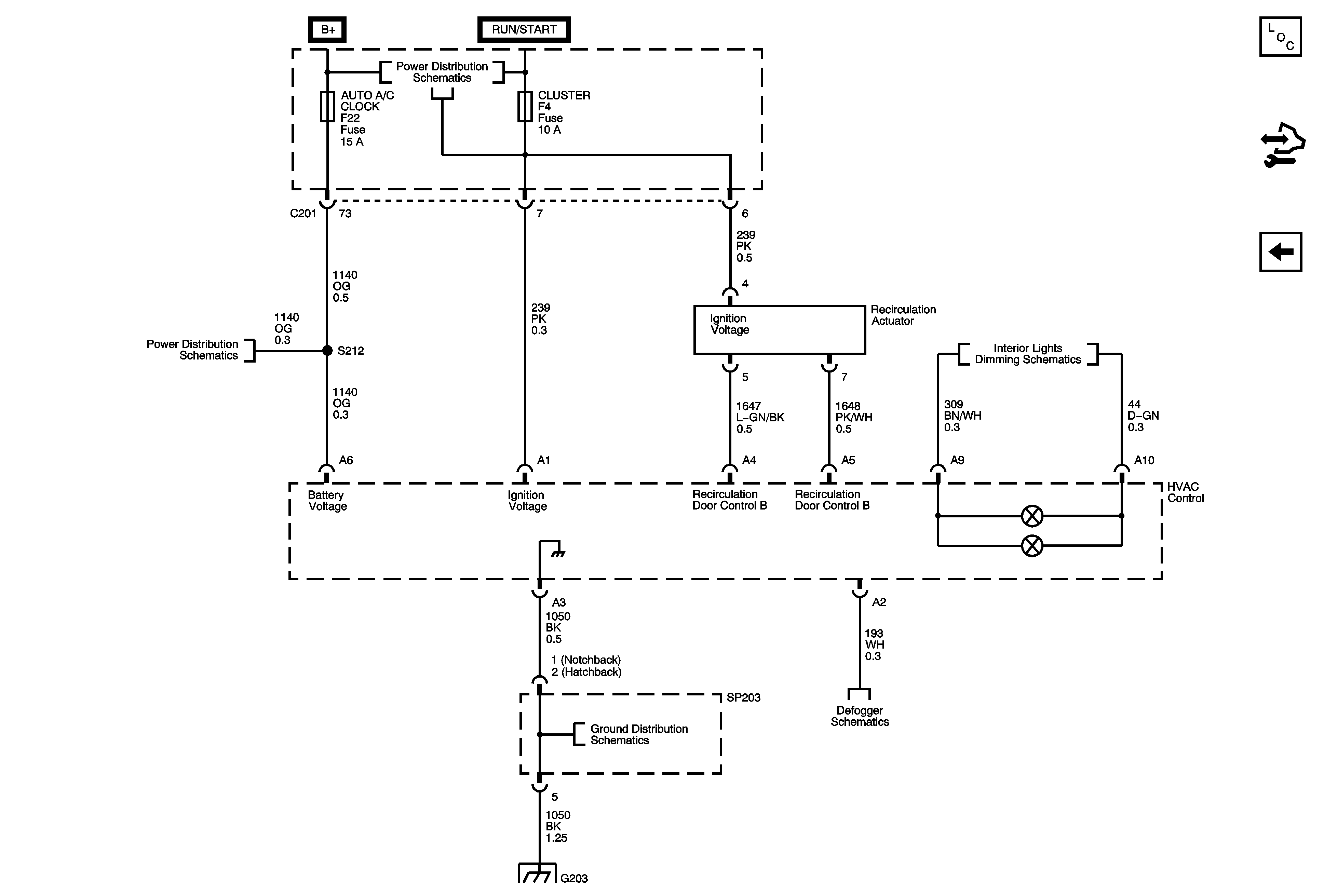
Figure 6:

Temperature Controls/Air Delivery


Object Number: 1456513  Size: FS
Master Electrical Component List
I/P Fuse Block CLSTR, AIR BAG, BCK/UP and ENG FUSE BOX DRL Fuses
Underhood Fuse Block BATT PWR, IGN 1 and IGN 2 Fuses, Ignition Switch, I/P Fuse Block - RADIO, IMMOBILIZER, DLC, AUTO A/C, HAZARD LAMPS, RKE, TCM, REAR
I/P Illumination w/Dimming
Stationary Windows
G203
G203