GM Service Manual Online
For 1990-2009 cars only
Makes
🢒
Chevrolet
🢒
2006
🢒
Optra - Mexico
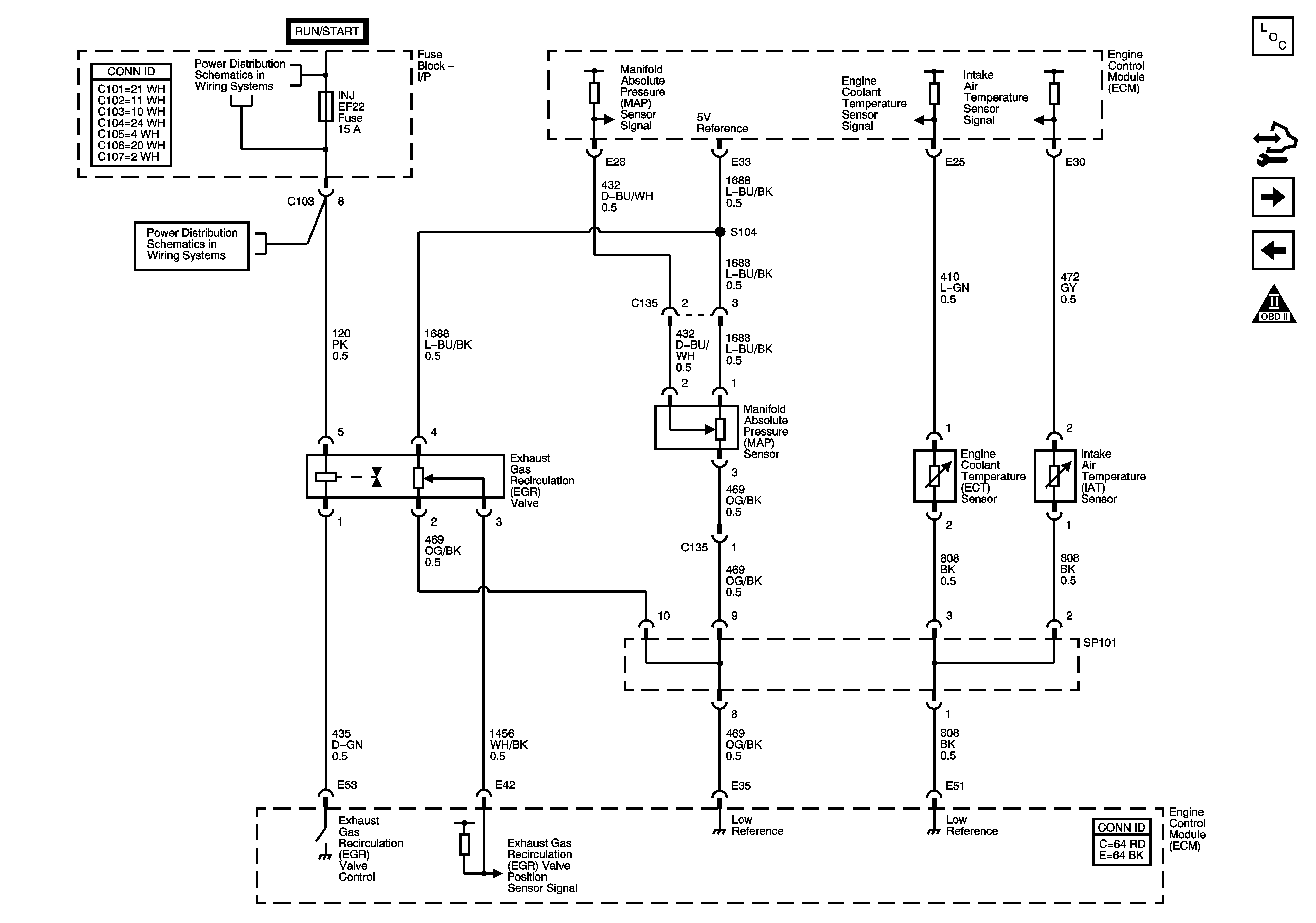
🢒 EGR Valve, MAP, ECT, IAT Sensors
EGR Valve, MAP, ECT, IAT Sensors
EGR Valve, MAP, ECT, IAT Sensors
Master Electrical Component List
CKP, CMP, Knock Sensors, Rough Road Sensor
Heated Oxygen Sensors
OBD II Symbol Description Notice
Underhood Fuse Block FUEL PUMP Relay and FUEL PUMP and IGN COIL Fuses
Underhood Fuse Block FUEL PUMP Relay and FUEL PUMP and IGN COIL Fuses