GM Service Manual Online
For 1990-2009 cars only
Makes
🢒
Chevrolet
🢒
2000
🢒
PJJ
🢒
Transmission/Transaxle
🢒
Automatic Transaxle - 4T40-E/4T45-E
🢒 Automatic Transmission Controls Schematics
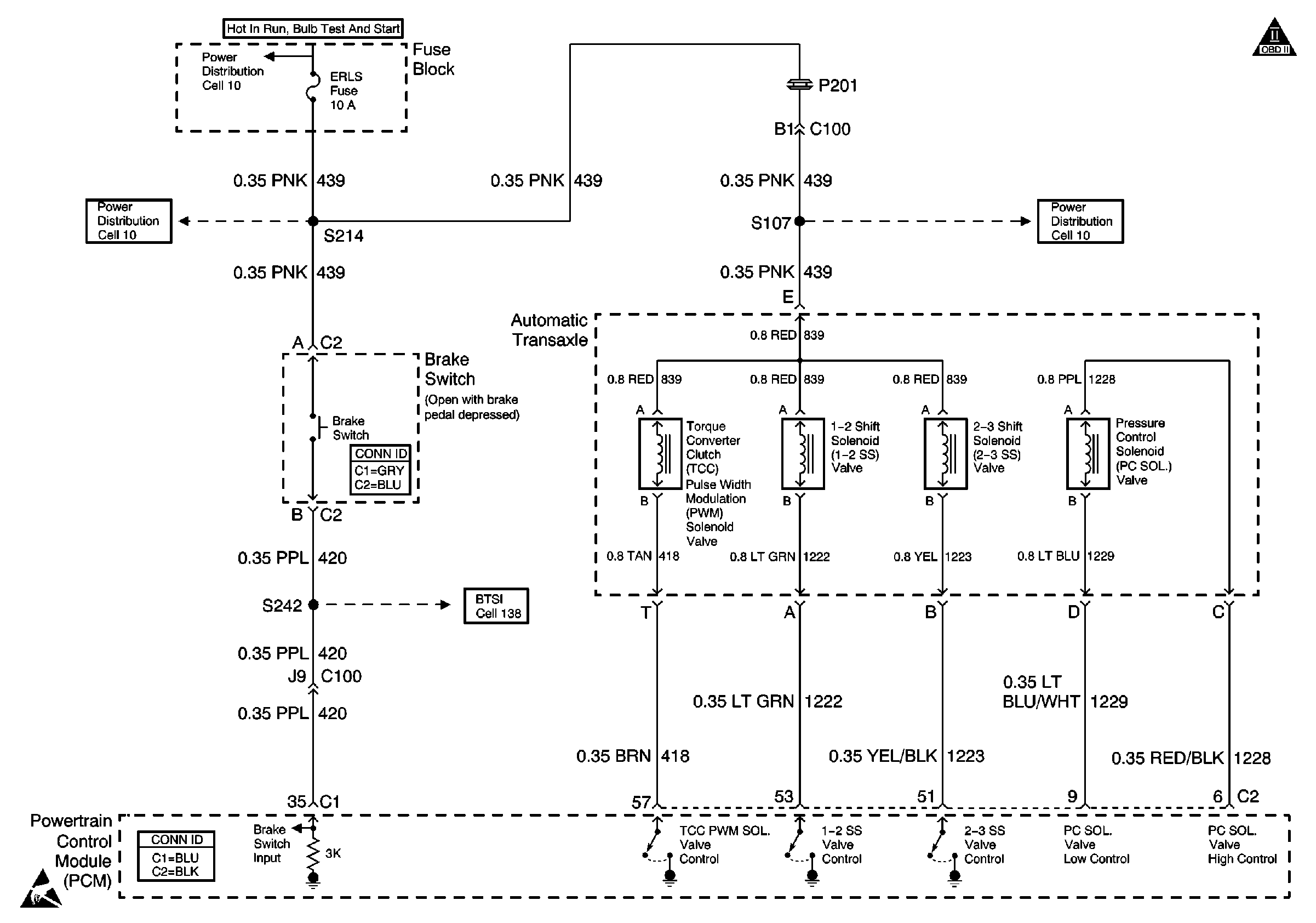
Figure
1:
Power, Ground, Brake and Transmission
Figure
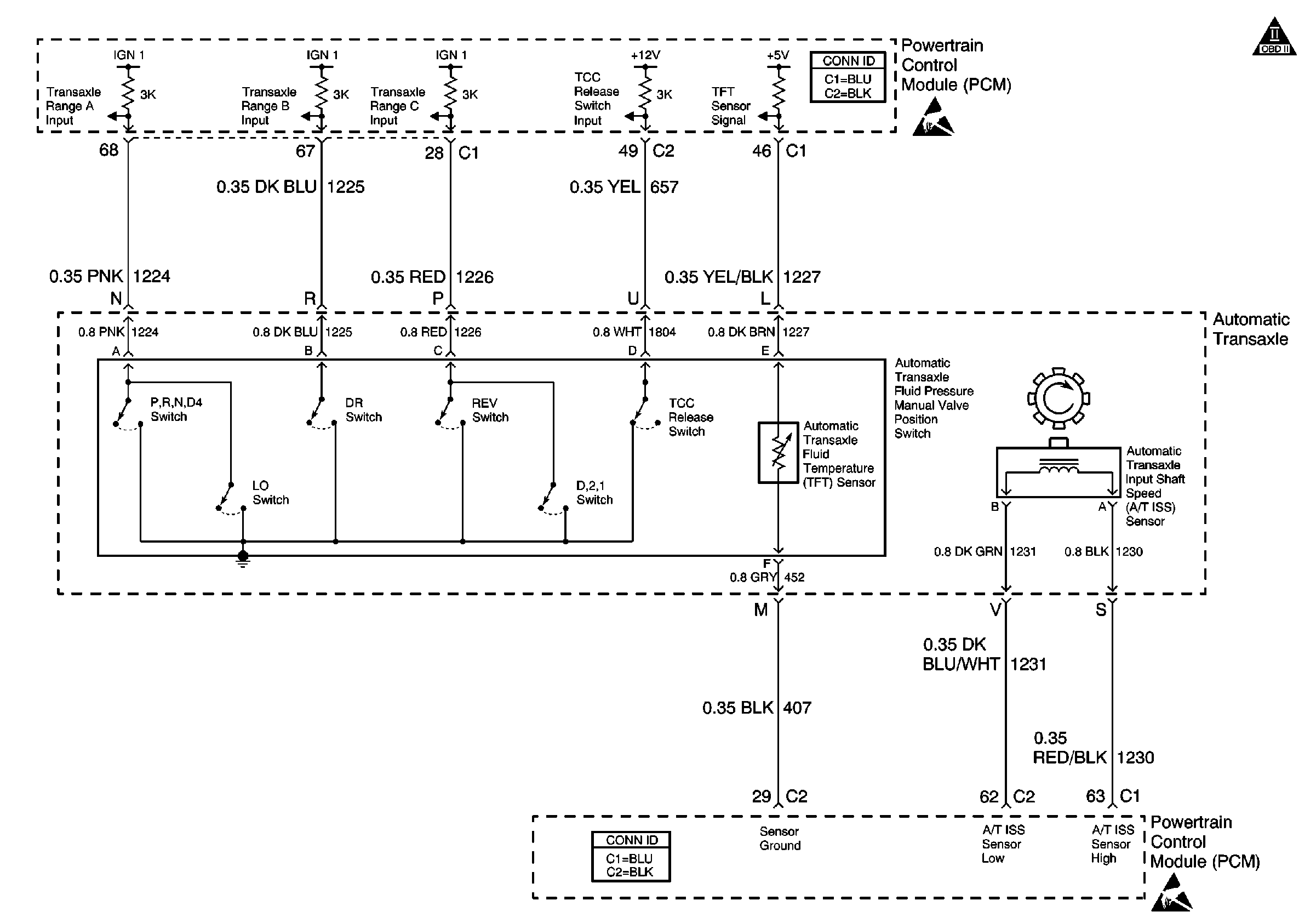
2:
Automatic Transaxle
Figure
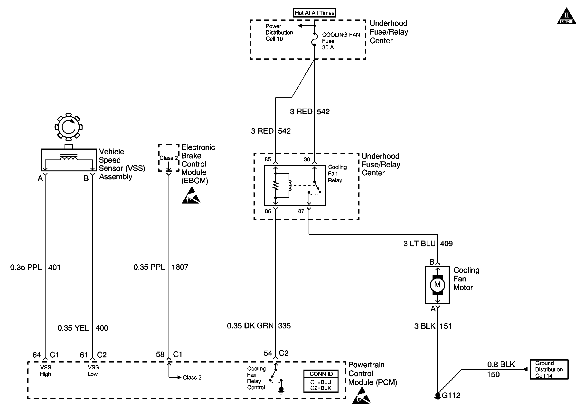
3:
Power, Ground, VSS, EBCM and Cooling Fan Motor