GM Service Manual Online
For 1990-2009 cars only

Removal Procedure

  1. Disconnect the negative battery cable.
  2. Caution: This vehicle is equipped with a Supplemental Inflatable Restraint (SIR) System. Failure to follow the correct procedure could cause the following conditions:

       • Air bag deployment
       • Personal injury
       • Unnecessary SIR system repairs
    In order to avoid the above conditions, observe the following guidelines:
       • Refer to SIR Component Views in order to determine if you are performing service on or near the SIR components or the SIR wiring.
       • If you are performing service on or near the SIR components or the SIR wiring, disable the SIR system. Refer to Disabling the SIR System.

  3. Disable the supplemental inflatable restraint (SIR) system. Refer to Disabling the SIR System in SIR.
  4. Remove the steering wheel. Refer to Steering Wheel Replacement.
  5. Remove the steering column trim covers. Refer to Steering Column Trim Cover Replacement - On Vehicle.
  6. Remove the multifunction switch from the steering column. Refer to Multifunction Turn Signal Lever Replacement - On Vehicle.
  7. Remove the windshield washer switch. Refer to Windshield Wiper and Washer Switch Replacement - On Vehicle.
  8. Remove the instrument panel trim pad. Refer to Trim Pad Replacement - IP in Instrument Panel, Gauges and Console.
  9. Remove the instrument panel cluster. Refer to IP Cluster Replacement in Instrument Panel, Gauges and Console.
  10. Remove the intermediate steering shaft upper pinch bolt from the steering column. Refer to Intermediate Steering Shaft Replacement.

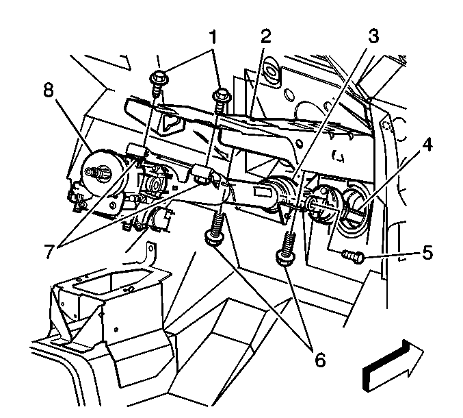
  11. Object Number: 587186  Size: SH
  12. Disconnect the electrical connectors from the steering column (8).
  13. Remove the upper mounting bolts (1) from the steering column (8).
  14. Remove the lower mounting bolts (6) from the steering column (8).
  15. Notice: Once the steering column is removed from the vehicle, the column is extremely susceptible to damage. Dropping the column assembly on the end could collapse the steering shaft or loosen the plastic injections, which maintain column rigidity. Leaning on the column assembly could cause the jacket to bend or deform. Any of the above damage could impair the columns collapsible design. Do NOT hammer on the end of the shaft, because hammering could loosen the plastic injections, which maintain column rigidity. If you need to remove the steering wheel, refer to the Steering Wheel Replacement procedure in this section.

  16. Remove the steering column (8) from the vehicle.

Installation Procedure


    Object Number: 587186  Size: SH

    Caution: In order to ensure the intended function of the steering column in a vehicle during a crash and in order to avoid personal injury to the driver, perform the following:

       • Tighten the steering column lower fasteners before you tighten the steering column upper fasteners. Failure to do this can damage the steering column.
       • Tighten the steering column fasteners to the specified torque. Overtightening the upper steering column fasteners could affect the steering column collapse.

  1. Install the steering column (8) to the vehicle.
  2. Notice: Use the correct fastener in the correct location. Replacement fasteners must be the correct part number for that application. Fasteners requiring replacement or fasteners requiring the use of thread locking compound or sealant are identified in the service procedure. Do not use paints, lubricants, or corrosion inhibitors on fasteners or fastener joint surfaces unless specified. These coatings affect fastener torque and joint clamping force and may damage the fastener. Use the correct tightening sequence and specifications when installing fasteners in order to avoid damage to parts and systems.

  3. Install the lower mounting bolts (7) to the steering column (3).
  4. Tighten
    Tighten the lower mounting bolts to 27 N·m (20 lb ft).

  5. Install the upper mounting bolts (1) to the steering column (8).
  6. Tighten
    Tighten the mounting bolts to 27 N·m (20 lb ft).

  7. Connect the electrical connectors to the steering column (8).
  8. Install the intermediate steering shaft upper pinch bolt to the steering column. Refer to Intermediate Steering Shaft Replacement.
  9. Install the instrument panel cluster. Refer to IP Cluster Replacement in Instrument Panel, Gauges and Console.
  10. Install the instrument panel trim pad. Refer to Trim Pad Replacement - IP in Instrument Panel, Gauges and Console.
  11. Install the windshield washer switch. Refer to Windshield Wiper and Washer Switch Replacement - On Vehicle.
  12. Install the multifunction switch to the steering column. Refer to Multifunction Turn Signal Lever Replacement - On Vehicle.
  13. Install the steering column trim covers. Refer to Steering Column Trim Cover Replacement - On Vehicle.
  14. Install the steering wheel. Refer to Steering Wheel Replacement.
  15. Enable the SIR system. Refer to Enabling the SIR System in SIR.
  16. Connect the negative battery cable.