GM Service Manual Online
For 1990-2009 cars only
Makes
🢒
Chevrolet
🢒
2000
🢒
PJJ
🢒
HVAC
🢒
HVAC Systems - Manual
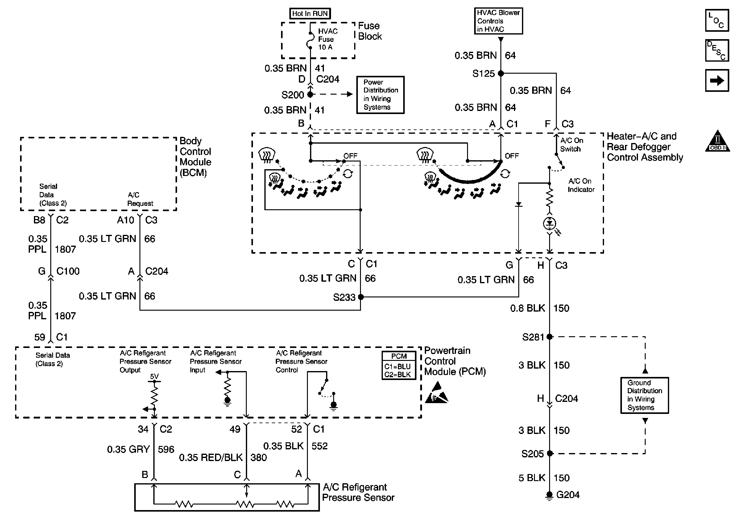
🢒 HVAC Compressor/Condenser Fan Control Schematics