GM Service Manual Online
For 1990-2009 cars only
Makes
🢒
Chevrolet
🢒
2000
🢒
PJJ
🢒
Body and Accessories
🢒
Lighting Systems
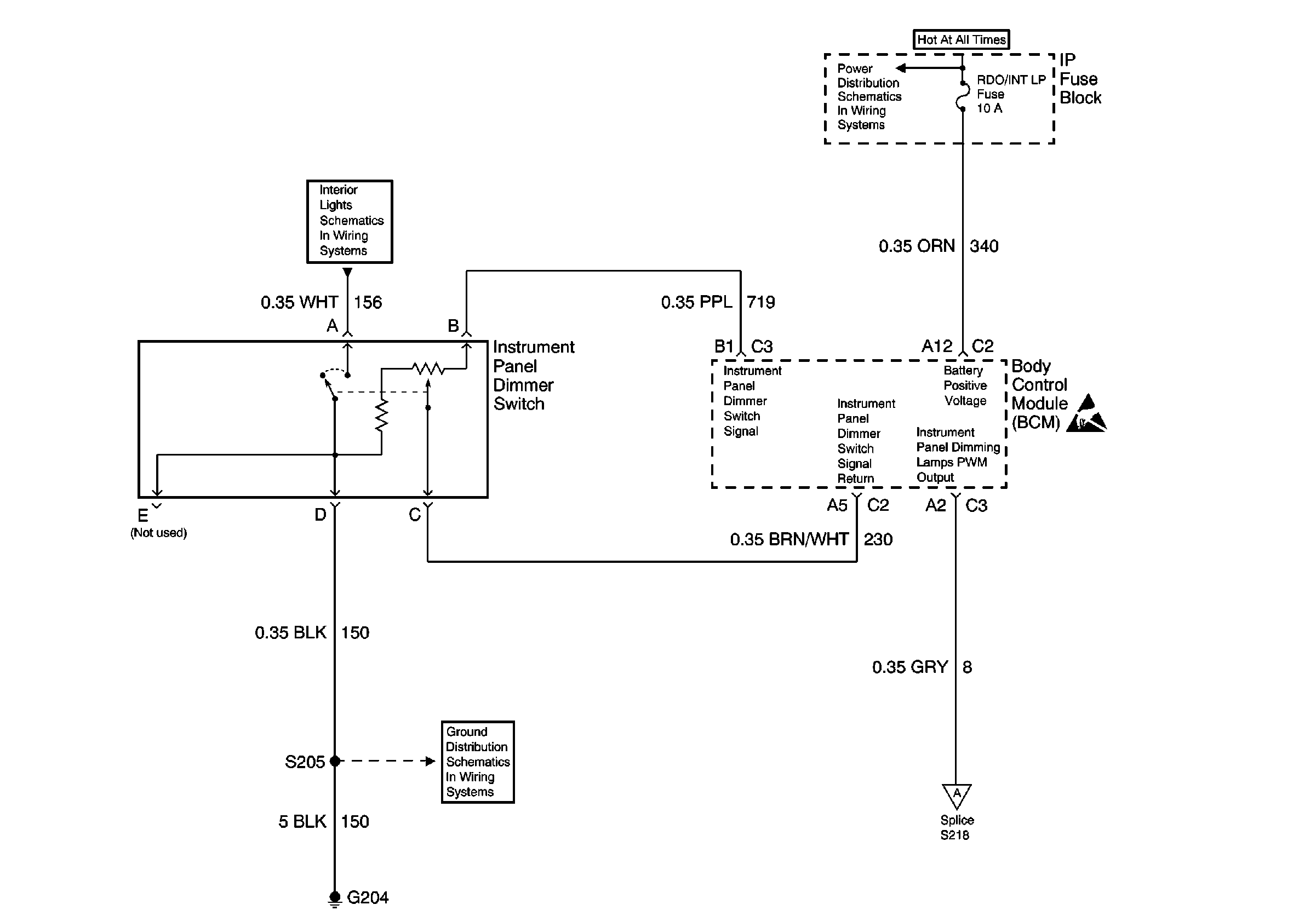
🢒 Interior Lights Dimming Schematics
Figure
1:
Instrument Panel Dimmer Switch and Body Control Module
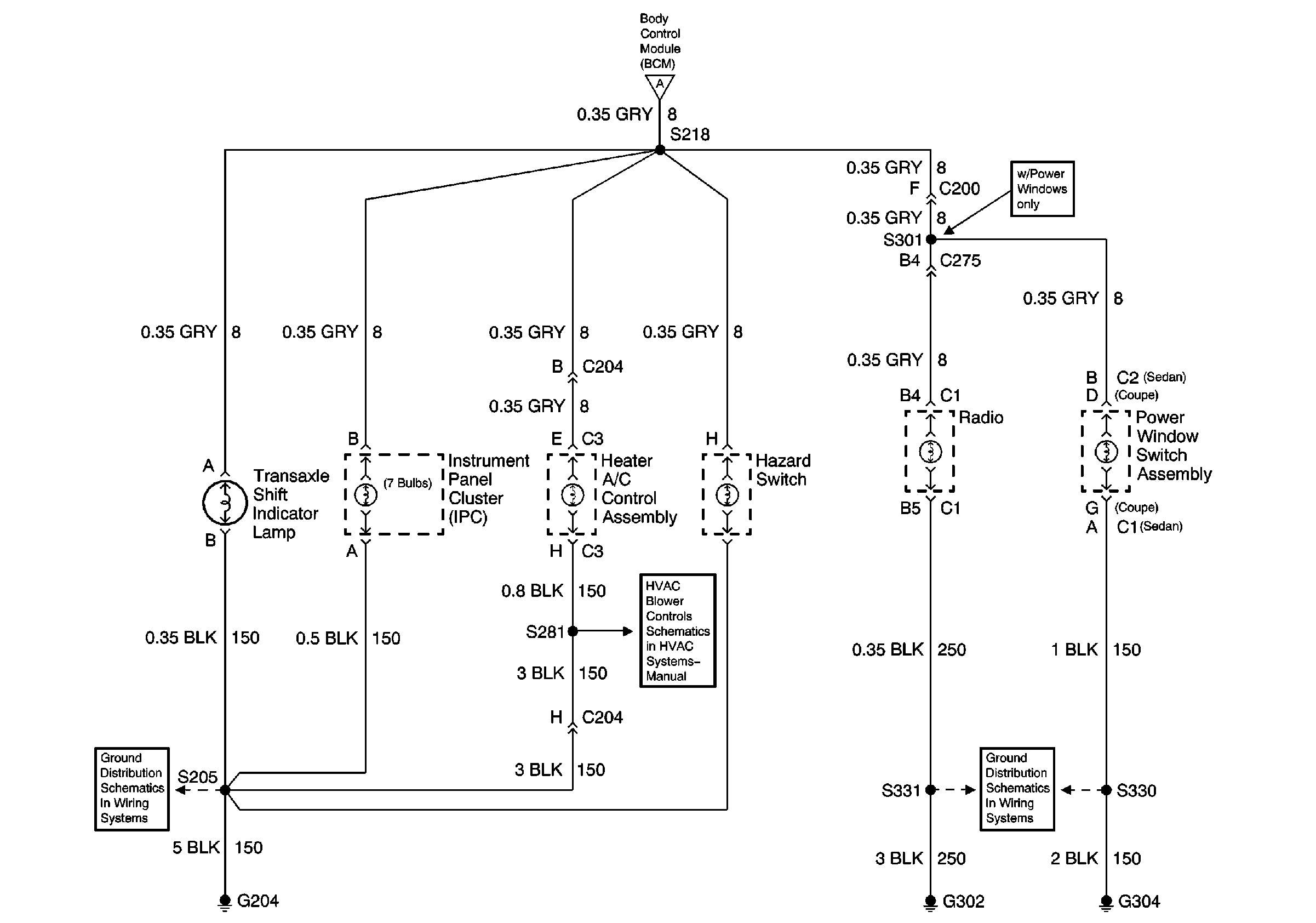
Figure
2:
Instrument Panel Dimming Lamps