GM Service Manual Online
For 1990-2009 cars only

Removal Procedure

Tools Required

J 39232 Wiper Transmission Separator


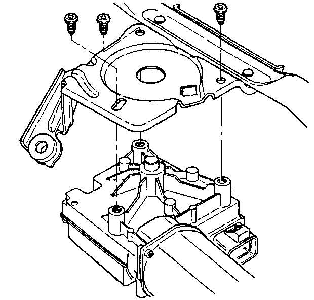
    Object Number: 641571  Size: SH
  1. Remove the wiper arms. Refer to Wiper Arm Replacement.
  2. Remove the plenum chamber water deflector. Refer to Plenum Chamber Water Deflector Replacement in Body Front End.
  3. Disconnect the electrical connector from the wiper motor.
  4. Remove the three screws and the wiper drive system module from the vehicle.

  5. Object Number: 306506  Size: SH
  6. Remove the wiper transmission from the wiper motor crank arm using the J 39232.

  7. Object Number: 641568  Size: SH
  8. Loosen the wiper motor crank arm screw.
  9. Tap on the wiper motor crank arm screw with a soft faced mallet while holding up on the crank arm.
  10. Remove the screw and the wiper motor crank arm from the wiper motor.

  11. Object Number: 641572  Size: SH
  12. Remove the three screws and the wiper motor from the tube frame.

Installation Procedure

Tools Required

J 39529 Wiper Transmission Installer


    Object Number: 641572  Size: SH
  1. Install the wiper motor onto the tube frame with the three screws.
  2. Tighten
    Tighten the screws to 10 N·m (88 lb in).

  3. Connect the electrical connector to the wiper motor.
  4. Turn the ignition switch to ACCY.
  5. Set the wiper switch to PULSE. The wiper motor should be operating.
  6. Turn the ignition switch off when the wiper motor is paused in the inner wipe position.
  7. Disconnect the electrical connector from the wiper motor.

  8. Object Number: 641574  Size: SH

    Important: Do not rotate the wiper motor shaft during the installation of the wiper motor crank arm.

  9. Install the wiper motor crank arm onto the wiper motor while maintaining a 4-8  mm  (.157-.315  in.) gap between the wiper motor crank arm and the bracket tab.
  10. Install the crank arm screw.
  11. Check the gap between the wiper motor crank arm and the bracket tab. If the gap is not between 4-8  mm  (.157-.315  in.) remove the wiper motor crank arm and repeat the installation.
  12. Tighten
    Tighten the wiper motor crank arm screw to 16 N·m(144  lb.  in.).


    Object Number: 306515  Size: SH
  13. Install the wiper transmission onto the wiper motor crank arm using the J 39529.

  14. Object Number: 641571  Size: SH
  15. Install the wiper drive system module onto the vehicle with the three screws.
  16. Tighten
    Tighten the screws to 10 N·m (88 lb in).

  17. Connect the electrical connector onto the wiper motor.
  18. Install the plenum chamber water deflector. Refer to Plenum Chamber Water Deflector Replacement in Body Front End.
  19. Install the wiper arms. Refer to Wiper Arm Replacement.
  20. Operate the wipers and check for proper operation.