GM Service Manual Online
For 1990-2009 cars only
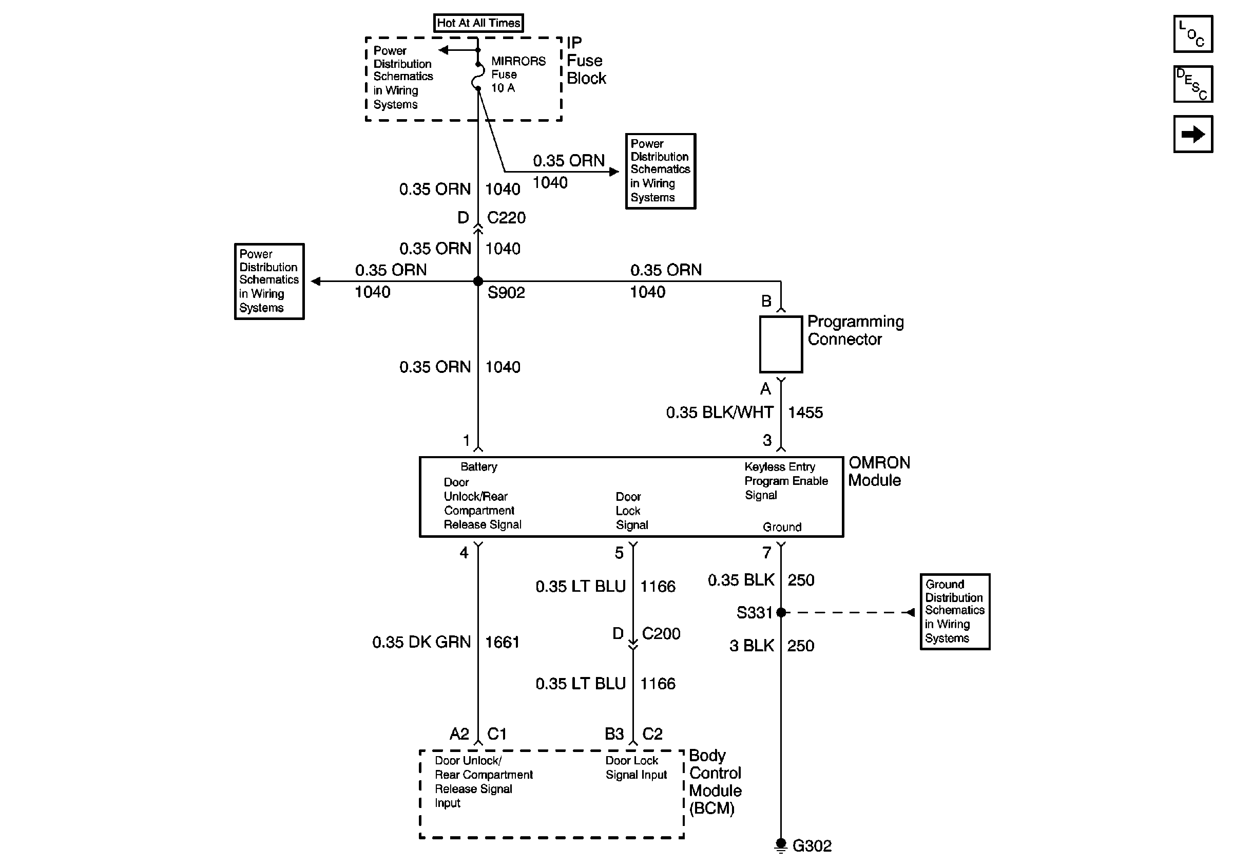
Figure 1:

Omron Module


Object Number: 616072  Size: FS
Door Lock/Unlock Relay
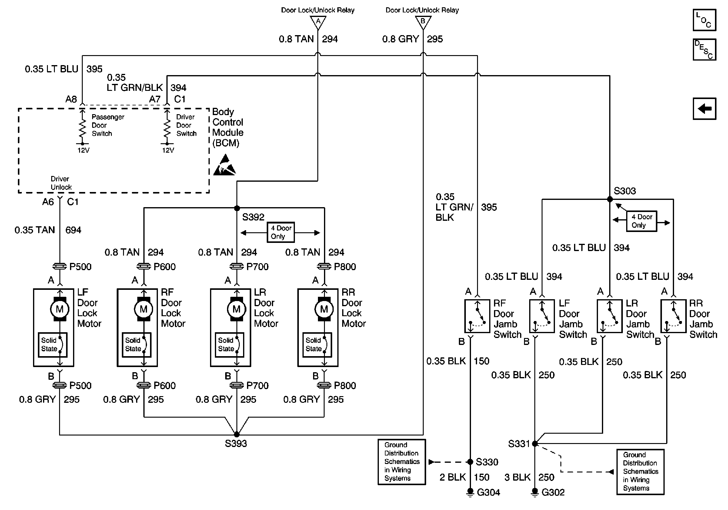
Figure 2:

Door Lock/Unlock Relay


Object Number: 617344  Size: FS
Omron Module
Door Lock Motors
Figure 3:

Door Lock Motors


Object Number: 617348  Size: FS
Door Lock/Unlock Relay