GM Service Manual Online
For 1990-2009 cars only
Makes
🢒
Chevrolet
🢒
2000
🢒
PJJ
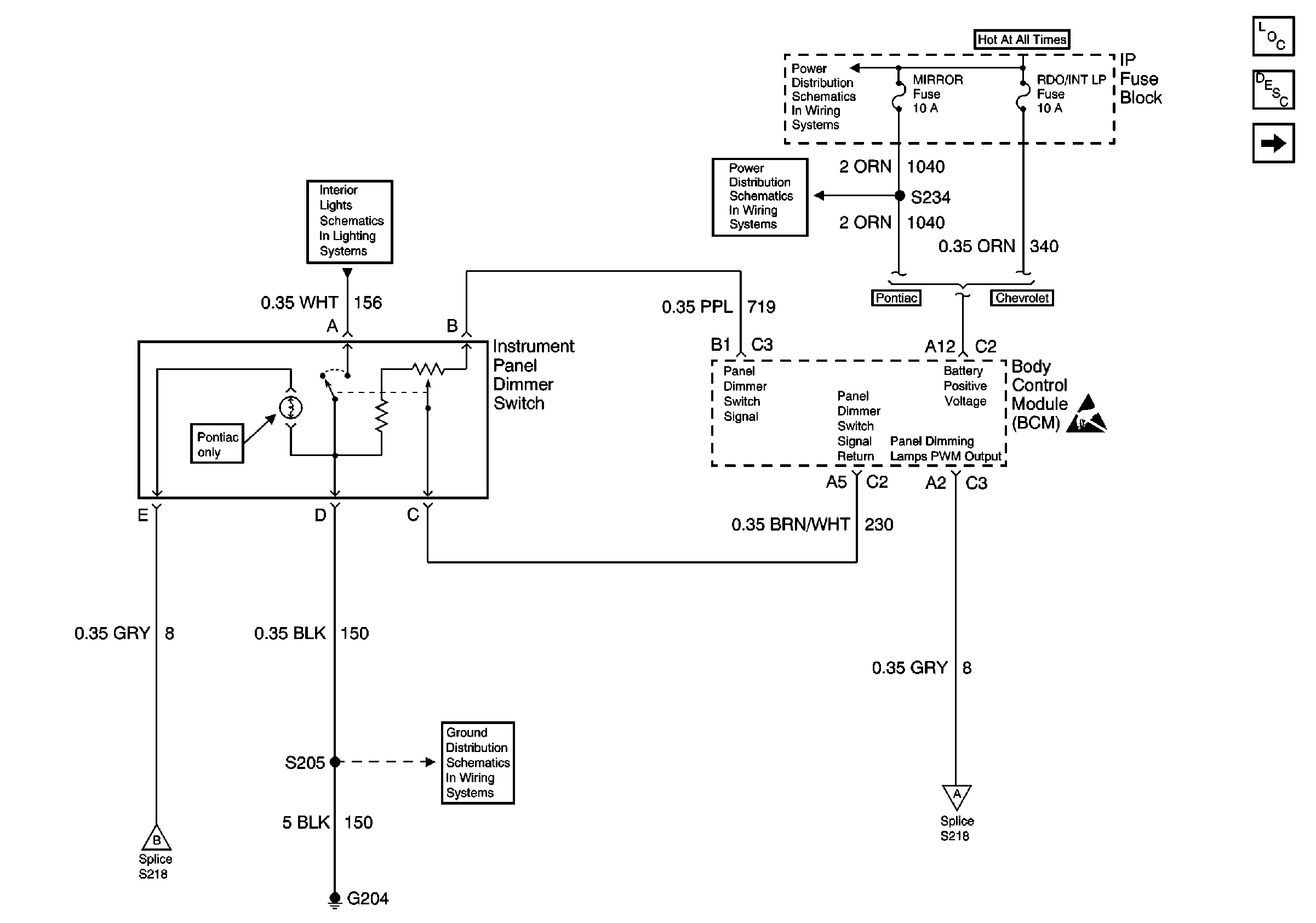
🢒 Instrument Panel Dimmer Switch and Body Control Module
Instrument Panel Dimmer Switch and Body Control Module
Instrument Panel Dimmer Switch and Body Control Module
Interior Lights Circuit Description
Instrument Panel Lamps
Power Distribution Schematics
Power Distribution Schematics
Interior Lights Schematics
Instrument Panel Lamps
Instrument Panel Lamps
Ground Distribution Schematics
Lighting Systems Components