GM Service Manual Online
For 1990-2009 cars only
Figure 1:

Cell 20: Power and Ground


Object Number: 245706  Size: FS
Engine Controls Components
Cell 20: MIL and DLC
OBD II Symbol Description Notice
Handling ESD Sensitive Parts Notice
Cell 14: G105 and G106 (1 of 2)
Cell 14: SP254 and SP261
Cell 10: Ignition Switch, IGN Fuse, and ST Fuse
Cell 10: Ignition Switch, IGN Fuse, and ST Fuse
Cell 10: Alt-S, AM2, Dome, EFI, Hazard, Horn, and Main Fuses
Figure 2:

Cell 20: MIL and DLC


Object Number: 245733  Size: FS
Engine Controls Components
Cell 20: Main Power Feed
Cell 20: Power and Ground
OBD II Symbol Description Notice
Handling ESD Sensitive Parts Notice
Handling ESD Sensitive Parts Notice
Cell 10: Gauge Fuse
Cell 10: ABS, Alt, AMI, Def, D/L, ECU-B, HTR, ODB, Power, and Stop Fuses
Cell 14: G106 (2 of 2)
Cell 14: G106 (2 of 2)
Cell 14: G105 and G106 (1 of 2)
Cell 14: G204 and SP256
Cell 81: ABS, Oil Pressure, MIL, O/D OFF, and Cruise Indicators
Cell 50: OBD II Connector
Figure 3:

Cell 20: Main Power Feed


Object Number: 245738  Size: FS
Engine Controls Components
Cell 20: MIL and DLC
Cell 20: A/T Controls Inputs
OBD II Symbol Description Notice
Handling ESD Sensitive Parts Notice
Cell 10: Ignition Switch, IGN Fuse, and ST Fuse
Cell 10: Alt-S, AM2, Dome, EFI, Hazard, Horn, and Main Fuses
Cell 14: Battery, G100, G101, G102, G103, and G104
Cell 14: SP254 and SP261
Cell 14: SP254 and SP261
Cell 14: G105 and G106 (1 of 2)
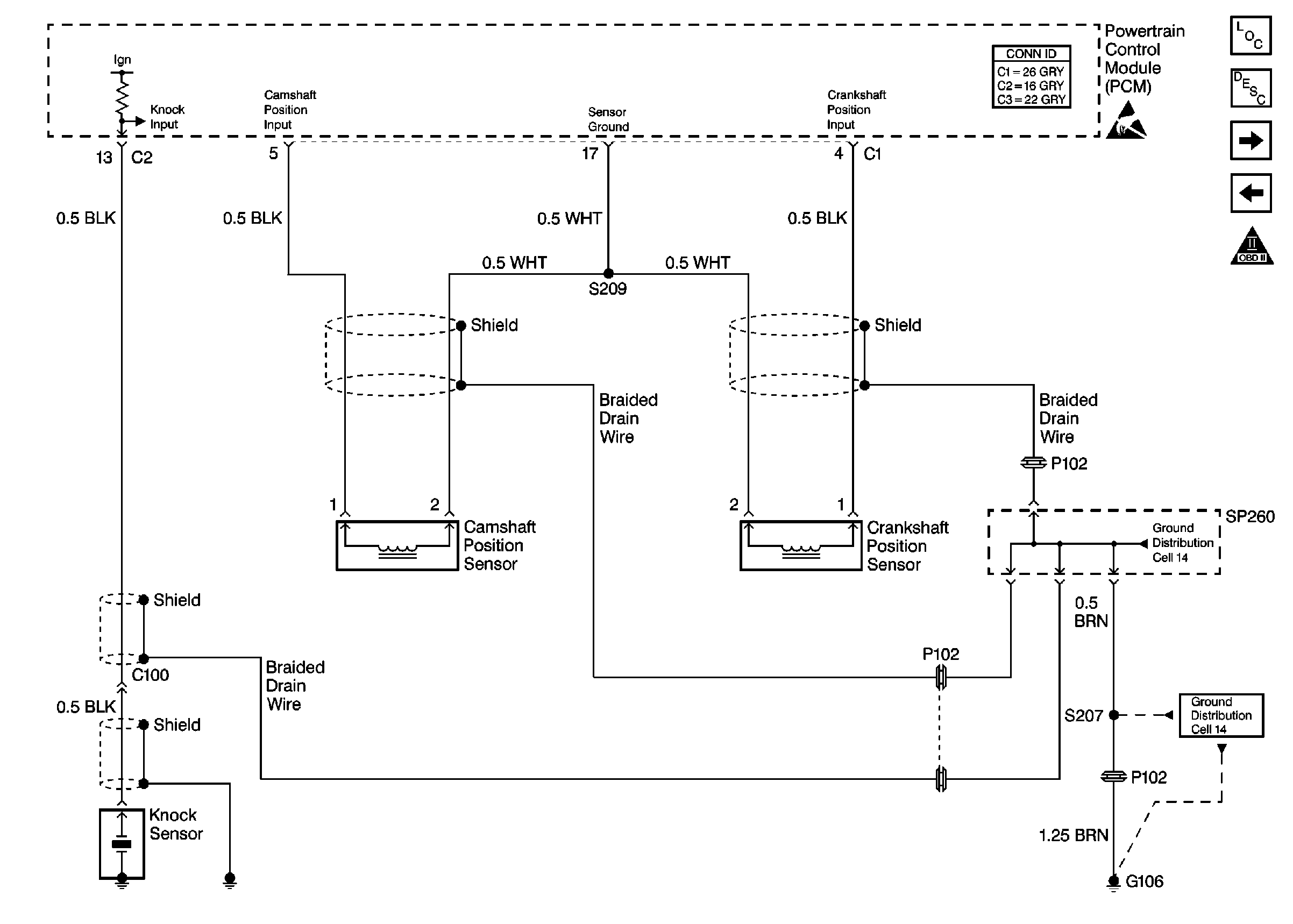
Figure 4:

Ignition System


Object Number: 245740  Size: FS
Engine Controls Components
Cell 20: CMP and CKP Sensors
Cell 20: A/T Controls Inputs
OBD II Symbol Description Notice
Handling ESD Sensitive Parts Notice
Cell 10: Ignition Switch, IGN Fuse, and ST Fuse
Cell 14: G105 and G106 (1 of 2)
Figure 5:

Cell 20: CMP and CKP Sensors


Object Number: 245742  Size: FS
Engine Controls Components
Cell 20: Tachometer
Ignition System
OBD II Symbol Description Notice
Handling ESD Sensitive Parts Notice
Cell 14: G105 and G106 (1 of 2)
Cell 14: G106 (2 of 2)
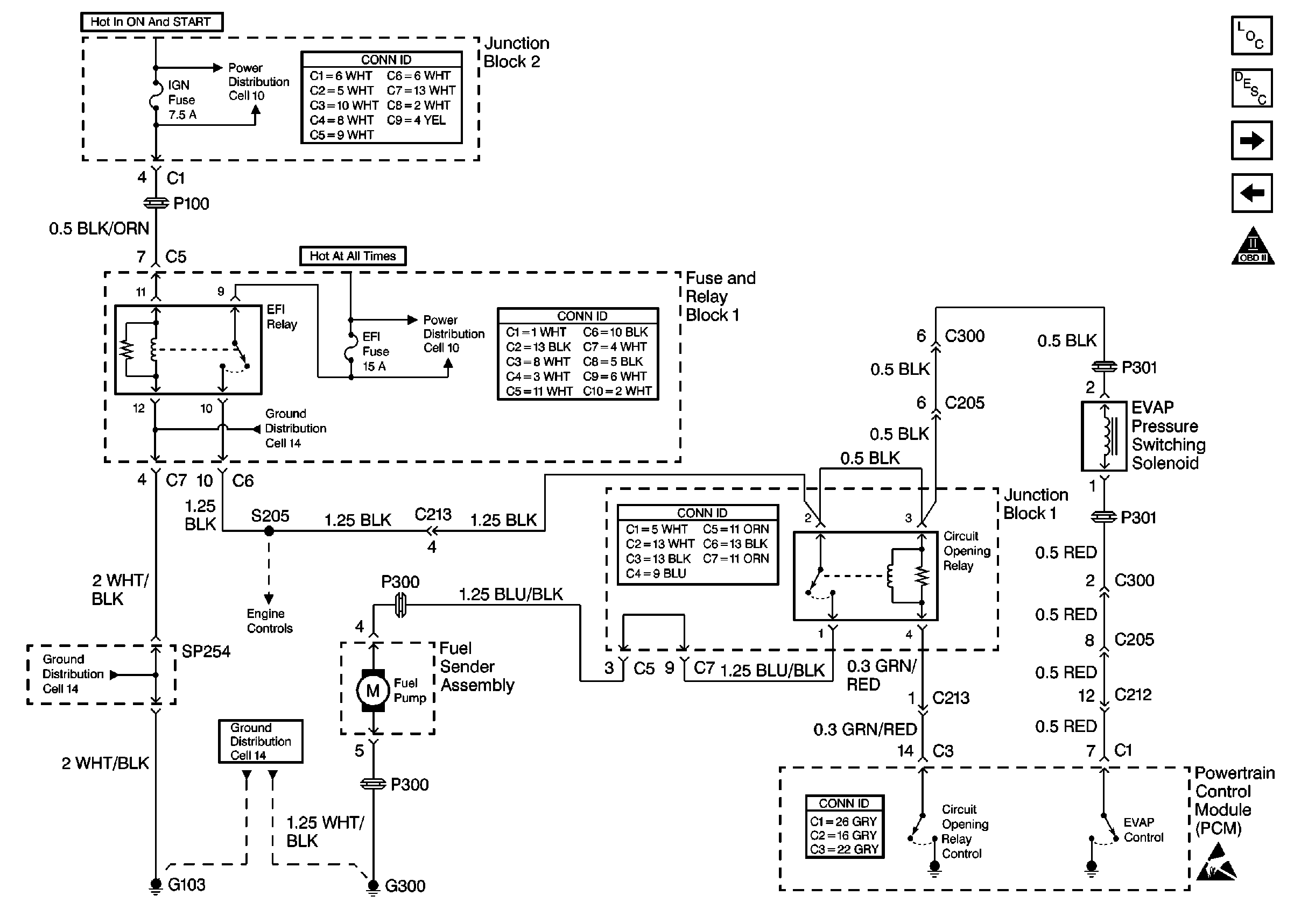
Figure 6:

Cell 20: Tachometer


Object Number: 245744  Size: FS
Engine Controls Components
Cell 20: Fuel Supply System
Cell 20: CMP and CKP Sensors
OBD II Symbol Description Notice
Handling ESD Sensitive Parts Notice
Handling ESD Sensitive Parts Notice
Cell 10: ABS, Alt, AMI, Def, D/L, ECU-B, HTR, ODB, Power, and Stop Fuses
Cell 10: Gauge Fuse
Cell 14: G105 and G106 (1 of 2)
Cell 81: ABS, Oil Pressure, MIL, O/D OFF, and Cruise Indicators
Figure 7:

Cell 20: Fuel Supply System


Object Number: 245745  Size: FS
Engine Controls Components
Cell 20: Fuel Injectors
Cell 20: Tachometer
OBD II Symbol Description Notice
Handling ESD Sensitive Parts Notice
Cell 14: SP254 and SP261
Cell 14: SP254 and SP261
Cell 14: Battery, G100, G101, G102, G103, and G104
Cell 10: Ignition Switch, IGN Fuse, and ST Fuse
Cell 10: Alt-S, AM2, Dome, EFI, Hazard, Horn, and Main Fuses
Figure 8:

Cell 20: Fuel Injectors


Object Number: 245747  Size: FS
Engine Controls Components
Cell 20:Engine Data Sensors
Cell 20: Fuel Supply System
OBD II Symbol Description Notice
Handling ESD Sensitive Parts Notice
Cell 10: Ignition Switch, IGN Fuse, and ST Fuse
Figure 9:

Cell 20:Engine Data Sensors


Object Number: 245749  Size: FS
Engine Controls Components
Cell 20: HO2S
Cell 20: Fuel Injectors
OBD II Symbol Description Notice
Handling ESD Sensitive Parts Notice
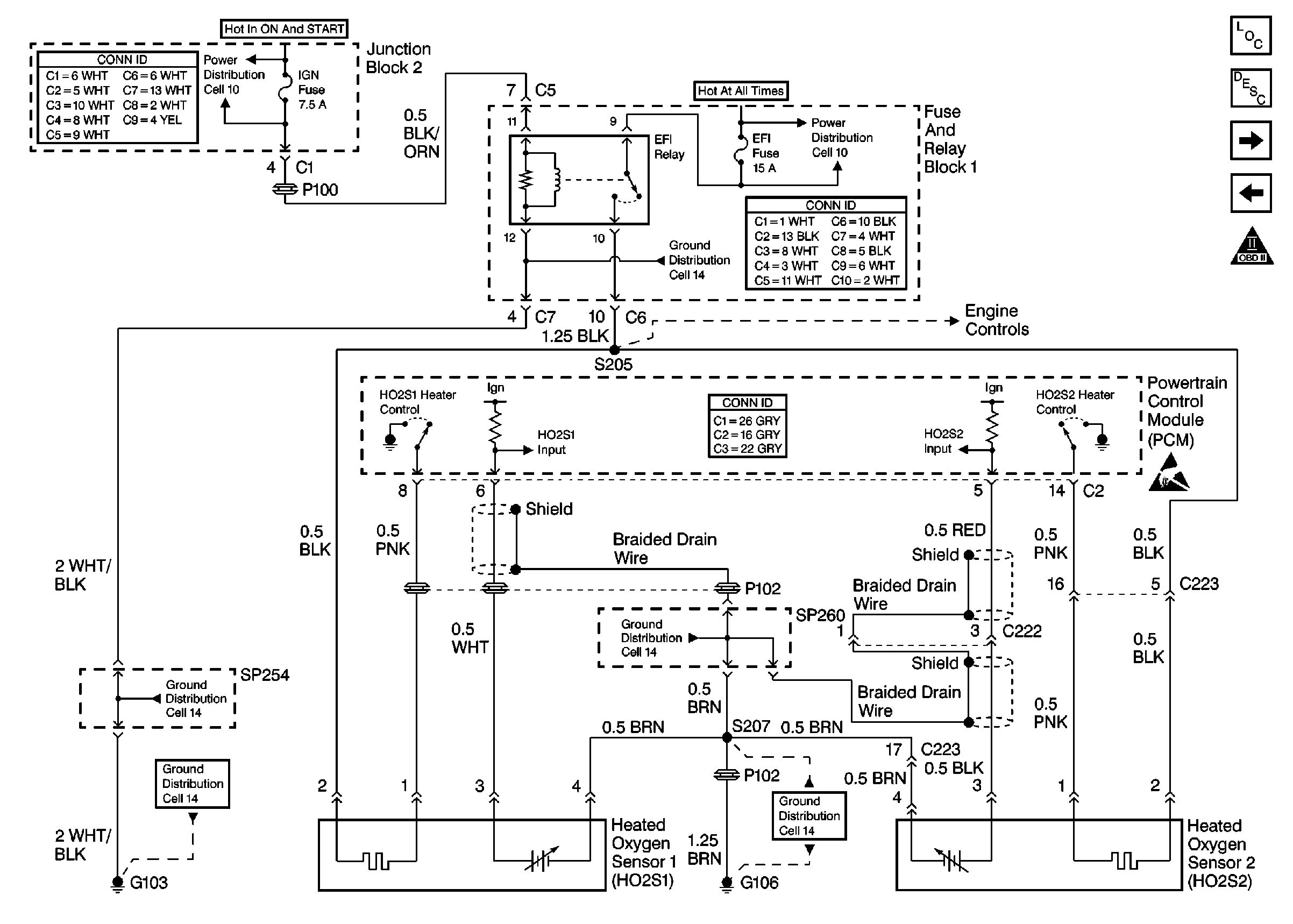
Figure 10:

Cell 20: HO2S


Object Number: 245751  Size: FS
Engine Controls Components
Cell 20:Engine Data Sensors
Cell 20: VSS Output
OBD II Symbol Description Notice
Handling ESD Sensitive Parts Notice
Cell 10: Ignition Switch, IGN Fuse, and ST Fuse
Cell 10: Alt-S, AM2, Dome, EFI, Hazard, Horn, and Main Fuses
Cell 14: SP254 and SP261
Cell 14: SP254 and SP261
Cell 14: G105 and G106 (1 of 2)
Cell 14: SP254 and SP261
Cell 14: Battery, G100, G101, G102, G103, and G104
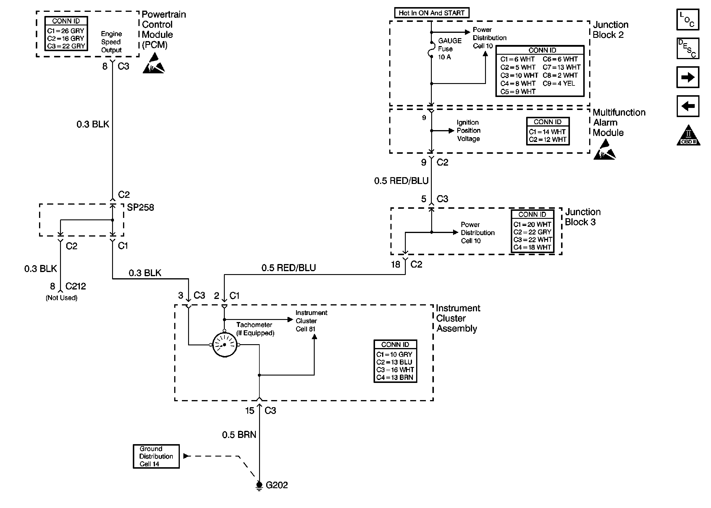
Figure 11:

Cell 20: VSS Output


Object Number: 245752  Size: FS
Cell 20: HO2S
Engine Controls Components
Cell 20: EVAP Controls, IAC, PSP Switch
OBD II Symbol Description Notice
Handling ESD Sensitive Parts Notice
Handling ESD Sensitive Parts Notice
Cell 10: Gauge Fuse
Cell 10: Gauge Fuse
Cell 10: Gauge Fuse
Cell 34: Vehicle Speed Sensor
Cell 81: Gages, Speedometer, and Low Fuel Indicator
Cell 81: Gages, Speedometer, and Low Fuel Indicator
Cell 14: G201 and G202
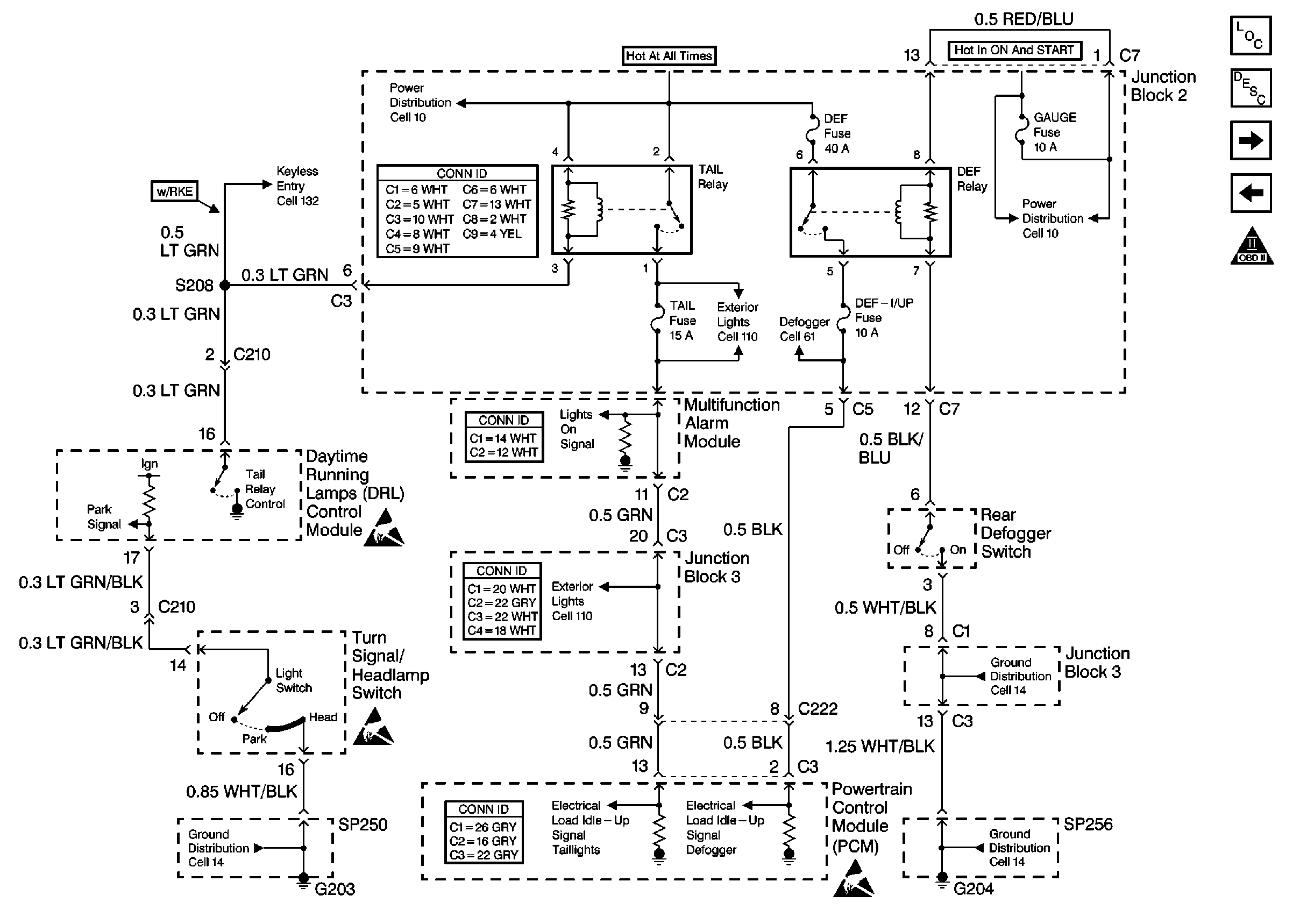
Figure 12:

Cell 20: EVAP Controls, IAC, PSP Switch


Object Number: 245755  Size: FS
Engine Controls Components
Cell 20: A/C Controls
Cell 20: VSS Output
OBD II Symbol Description Notice
Handling ESD Sensitive Parts Notice
Cell 10: Ignition Switch, IGN Fuse, and ST Fuse
Cell 10: Alt-S, AM2, Dome, EFI, Hazard, Horn, and Main Fuses
Cell 14: SP254 and SP261
Cell 14: SP254 and SP261
Cell 14: Battery, G100, G101, G102, G103, and G104
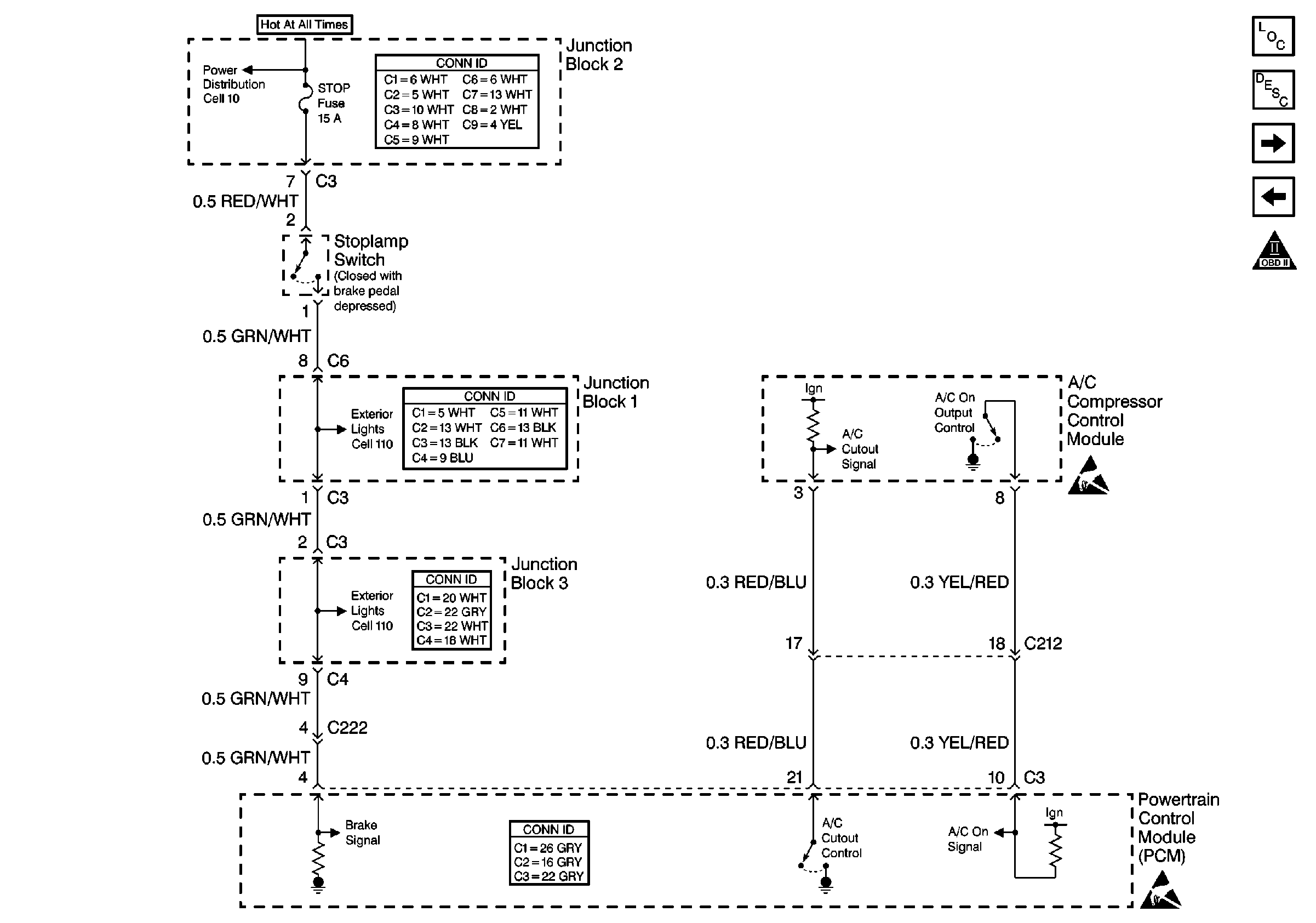
Figure 13:

Cell 20: Idle Up signals


Object Number: 245758  Size: FS
Engine Controls Components
Cell 20: A/C Controls
Cell 20: A/T Control Outputs
OBD II Symbol Description Notice
Handling ESD Sensitive Parts Notice
Handling ESD Sensitive Parts Notice
Handling ESD Sensitive Parts Notice
Cell 10: Gauge Fuse
Cell 10: Gauge Fuse
Cell 132: Ignition Key Alarm Switch, Remote Control Door Lock Receiver, and TAIL Relay
Cell 14: G200, G203, SP250 and SP650
Cell 14: Junction Block 3
Cell 14: G204 and SP256
Cell 110: DRL Control Module, Remote Control Door Lock Reciever, Tail, and Light
Cell 110: Cruise Control Module and Stoplamp Switch
Cell 61
Figure 14:

Cell 20: A/T Controls Inputs


Object Number: 245760  Size: FS
Engine Controls Components
Cell 20: Main Power Feed
Ignition System
OBD II Symbol Description Notice
Handling ESD Sensitive Parts Notice
Handling ESD Sensitive Parts Notice
Cell 10: Gauge Fuse
Cell 10: Gauge Fuse
Cell 10: Gauge Fuse
Cell 30: Battery, Fusible Link, and Generator
Cell 112
Cell 34: Cruise Control Servo, PNP Switch, CPP Interrupt Switch, and Stoplamp Switch
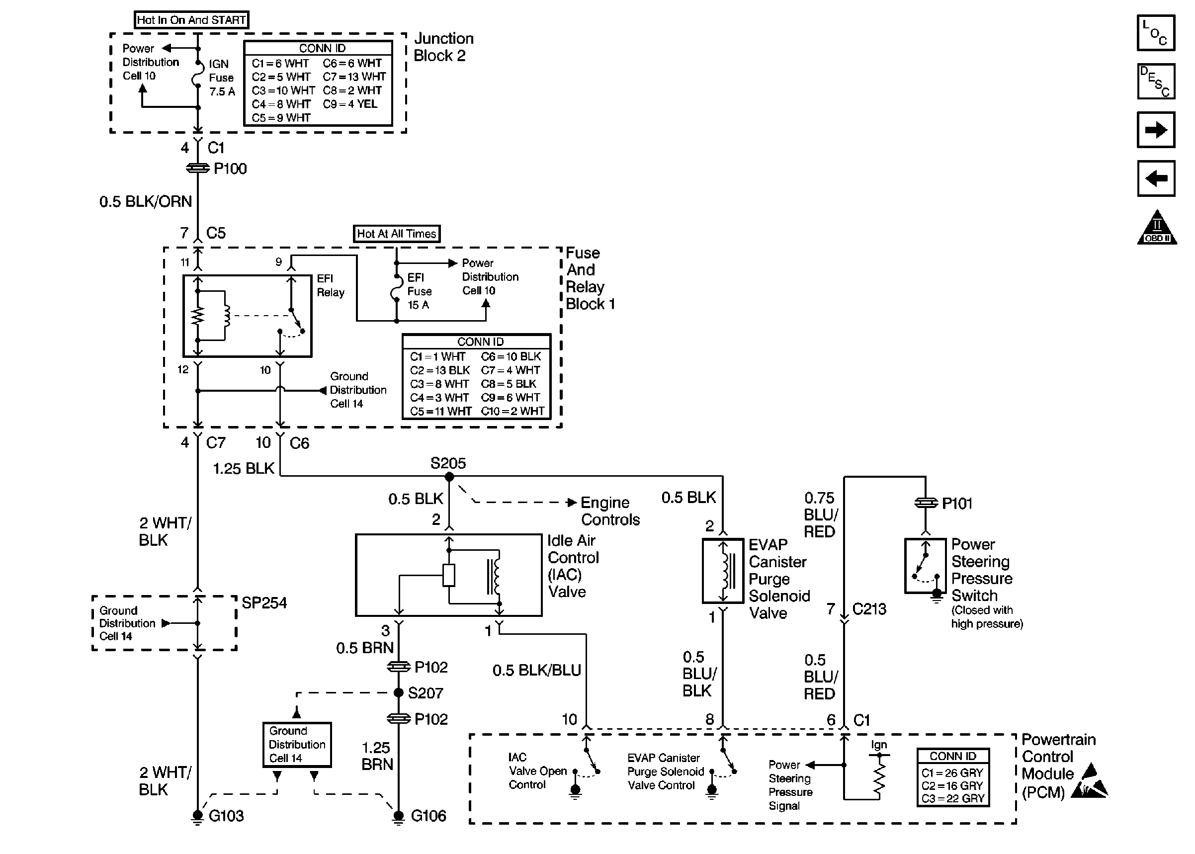
Figure 15:

Cell 20: A/C Controls


Object Number: 245757  Size: FS
Engine Controls Components
Cell 20: EVAP Controls, IAC, PSP Switch
Cell 20: Idle Up signals
OBD II Symbol Description Notice
Handling ESD Sensitive Parts Notice
Handling ESD Sensitive Parts Notice
Cell 10: Ignition Switch, IGN Fuse, and ST Fuse
Cell 10: Ignition Switch, IGN Fuse, and ST Fuse
Cell 10: Ignition Switch, IGN Fuse, and ST Fuse
Figure 16:

Cell 20: A/T Control Outputs


Object Number: 245713  Size: FS
Engine Controls Components
Cell 20: Idle Up signals
OBD II Symbol Description Notice
Handling ESD Sensitive Parts Notice
Handling ESD Sensitive Parts Notice
Handling ESD Sensitive Parts Notice
Cell 14: G204 and SP256
Cell 10: Gauge Fuse
Cell 10: Gauge Fuse
Cell 81: ABS, Oil Pressure, MIL, O/D OFF, and Cruise Indicators