GM Service Manual Online
For 1990-2009 cars only

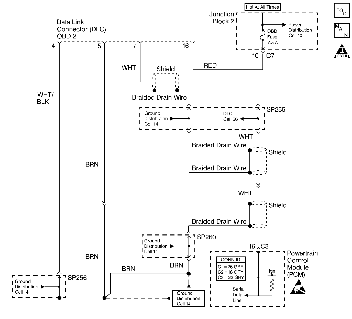
Object Number: 245485  Size: LF
Engine Controls Components
Engine Controls (MIL and DLC)
OBD II Symbol Description Notice
Handling ESD Sensitive Parts Notice

Circuit Description

The provision for communicating with the powertrain control module (PCM) is the data link connector (DLC). The DLC is located under the instrument panel. The DLC is used to link a scan tool to the PCM serial data stream. Some common uses of the scan tool are listed below:

    • Identifying the stored diagnostic trouble codes (DTCs).
    • Reading the serial data stream.
    • Clearing the DTCs.
    • Storing the Freeze Frame data.

Diagnostic Aids

Some scan tools may require an external power supply. Make sure your scan tool is using the correct power feed.

Ensure that the correct application (model year, carline, VIN code) has been selected on the scan tool. If communications are still not established, try the scan tool on another vehicle in order to ensure that the scan tool or the connecting cables are not the cause of the malfunction. Always try the scan tool on a vehicle that uses the same DLC terminal for serial data communication.

Any circuitry that is suspect to an intermittent complaint should be thoroughly inspected for the following:

    • Backed out terminals.
    • Improper mating of terminals.
    • Broken electrical connector locks.
    • Improperly formed or damaged terminals.
    • Faulty terminal to wiring connections.
    • Physical damage to the wiring harness.
    • Broken conductor inside the wire insulation.
    • Corrosion of electrical connections, splices, or terminals.

Test Description

The numbers below refer to the step numbers in the Diagnostic Table.

  1. This step checks whether the scan tool can communicate with other control modules on the vehicle. If the scan tool can communicate with the antilock brake system control module, the brake pressure modulator valve (BPMV), then the DLC ground circuit (terminal 4) and the DLC ignition positive voltage circuit (terminal 16) are OK.

  2. This step checks for an open PCM to splice pack serial data circuit or for a defective PCM.

  3. This step checks for an open/shorted to ground circuit, a shorted to battery positive circuit or for a defective scan tool.

  4. The modules supply a low current (about 1.85 mA) voltage on the serial data circuit. The normal circuit low current will NOT illuminate a test lamp. If the circuit is shorted to battery positive the higher current will illuminate the test lamp.

  5. The scan tool may be damaged by high current flow on the serial data circuit at DLC terminal 7. Check the scan tool for proper operation on a known good vehicle that uses terminal 7 of the DLC for serial data communication.

  6. Possible causes of the open circuit are an open (blown) OBD fuse, an open circuit, or no power being supplied to the OBD fuse.

Step

Action

Value

Yes

No

1

Did you perform the Powertrain On-Board Diagnostic (OBD) System Check?

--

Go to Step 2

Go to Powertrain On Board Diagnostic (OBD) System Check

2

Connect the scan tool.

Does the scan tool power-up?

--

Go to Step 3

Go to Step 12

3

  1. Turn ON the ignition, leaving the engine OFF.
  2. Attempt to establish communication with the PCM.

Does the scan tool display PCM data?

--

System OK

Go to Step 4

4

Is the vehicle equipped with ABS?

--

Go to Step 5

Go to Step 6

5

Attempt to establish communication with antilock brake system (ABS) module.

Does the scan tool display BPMV data?

--

Go to Step 6

Go to Step 7

6

  1. Turn OFF the ignition.
  2. Disconnect PCM electrical connector C3.
  3. Check for an open serial data circuit between the PCM and the splice pack SP255.
  4. Repair as necessary.

Was a repair necessary?

--

Go to Step 3

Go to Step 17

7

  1. Disconnect the scan tool.
  2. Measure the voltage from the DLC connector terminal 7 to ground, using the J 39200 digital multimeter (DMM) or an equivalent.

Is the voltage measured the same or more than the specified value?

11 volts

Go to Step 8

Go to Step 9

8

Connect a test lamp between the DLC connector terminal 7 and ground.

Does the test lamp illuminate?

--

Go to Step 11

Go to Step 16

9

  1. Check for an open in the serial data circuit. The most likely location for an open serial data circuit is between the DLC connector terminal 7 and the splice pack SP255.
  2. Repair as necessary. Refer to Wiring Repairs in Wiring Systems.

Was a repair necessary?

--

Go to Step 3

Go to Step 10

10

  1. Locate the short to ground in the serial data circuit.
  2. Disconnect each circuit at the splice pack one at a time in order to determine which module or serial data circuit is shorted.
  3. Repair as necessary. Refer to Wiring Repairs in Wiring Systems.

Is the action complete?

--

Go to Step 3

--

11

Repair the short to battery positive voltage in the serial data circuit. Refer to Wiring Repairs in Wiring System.Scan tool damage may have occurred.

Is the action complete?

--

Go to Step 3

--

12

  1. Disconnect the scan tool.
  2. Connect the test lamp between the DLC connector terminal 16 and ground.

Does the test lamp illuminate?

--

Go to Step 13

Go to Step 14

13

Connect the test lamp between B+ and the DLC connector terminal 4 and terminal 5.

Does the test lamp illuminate at BOTH terminals?

--

Go to Step 16

Go to Step 15

14

  1. Locate the cause of no power to the DLC connector terminal 16. Refer to the Test Description.
  2. Repair as necessary. Refer to Wiring Repairs in Wiring Systems.

Is the action complete?

--

Go to Step 2

--

15

Repair the open DLC connector ground circuits. Refer to Wiring Repairs in Wiring System.

Is the action complete?

--

Go to Step 2

--

16

Replace the defective scan tool.

Is the action complete?

--

Go to Step 2

--

17

Replace the PCM. Refer to Powertrain Control Module Replacement

Is the action complete?

--

Go to Step 2

--