GM Service Manual Online
For 1990-2009 cars only
Makes
🢒
Chevrolet
🢒
1998
🢒
Prizm
🢒
Body and Accessories
🢒
Doors
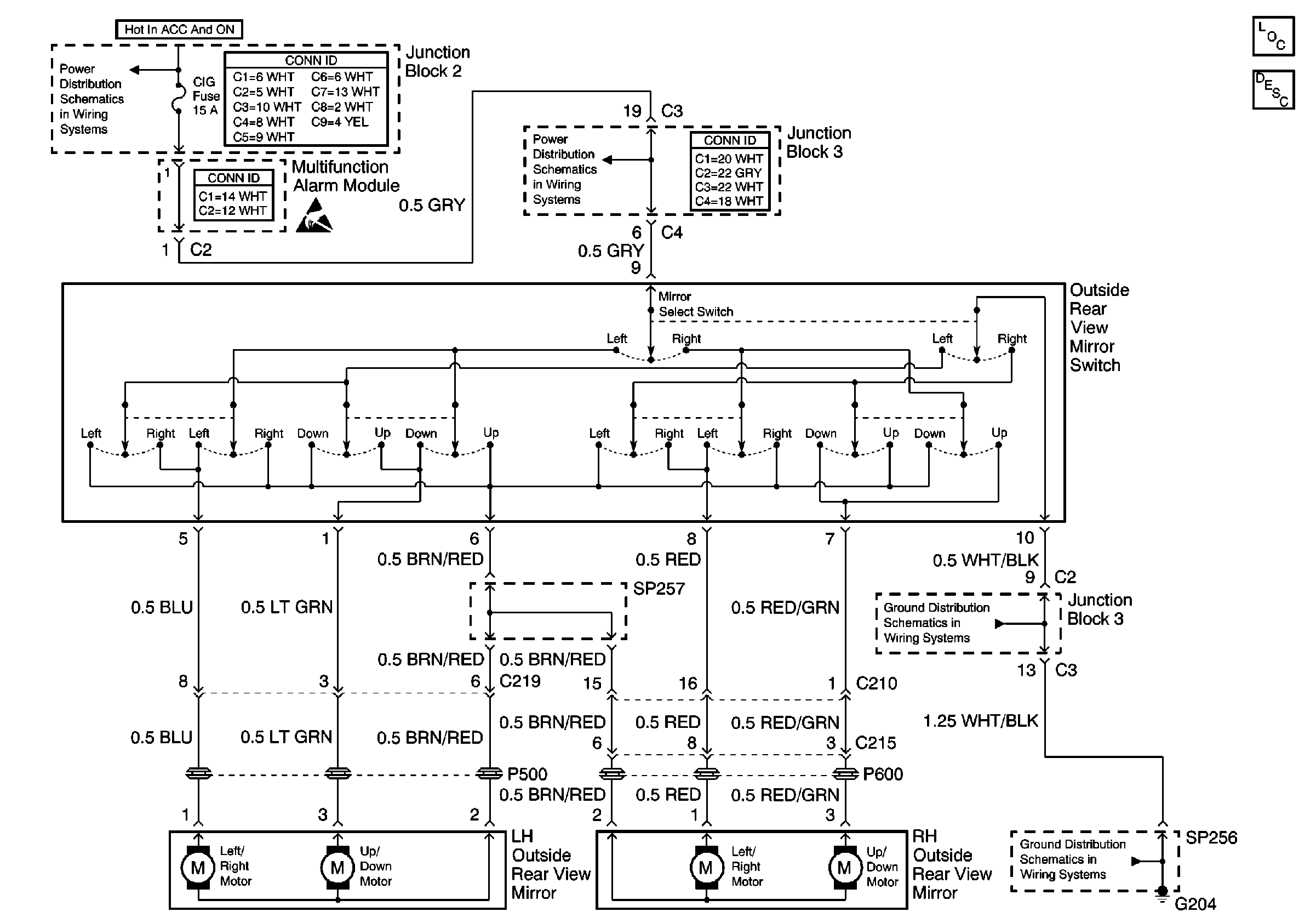
🢒 Outside Rearview Mirror Schematics
Multifunction Alarm Module, SP256
Cell 10: CIG Fuse
Power Door Systems Components
Handling ESD Sensitive Parts Notice
Cell 10: CIG Fuse
Cell 14: Junction Block 3
Cell 14: G204 and SP256