GM Service Manual Online
For 1990-2009 cars only
Makes
🢒
Chevrolet
🢒
1998
🢒
Prizm
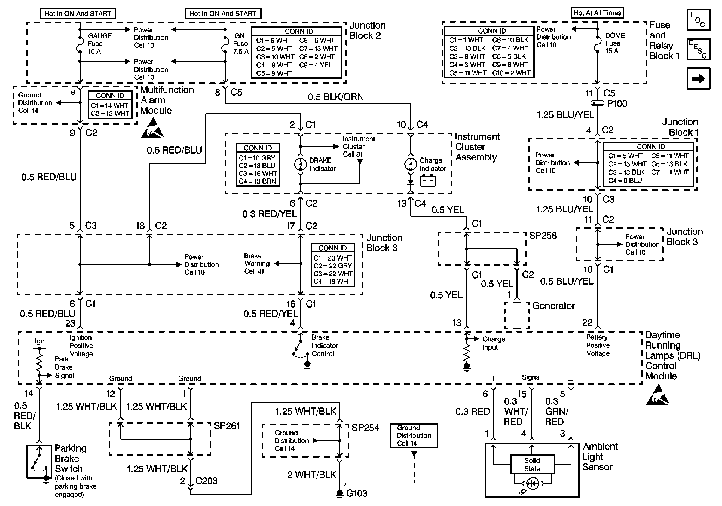
🢒 Cell 102: Ambient Light Sensor and DRL Control Module
Cell 102: Ambient Light Sensor and DRL Control Module
Cell 102: Ambient Light Sensor and DRL Control Module
Lighting Systems Components
Headlights/Daytime Running Lights (DRL) Circuit Description
Cell 102: Light Switch, Dimmer Switch DRL Control Module
Handling ESD Sensitive Parts Notice
Handling ESD Sensitive Parts Notice
Cell 10: Ignition Switch, IGN Fuse, and ST Fuse
Cell 10: Ignition Switch, IGN Fuse, and ST Fuse
Cell 10: Alt-S, AM2, Dome, EFI, Hazard, Horn, and Main Fuses
Cell 10: Alt-S, AM2, Dome, EFI, Hazard, Horn, and Main Fuses
Cell 10: Alt-S, AM2, Dome, EFI, Hazard, Horn, and Main Fuses
Cell 10: Gauge Fuse
Cell 14: Junction Block 2
Cell 14: Battery, G100, G101, G102, G103, and G104
Cell 14: SP254 and SP261
Cell 81: Turn, High Beam, Defogger, Brake, and Seat Belt Indicator
Cell 41