GM Service Manual Online
For 1990-2009 cars only

Refer to

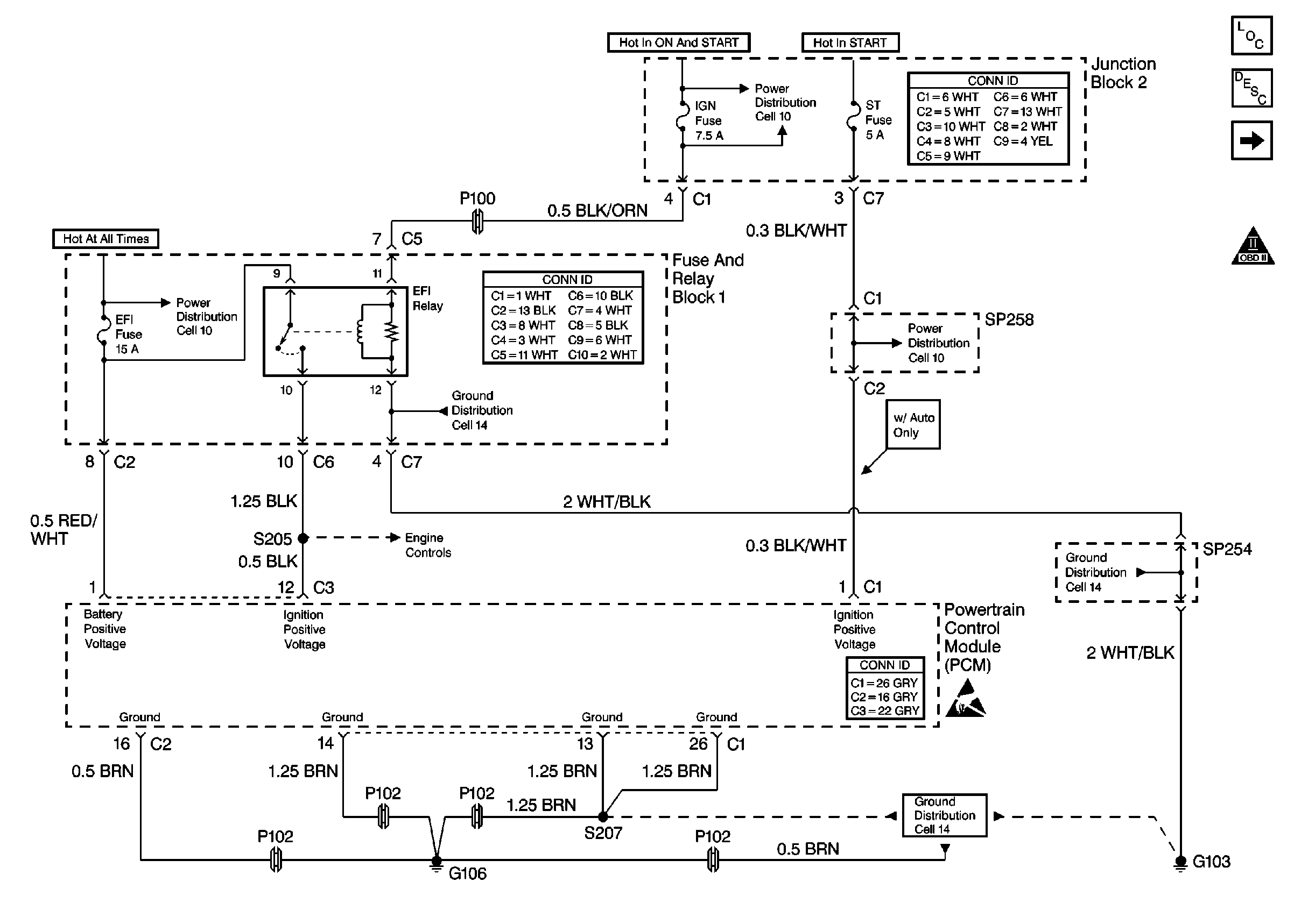
Cell 20: Power and Ground


Object Number: 245706  Size: FS
Engine Controls Components
Cell 20: MIL and DLC
OBD II Symbol Description Notice
Handling ESD Sensitive Parts Notice
Cell 14: G105 and G106 (1 of 2)
Cell 14: SP254 and SP261
Cell 10: Ignition Switch, IGN Fuse, and ST Fuse
Cell 10: Ignition Switch, IGN Fuse, and ST Fuse
Cell 10: Alt-S, AM2, Dome, EFI, Hazard, Horn, and Main Fuses
and

Cell 20: MIL and DLC


Object Number: 245733  Size: FS
Engine Controls Components
Cell 20: Main Power Feed
Cell 20: Power and Ground
OBD II Symbol Description Notice
Handling ESD Sensitive Parts Notice
Handling ESD Sensitive Parts Notice
Cell 10: Gauge Fuse
Cell 10: ABS, Alt, AMI, Def, D/L, ECU-B, HTR, ODB, Power, and Stop Fuses
Cell 14: G106 (2 of 2)
Cell 14: G106 (2 of 2)
Cell 14: G105 and G106 (1 of 2)
Cell 14: G204 and SP256
Cell 81: ABS, Oil Pressure, MIL, O/D OFF, and Cruise Indicators
Cell 50: OBD II Connector
schematics.

Description

The Powertrain OBD system check is an organized approach to identifying a problem created by an electronic engine control system malfunction. The Powertrain OBD system check is the starting point for any driveability concern diagnosis, because it directs the service technician to the next logical step in diagnosing the concern. Understanding the table and using it correctly will reduce diagnostic time and prevent the replacement of good parts.

DO NOT perform this check if a driveability concern is not present.

Diagnostic Aids

Inspect all related wiring and connections for an intermittent malfunction, including the connections at the PCM. Check electrical terminals for the following:

    • Damaged
    • Corroded
    • Not properly seated

Test Description

The numbers below refer to the step numbers in the Diagnostic Table.

  1. The Engine OBD system check should not be performed unless one of the concerns noted is present, failure to follow this procedure could lead to misdiagnosis of the system.

  2. The MIL should be ON steady with the ignition ON and engine OFF.

  3. Checking if the PCM and the scan tool can communicate.

  4. This step checks if the vehicle starts.

  5. Before proceeding to the applicable DTC table consider all of the items below.

    • Check for related service bulletins.
    • If multiple DTCs are stored, refer to the DTC tables using the following priority:
        1. PCM error DTCs
        2. System voltage DTCs
        3. Component level DTCs (sensors, switches, relays, output drivers, etc.)
        4. System level DTCs (Misfire, Fuel trim, HO2S lean or rich, etc.)
    • First failures of Type B DTCs will store in Last Test Failed, but not in History. When the MIL is on and a DTC is displayed in History, a current fault is indicated.
    • Transmission DTCs are not located in this section. Refer to Automatic Transmission Diagnostic Information and Procedures.
    • If the scan tool is unable to record DTC information, then record the DTC information on paper.
  1. Before proceeding to Symptoms or Components, check for related service bulletins. The diagnostic tables in this section are designed for use with a properly functioning scan tool. If a faulty scan tool is suspected connect it to another vehicle to verify operation. Serial data communications must be corrected before beginning any other diagnostic procedure. OBD II serial data may not transmit if system voltage is below 9.0 volts or above 16.0 volts. DO NOT clear DTCs unless directed by a diagnostic procedure. Clearing DTCs will also clear valuable Freeze Frame data.

Powertrain On-Board Diagnostic (OBD) System Check

Step

Action

Value(s)

Yes

No

1

Important: 

   • Check for service bulletins.
   • DO NOT turn OFF the ignition during this diagnostic unless instructed.
   • DO NOT clear the DTCs unless instructed.

Check for one or more of the following conditions:

    • Malfunction indicator lamp (MIL) illuminates with the engine running or diagnostic trouble codes (DTC) are stored.
    • Customer concern of Powertrain performance/driveability.
    • Suspected fault in a Powertrain controlled component or system.

Were any of the above conditions found?

--

Go to Step 2

System OK

2

  1. Turn ON the ignition, leaving the engine OFF.
  2. Observe the Malfunction Indicator Lamp (MIL).

Is the MIL ON?

--

Go to Step 3

Go to Malfunction Indicator Lamp (MIL) Inoperative

3

  1. Turn OFF the ignition.
  2. Install a scan tool.
  3. Turn ON the ignition, leaving the engine OFF.

Does the scan tool display any PCM data?

--

Go to Step 4

Go to Data Link Connector Diagnosis

4

Does the engine start and run?

--

Go to Step 5

Go to Engine Cranks but Does Not Run

5

Observe the DTC information. If DTCs are set, save the DTCs and the Freeze Frame information. Refer to the Test Description.

Were any DTCs set?

--

Go to Diagnostic Trouble Code (DTC) List

Go to Step 6

6

Is the MIL ON, with no DTCs set?

--

Go to Malfunction Indicator Lamp (MIL) Always On

Go to Step 7

7

Compare the scan tool data with the typical values shown in the Engine Scan Tool Data List.

Are the displayed values normal or within typical ranges?

--

Go to Symptoms

Go to the Diagnostic Aids of the DTCs related to that component